编者按:在学习电子技术时,广大初学者对动手制作很感兴趣,而对基础理论知识的学习不够重视,为纠正这种偏向,我们在“初学者园地”每次刊登几则电子技术入门知识以及应用中带有普遍意义的问题。初学者可围绕这些问题学习有关的知识,并在本期找出答案,初学者可以检验自己的水平。如果坚持不懈,日积月累,那就可以从初学到入门,不断提高自己的水平,成为电子技术方面的有用人才。
1.如果把220伏20瓦的电烙铁接在110伏的电源上使用,问这时输出功率为几瓦?
2.如图1中所示,两个不同容量的电容器串联后,加在电容器两端的电压是否一样?

3.要使晶体三极管能够正常工作,在两个PN结上所加电源电压的极性是否一样?
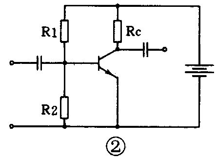
4.如图2所示,在调整晶体管工作点时,若发现集电极电流I\(_{c}\)太大,则应增大哪个电阻阻值?

5.光敏二极管、发光二极管、红外二极管,在使用时要分清正、负极引线。正确使用时应加正向电压还是反向电压?
6.图3所示电路中AB等效电阻为多少?

7.图4所示电路中,A、B两端的等效电容为多少?

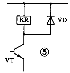
8.继电器在用作晶体管集电极负载电路中时,常在继电器线圈两端并接一只二极管,如图5所示,此二极管起什么作用?

9.用万用表测量一个电阻器阻值时,选择不同的量程档,表针偏转位置也不同,如表针靠∞附近偏转一个角度,表针在中心位置附近,或者表针靠0附近偏转一个角度,请问表针在哪个位置,读数较正确?
10.有一个色码电阻,其色环颜色依次为棕、黑、黑、银,它的电阻值为多少?
11.一个锗高频管,cb结损坏,剩下一个完好的eb结能否作检波二极管用?
12.一个硅低频管eb结损坏,剩下一个完好的cb结,能否作整流二极管用?
13.稳压电源的调整管和功放输出管等要求输出功率比较大时,可采用由两个晶体管组成的复合管电路,请问复合的原则是什么?画出复合管连接图。
14.图6所示的4只瓷片电容器的容量分别为多少?

答案
1. 5W。因为P=U\(^{2}\)/R,U降低一半,所以P降为1/4。
2.不一样。C1容量小,C1上电压U1较高。
U1=\(\frac{24C2}{C1+C2}\);U2=24C1;C1+C2
3.不一样。发射结加正向电压,集电结加反向电压。
4. 增大R1的阻值。
5.光敏二极管、红外接收管加反向电压。发光二极管、红外发射管加正向电压。
6.等效电阻为3\(\frac{1}{3}\)k。R1与R3串联后与R2并联,最后与R4串联。
7.等效电容为C1+\(\frac{C2·C3}{C2+C3}\)。C2与C3串联后再与C1并联。
8. 保护晶体管不被击穿。
9.表针指示在中心位置附近读数较正确。
10.电阻值为10Ω。
11. 锗高频管的eb结正向电阻小、反向电阻大,PN结电容小,可作检波二极管用。
12. 硅低频管的cb结BV\(_{CBO}\)较高,ICM较大,在某些电路中可作为整流管。
13. 复合原则是:同极性两个管子集电极相连,组成复合管;不同极性的两管发射极与集电极相连组成复合管,但复合管的极性以第一管为准。
14.图6所示4只电容器的容量为:(a)4700P,(b)180P,(c)15P,(d)1000P。(谈小元)