此开关具有停电自锁功能,特别适合在经常停电的场所使用。
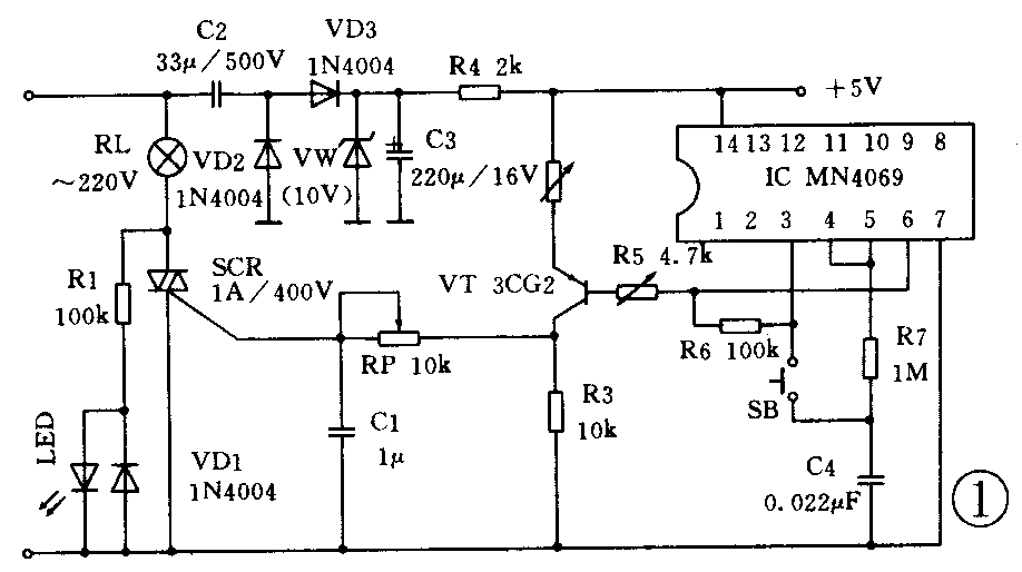
电气原理见图1,市电一路经负载RL、双向可控硅构成回路,当可控硅被触发后,负载RL通电。发光二极管LED起显示状态和微光指示作用。当可控硅截止时,市电通过负载使发光二极管点亮,指示开关处于“关”位。当可控硅触发导通后,发光二极管熄灭。

触发调压部分由晶体管V和电位器RP及有关元器件组成。当晶体管V导通时,电阻R3上有足够的电压(约4V左右),用以触发双向可控硅导通。调压电位器RP调节到左端时,可控硅导通角最小,负载上得到的电压最低,几乎为0,电位器RP调节到右端时,双向可控硅全周期导通,负载RL上得到全部电压。
开关的控制部分由一个六反相器、微动按钮SB及有关元器件组成。图中C2、VD3、VD3、VW、C3等组成电容降压式简单稳压电路,电压稳定在10V左右,经R4二次降压后输出约5V直流电压为晶体管和六反相器提供电源。通电后IC的③脚悬空呈高电位,反相后⑥脚输出高电位,晶体管截止,双向可控硅无触发信号亦截止(关断),负载RL上无电压,开关自动处于“关”断状态。欲使开关接通,则轻触按钮SB,由于电容C4上无电荷而视为瞬间短路,相当于给IC的③脚输入了一个低电位,经反相器⑥脚输出也是低电位,晶体管V导通,双向可控硅经调压后得到触发信号,开关处于“开”的状态。若想关断开关时,再轻触一下按钮SB,此时因电容C4的充电作用,相当于将一个高电位输入到IC的③脚,使⑥脚输出亦呈高电位,晶体管截止,开关即处于“关”的状态。这里的微动按钮SB起到“开”和“关”两种作用。
开关的另一主要性能是停电自锁,即当开关处于“开”状态时,如遇突然停电后再来电,因IC③脚悬空呈高电位,使⑥脚亦为高电位,晶体管截止,负载RL上无电压降,开关自动转入“关”状态,避免了对用电器的瞬时冲击而起到有效地保护作用。图2是印板图。

双向可控硅视控制功率不同而定,当选用参数为1A400V时,可控制功率为100W以下。发光二极管选用直径φ5红色,晶体管选用3CG21或相似类型,二极管VD1~VD3选用1N4004。 (李广志)