这里向大家介绍一种可编程时间控制器,它具有如下主要特点:
1.可在外部电源切断后连续工作20天以上。工作电流仅1毫安。
2.平时可作为数字钟使用。
3.具有定时器功能,定时精度到秒。
4.重复功能:用户编制的程序可由自动或手动方式重复执行。
5.可同时控制4路输出的状态。
6. 电路简单,使用方便。
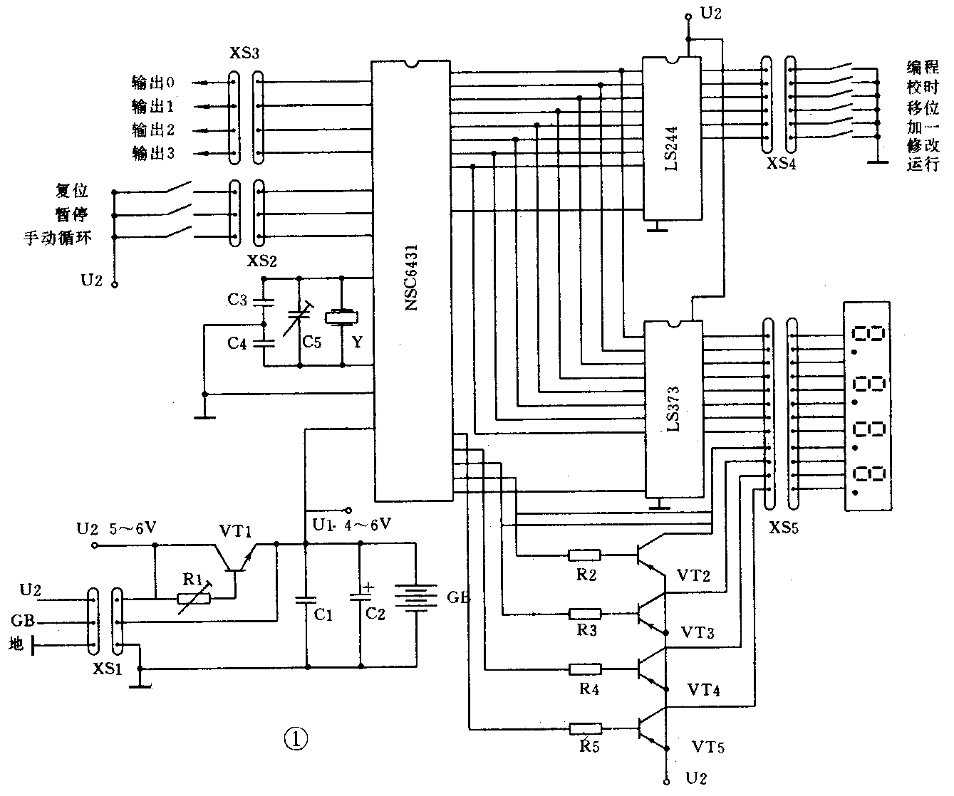
电路原理
电路原理见图1,核心部分是新型CMOS定时处理器NSC6431。该处理器由大规模集成电路和内部软件组成,其工作电压4~6V,平均电流1mA。

外部电源U2(+5V)通过VT1组成的恒流源向内部电源GB充电,并同时产生内部电压U1。当U2断电后将自动转入由GB供电。内部电源由3节5号充电电池组成,因而可提供1mA的工作电流500小时左右。
LS244用于按键输入,LS373用于显示信息的锁存和驱动,9012用于显示位的驱动。本电路采用双面印刷电路板制作,抗干扰能力很强。经过半年多在频繁停电地区的使用从未发生过程序丢失和失控的现象,运行非常可靠。
编程方法
1.按暂停键后程序停止执行,并开始扫描各按键。按编程键后显示器上显示用户程序的第1条内容,然后每按1次编程键就显示下一条内容,如此循环显示用户程序。
2. 如想改变所显示的内容,可按移位键,小数点移在某位的后面,这时按加一键可使小数点所在位数值加1。
3.每条用户程序共8位信息分两次显示,首先显示前四位,按一下编程键将显示后四位。每位所表示的内容如下:前4位左起第1位是循环返回码,返回码内容为1时表示所显示的是用户第一条程序,返回码为2时表示的是用户第2条程序。当返回码显示1和2时,返回码不能由用户改变。返回码为a表示自动返回到第3条用户程序,程序开始循环执行。返回码为b时表示手动返回到第3条程序开始循环执行,即只有当手动循环键按下后才返回到第3条程序执行。返回码为d,表示接下去执行下一条程序,返回码为c表示用户程序到此结束,并在第2天从第1条程序开始执行。无论手动返回还是自动返回,程序都在用户第2条中所表示时刻到来后终止返回,并在第2天从第1条程序开始执行。
第2位表示本条程序运行后各路输出的状态,用16进制数表示。显示信息为0、1、2、3、4、5、6、7、8、9、A、B、C、D、E、F。其对应的4位二进制数每位代表一路输出状态,即四位二进制数右起第一位代表第0路输出,第二位代表第1路输出,以此类推。如想使本条程序执行后第0路和第3路输出为高电平,其它两路输出为低电平,则用二进制数表示为1001,其16进制数为9;若想使本条程序执行后第3路第2路第1路都输出高电平,只有第0路输出低电平,则用二进制数表示为1110,16进制数表示为E,于是显示信息为E。
第3位、第4位和按一下编程键出现的后4位组成时间的显示:××时、××分、××秒。注意,除第1第2条程序外,这一时间是表示上一次动作(上一条程序执行)到这次动作(本条程序执行)之间的时间间隔,其小时最大值是15小时,若间隔时间超过15小时可分2条程序完成,这时前一条程序应不改变各路输出状态。
另外用户的第1条程序所设的时间是每日程序开始运行的绝对时间,用户的第2条程序所设的时间是程序结束运行的绝对时间。绝对时间按24小时方式设定。用户程序的运行请详见图2。

4.若想用修改后所显示的信息取代原有信息,必须按一下修改键。
校时
在暂停状态下按一下校时键,则显示××时,××分,这时可用移位键和加1键进行修改。修改后按修改键则从所显示的时分开始走时。
应用举例
1.作打铃控制器:用第0路输出高电平控制打铃,用第1路输出高电平作开广播机,每天8点上班,响铃20秒,10点休息响铃5秒,隔3秒再响铃10秒。10点零5分启动广播机做操。10点15分结束休息,响铃15秒,关广播机。12点下班,响铃5秒。13点30分下午上班铃响20秒,17点30分下班铃响3秒隔两秒再响15秒。其程序如下:
1108,0000/2017,3025
d000,0020/d102,0020
d000,0005/d100,0003
d000,0010/d100,0003
d000,0005/d101,2939
d000,0020/d103,5940
d000,0003/d100,0002
c000,0015/d200,0442
d100,1000/d000,0015
d101,4445/d000,0005
d100,0003/d000,0005
2.自动报时器:每天早6时到晚21时之间每小时报时一次,报时为蜂鸣器响3次,每次1秒钟。间隔1秒钟。夜间不报时。用第3路输出低电平触发蜂鸣器。
程序如下:
1805,5955/2821,0000
d000,0001/d800,0001
d000,0000/d800,000
d000,0001/d800,0001
d800,5955
3.工业洗涤机的控制:用第0路输出高电平控制加洗涤液,用第1路输出高电平加热,第2路输出高电平控制搅拌,第3路高电平控制排污。洗涤过程如下:放完欲洗涤物后,加洗涤液3分钟,然后搅拌5分钟,同时加热2分钟,然后排污8分钟,全过程22分钟。每天工作多次,从早5点到晚22点,程序如下:
1005,0010/2022,0000
d100,0000/d600,0300
d400,0200/dd00,0300
d800,0600/b000,0800
换料后按一下手动循环键即可开始下一轮工作。
注意事项
1.输出驱动电路可自动设计,但不可用U1作电源。2.如遇节假日,断开U2即可,这样不影响程序和时钟的运行,只是无输出和显示,待上班后打开U2即可工作。3.编程或校时后按运行键,程序开始运行。此时显示器显示当前时间××时××分。4.发现任何异常情况都可按复位键,重新检查和输入程序。 (闻歌)