一般家庭因受房间面积狭小、家具摆设不当等因素影响,使用普通设计的音箱很难获得理想听音效果。本文介绍一款按“全色音像”技术设计的音箱,其低、中音单元向上倾斜一定角度,充分利用反射声,营造出强烈逼真的临场感,音场广阔,最适合家庭听音。
扬声器单元采用深圳产的Wizard AMA808 C-1低、中音单元和AMA108 Ti-2高音单元。前者为大磁体、长冲程的结构设计,振膜采用碳纤维材料经编织后涂覆环氧树脂制成,其特点是低音结实有力、瞬态特性极佳。后者是采用磁液冷却的钛球顶高音扬声器,改善了散热条件和阻尼特性,音质较纯,钛球顶高音单元更为清纯通透。两种扬声器的详细技术指标见表。

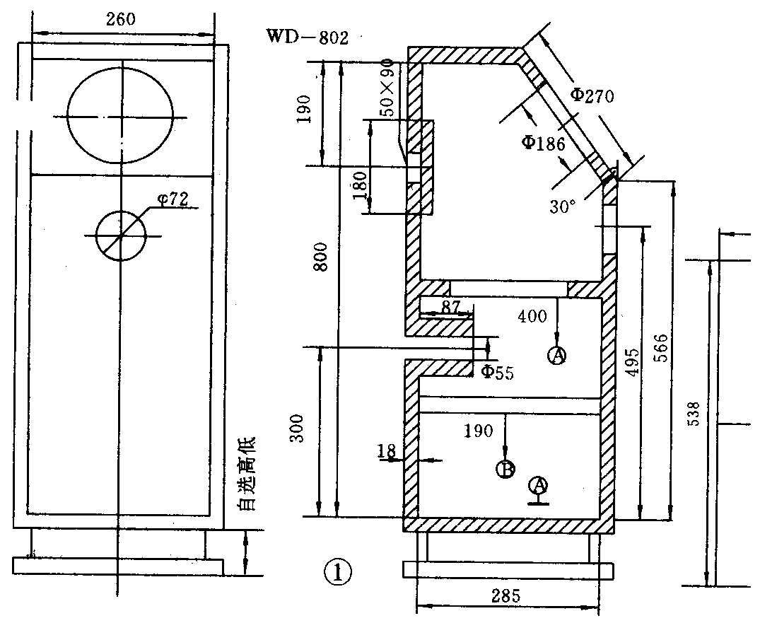
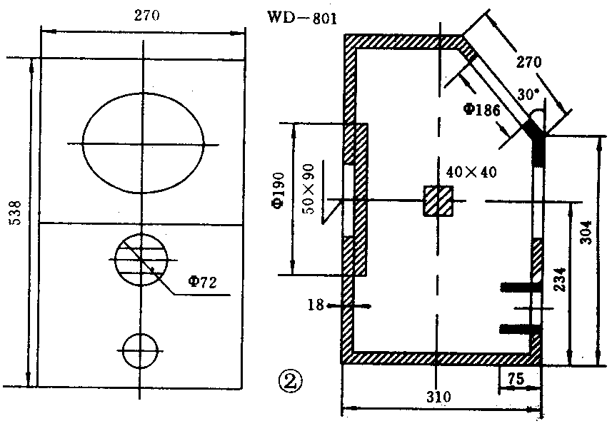
箱体结构图及具体尺寸见图1,这是厂家推荐的箱体结构之一,称为WD802型。另有一款WD801型,见图2,体积略小,制作方便,更适合于“发烧初哥”。照图制作时,要严格保证箱体的内部结构、尺寸。另外,还应特别注意以下几点:


1.箱体斜面的加固
采用木工咬口的方法,先咬口然后用刨子推成30°和60°角,最后再加镶条加固。如有可能可用2mm左右厚的钢板压成30°和60°两种角铁,打孔后用螺丝拧在箱体上,并涂胶使其封固。另外,厂家附送的螺丝略小,应加垫片使扬声器固定牢靠。
2.倒相管
用50.8mm的钢管,将内壁车成55mm直径,长度切成87mm。
3.外观处理
生产厂家为了降低造价,通常采用木纹不干胶贴面装饰音箱。笔者在实际制作中采用较厚的麻质装饰布贴于箱体表面,虽然造价略高,但可以减小箱体的反射和衍射效应,使重放出的声场完整、自然。
4.吸声处理
因AMA808 C-1磁体硕大,反射较多,所以在制作中用纤维棉将其包住,从而减小反射。箱内遍贴30mm厚的纤维棉作为吸声材料。两只音箱共需0.5公斤纤维棉。
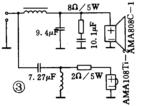
分频器用原厂的WD802专用分频器,为读者自制方便,特测绘如图3所示。电容为聚丙烯无感电容,电感采用直径1.2mm的漆包线绕制。

高性能的音箱,其电—力—声总系统的力谐振品质因数(Q\(_{0}\)值)必须足够低,才能保证放声稳压及瞬态特性良好。新出厂的扬声器,由于受制作工艺和材料性能等因素的影响,不能满足上述要求,所以,箱体制作完毕以后,每天需用大动态音乐信号煲箱两小时左右,历经一个月的时间,音箱逐渐成熟,声场日臻开阔。至此,这对音箱便可投入试听了。
试听器材采用SONY-297CD机,输出的信号不经任何处理,直驳自制的150W×2纯甲类功放,推动“煲透”的这对音箱。节目源采用《IMPACT》CD-2,这是一张由日本音响协会录制的音响效果片,其中第九段为巨型喷气客机起落,用此段来试音箱的大动态承受力再合适不过了。试听时,感觉划破空气的啸叫伴随一股气浪直扑而来,巨型客机由面前昂头冲入云霄。此时,AMA808C-1振膜的振动位移居然达到25mm以上,而丝毫没有擦圈、打底等现象,可见喇叭单元的质量相当过硬。随后又用《BLUERAIN COAT》、《蔡琴老歌》来试场面与人声,均达到了非常满意的效果。 (柳海平)