采用电脑的红外线电扇遥控器,电路结构简单,功能比较完善。它具有风速控制(弱、中、强3档)、风类选择(常风、模拟自然风两档)、定时选择(30、60、120、240分钟4档)及停止4种遥控功能。4种功能由发射器的4位指令键进行遥控,遥控距离不少于7米,且操作简便。
电路原理
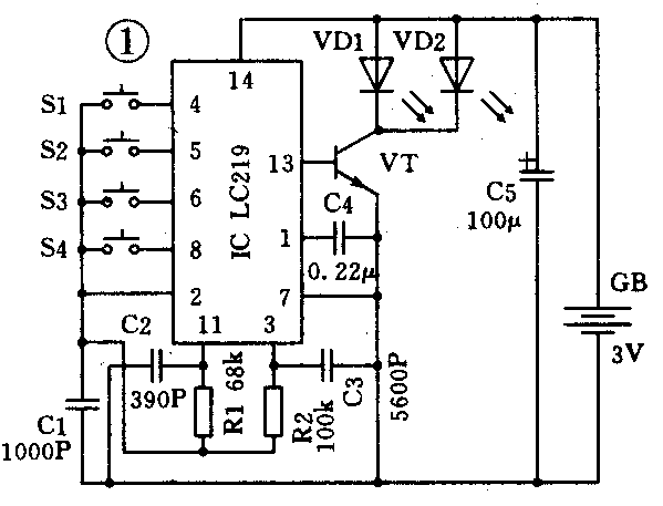
一、发射器:发射器的电路见图1。用一块集成电路LC219完成脉冲编码及调制载频振荡。当按动S1~S4中任何一只发射指令键时,LC219的输出端13脚便发出一对应的脉冲串,此脉冲串已由内部载频振荡器调制,其调制频率由外接的R1、C2决定,一般选为38kHz,通过改变R1可使载频振荡器的频率准确振荡于所要求的数值。LC219输出的经38kHz载频调制的编码脉冲串,经三极管VT进行功率放大后,驱动红外发光二极管VD1和VD2向外辐射光脉冲指令信号。

LC219的工作电压为2.5~6V,输出驱动电流≥2mA,静态工作电流<5μA。由于发射器的静态工作电流甚小,因此发射器不必设置电源开关,仅设4个指令键。
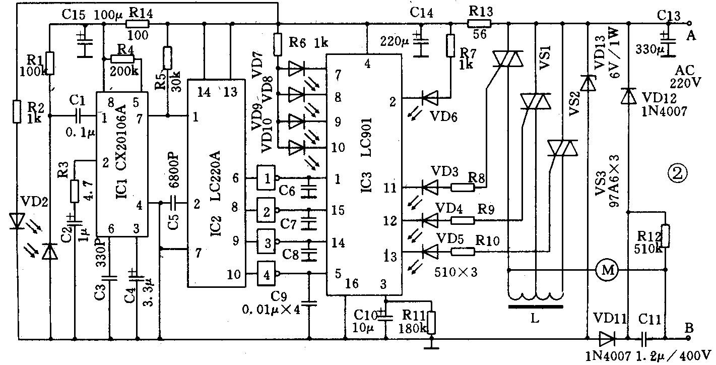
二、接收及控制器:电路见图2。当红外接收管收到编码光脉冲指令信号后,在红外信号前置放大器IC1的输入端1脚便得到一微小的电信号,经其内部的RC选频、放大、整形等环节,便在其输出端7脚检出编码脉冲。改变R4的阻值,可使选频频率在30~60kHz之间调节。

CX20106检出的编码脉冲,经IC2脉冲译码电路译码、驱动,分别由6、8、9、10输出(高电平)。这4路输出分别与发射器指令键按下时所发射的指令信号一一对应。
LC220A有两种输出方式——自锁与互锁方式,并由其13脚电平决定。当13脚接电源电压时,其输出为互锁方式,即任何时候只有一路输出为高电平,其余均为低电平。当13脚接1/2电源电压时,其输出为自锁方式。在自锁时,每一路输出在任何时候都可以是高电平,也可以是低电平,且每按动一次发射指令键,对应的输出状态就翻转一次。本电路的13脚接电源电压,其输出端工作于互锁方式,每按一次发射指令键,LC220A对应的输出端就输出一个正脉冲。
IC3是一种新型的多功能电扇控制电路。其1脚为风速控制端,15脚为风类选择端,14脚为定时选择端,5脚为停止控制端。以上4个控制输出端均为低电平有效。11脚为强风输出端,12脚为中风输出端,13脚为弱风控制端,7~10脚为定时输出指示端,分别指示30、60、120、240分钟定时时间,2脚为风类指示输出端,3脚为内部基准振荡器外接RC端,4脚为电源正端,16脚为电源负端。
遥控操作过程
1.当按动发射指令键S1时,接收电路中IC2的6脚输出一正脉冲,经反相变为负脉冲作用于IC3的1脚,其输出端11、12、13脚循环输出低电平,触发双向晶闸管VS1~VS3循环导通,使电风扇的风速随S1的按动,按强风、中风、弱风、强风……循环。同时,对应的VD3、VD4、VD5也循环发光,指示出相应的风速档。
2.当按动S2时,接收电路中IC2的8脚输出一正脉冲,经反相变为负脉冲作用于IC3的15脚,使电扇由常风变为模拟风。同时,IC3的2脚输出低频脉冲,使VD6闪烁,以表示此时为自然风。若再按动一次S2,电扇恢复常风,常风时VD6无指示。应当指出,无论风速处在哪一档,均可得到模拟自然风的效果,特别是弱风档的模拟自然风相当于微风,非常适合于老人和儿童。
3.当按动S3时,接收电路中IC2的9脚输出一正脉冲,经反相变为负脉冲作用IC3的14脚,使IC3工作在定时状态,共有4档。按一次S3,改变一档。定时时间依次为30、60、120、240、30……分钟,如此循环。选择某一档定时时,该档指示灯点亮,并开始计时,当定时时间一到,则切断电扇电源,同时全部指示灯熄灭。定时时间指示灯VD7~VD10分别指示上述4档定时时间。
4.当按S4时,接收电路中IC2的10脚输出一正脉冲,经反相变为负脉冲作用于IC3的5脚,切断电扇电源。此时无论电扇运行于哪一种状态,指示灯全部熄灭。
VD11~VD13、C11构成电容降压半波整流稳压电路,给整个接收机供电。采用电容降压,使接收机变得轻小,易于安装。由于电容发热甚小,故可长时间接于电网而安全工作。
采用电脑的红外线电扇遥控器的接收机可装于电风扇控制盒的空余处。发射器是装在有机玻璃制成的盒子中,其外形见图3。 (苏长赞)
