本电路采用了新颖的遥控集成电路LC219和LC220A,故简单可靠,性能优良,可控制6路家用电器的电源,使用十分方便。
电路原理简介:图1为遥控器电路。该电路由LC219及少数外围元件构成。当按下SB1~SB6的任何一个键时,集成块的脚便输出一串脉冲信号,该脉冲信号已经过集成电路内部载波调制,载波频率由脚所接的RC元件决定,取图中数值时。频率约为39kHz。LC219静态耗电极省,仅5μA左右,故不用电源开关。

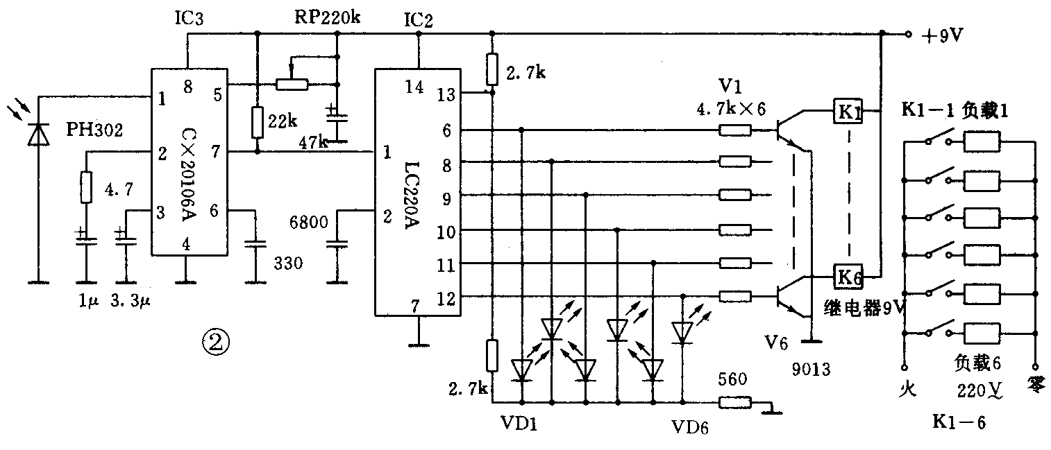
图2是接收电路原理图。光电接收管将接收到的红外线信号转化为电脉冲,经CX20106A进行处理后输出能为LC220A所接收的信号,经过LC220A内部进行输入缓冲、解码等一系列处理后,分6路由⑥⑧⑨⑩脚输出,每路与遥控器上的按键相对应。LC220A有三种输出方式:当脚接V\(_{DD}\)时,6路互锁输出;当脚接1/2VDD时,6路自锁输出;当脚悬空或接地时,6路全零输出。本电路采用了第二种方式。选通的通道输出高电平,与之相接的三极管饱和导通,继电器吸合,该路负载接通电源工作。同时,相应的发光二极管发光,指示工作状态。

元件选择:IC1和IC2选用配套遥控专用集成电路LC219和LC220A,IC3选用CX20160A或KA2184,红外线收发对管用SE303和PH302,继电器根据控制电压为9V、触点电流大于3A选用(每路负载功率可达600瓦左右)。
本装置发射电路无须调试,接收电路只须调节CX20106A第⑤脚上的RP,使其接收中心频率与发射器的载波频率相同即可。如无频率计,可用以下方法调试:将红外线收发管对准,按下发射器上的任一键,调节RP,使对应通道输出高电平,然后拉开距离,仔细调节RP,使电路能可靠工作即可。最后用蜡将RP封固。(朱海东)