为解除电话用户的后顾之忧,方便用户使用电话,笔者采取了在普通电话机上加装电子密码锁的方法。当主人需要使用电话时将锁打开;否则,人离时锁闭电话机。它具有保密性强、密码位数易扩充、一旦失密用户可以变更密码、操作简单、使用方便等特点,颇值电话机生产厂家参考。
密码锁电路组成及工作原理
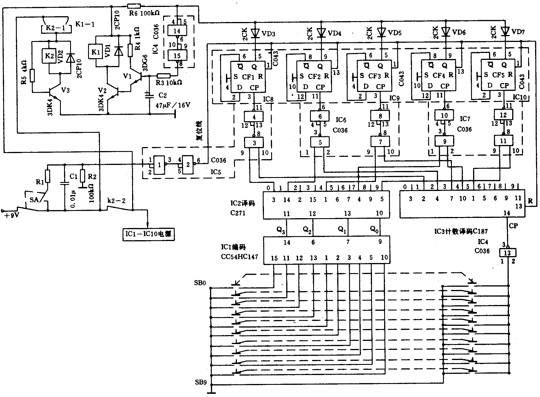
(1)电路组成:电原理图见图。它由复位电路(包括R2、C1组成的微分电路,IC5中的与非门1、2等),密码选择控制电路(包括10线——4线8421码编码器IC1,4线——10线8421码译码器IC2,二——十进制计数译码器IC3,D型触发器IC8、IC9、IC10,与非门IC6,IC7及IC5中的与非门3、4等),以及执行电路(包括V1、V2、V3两级晶体管开关电路,IC4中的与非门14、15等)三部分组成。

(2)电路工作原理:该机电路见上图。该密码锁由5位密码控制,共有105种密码可供选择,本电路密码假设为01479。读者从电路图中可以看出,只要改变IC5中的门3,IC6中的门5、门7、IC7中的门9、门11到IC2的连线即可很方便地改变密码,而且能够实现一般密码锁不具备的可重编码,如密码可编为22449等。同时只要适当增加与非门及D型触发器的数量就可扩充密码位数,最多可达9位密码。那么01479五位密码是如何被接收及控制执行机构的呢?
首先合上开关SA,电源通过R2、C1组成的微分电路使门2输出高电平,控制触发器CF1-CF5复位即Q端为低电平,IC3的各输出端也为低电平。准备工作完成后,门2又自行恢复为低电平,复位电路解除,这时就可以正确接收密码了。IC1接收0~9十个数码,IC3记录按下按钮的次数。按动按钮前IC3将门3、5、7、9、11封锁,以防触发器误翻转。数字按键SB采用双连式,可用时控制IC1、IC3。这就是01479密码被接收及控制执行机构的过程。其它错误密码均不能被接收。
安装实例
以HD-868-TP型按键电子电话机为例。在该机型中,发码集成块是IC101(CIC9140)。IC101的10端是控制发码的,所以将K2的常开接点K2-3接在10端,当K2—3闭合能正常发码;当K2-3断开,就切断号码发出电路。通过上述连线,就完成了密码锁控制电话机的过程。(胡容)