[编者按]为了便于在中学物理教学中讲解电流的流动方向和电容器的充、放电知识,本期介绍两种既简单实用又直观、形象的演示器。
模拟电流流向演示器
电流流动的正方向是从电源的正极经负载流到电源负极。由于电流的流向是看不见、摸不着的,所以,老师在给同学们讲电流流向课时,同学们很难一下子理解清楚。本演示器是巧妙地利用多只发光二极管追逐发光来模拟电流流向,使其形象、直观。

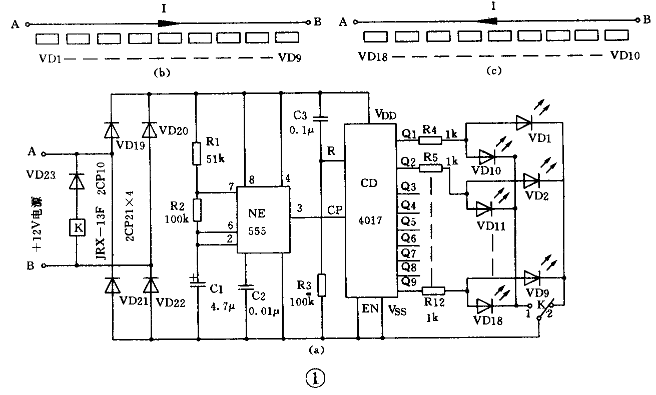
电路如图1(a)所示。二极管VD23、继电器K与VD1~VD9及VD10~VD18组成两组发光二极管自动转换发光电路。二级管VD19~VD22组成无极性直流电源接口电路,不管从A、B两端输入的直流电源极性如何变化,其接口电路输出端能始终保持上端为正极,下端为负极,使后级电路可靠工作。NE555、R1、R2、C1组成一个振荡频率约为0.5Hz的低频振荡器,用来给后级电路提供触发脉冲。VD4017、C3、R3组成脉冲计数电路,其中C3、R3为微分电路,迫使CD4017在每次接通电源瞬间自动清零,当A端接电源正极,B端接电源负极时,K不动作,其触点S与2端接通,使VD1~VD9与电源负极接通,低频振荡器输出的脉冲触发CD4017,使CD4017的Q1~Q9端分别输出高电平,发光二极管按照从VD1到VD9的顺序逐个发光,好似电流从A端流向B端,如图1(b)所示。当反极性连接时,即A端接电源负极、B端接电源正极时,VD23导通,K吸合,其触点与1端接通,VD10~VD18与电源负极接通,使发光二极管按照从VD10~VD18的顺序逐个发光,好似电流是从B端流向A端,即反方向流动,见图1(c)所示。
电容充放电演示器

本演示器能直观、形象地反映出电容器的充放电过程。电路如图2所示。集成电路SF3914是上海无线电七厂生产的一种10位发光二极管显示驱动器。SF3914与发光二极管VD1~VD10组成区间电压显示电路,调节RP1与R3,可使SF3914处于区间电压指示状态,RP2作为衰减器,使检测电压分压后输入到SF3914的5脚。作充电演示时,将开关S与1端接通,在接通的瞬间,由于电容C1两端电压不能突变,电压为零,使SF3914的5脚输入信号电压为零,SF3914内部的10级比较器不翻转,其输出均为高电平,VD1~VD10不发光。电源经RP4向C1充电,C1两端电压逐渐上升,当上升到一定电压值时,SF3914内部第一级比较器翻转输出低电平,VD1发光。随着C1两端电压不断上升,SF3914内部的比较器逐级翻转输出低电平,使VD1~VD10逐个发光,显示出电容器在慢慢地充电,当C1充满电时,VD1~VD10全部发光。做放电演示时,将S置于2端,C1上的电压经RP2和RP3慢慢地放电,其电压逐渐下降,发光二极管按照从VD10到VD1的顺序逐个熄灭,显示出电容在慢慢地放电。(程方晓 戴作辉)