时音记录器是一种类似于录音机的设备,所不同的是它在记录语音的同时,还可将当时的时间一同记录在磁带上。这种功能为不测事故、犯罪案例的分析以及试验参数等提出正确的结论,提供了带有准确时间的依据,使它在当今的航海、铁路、消防、公安、气象、军事、医疗、科研及证券交易所等部门成为一种理想的记录设备。如在机场,可记录指挥员和领航员的对话;在港口码头,可用于记载所属海区的通信;在边防,可守听和监听敌我通信;在医疗中,可记录各种信息。
本文将向读者详细介绍一种双声道四轨迹、电控录音机芯组成的时音记录器。
一、时音记录器的基本原理
采用一般卡式磁带录音机芯制成的时音记录器可做成双声道四轨迹,即在磁带一面只录一组时间信息和一组音频信息。这样当磁带走一面时可记录一组信息,反过来还可记录一组。也可做成四声道四轨迹,如图1所示,时间记录总是要占用一个声道,这样磁带只能使用一面,但它可同时记录三组话音信息。卡式磁带时音记录器对单人用户或只需记录少量信息的用户来说是非常方便的。它也可根据需要制作成单卡、双卡或多卡式,带速也可制作成低速、标准速或高速。

时音记录器主要由计算机控制电路和录音机电路组成,机器面板如图2所示。下面分别介绍这两大部分。

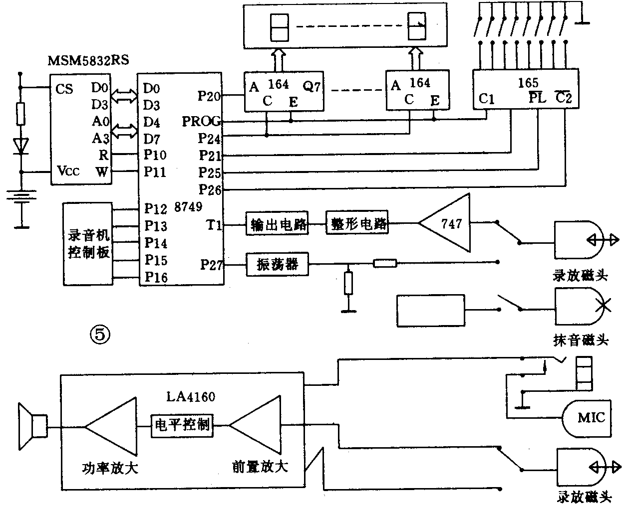
二、计算机控制电路的组成,如图3所示。

计算机部分是时音记录器的关键部分,也是主要部分。它可以由大家所熟悉的一种机型组成,如Z80、MCS—48、MCS—51等。我们向大家介绍的计算机部分是MCS-48系列的8749单片计算机芯片,它的特点是40脚双列直插式封装,CPU为8位,内部RAM为128个字节,内部程序存储器为2k×8EPROM,27根I/O接口引线以及一个8位的定时/计数器。由于介绍它的原理和使用的书籍较多,我们在这里就不作过多的介绍了。
计算机平时工作在定时中断状态,周期性地对按键、显示、录音机控制和时钟数据的读出进行扫描,对它们每一个相应的变化做出相应的反应。下面分别介绍各组成部分的作用。
1.按键和录音机控制电路:
时钟和录音机的控制按键电路是采用并入串出芯片74LS165完成的。由于控制量不多,我们仅用了一片74LS165,它可以输入8个开关量.它分别是:D1—功能键;D2—调整键,D3—停止键,D4—快退键,D5—快进键,D6—放音键,D7—录音键,D8—霍尔元件检查信号。这8个开关量平时不工作时为高电平即“l”状态,当某一位按下时则为低电平即“0”状态。这样计算机经过并一串转换后,就可读出相应位的工作情况。时钟的控制设计成与普通电子表控制方法一样,即按一下功能键,秒位开始闪动,表示处于调整状态,这时可通过调整键进行调整。当调整完毕时,再按一下功能键则分位开始闪动,以此类推,当循环到年后,再按一下功能键,则进入正常显示。这样就算是循环一周完成了一次校时钟工作、它的缺点是一旦进入调整状态后必须循环一周才能正常显示;优点是用键少,给结构设计和生产带来方便,而且与人们所熟悉的电子表一致。时间一旦设定后就不需经常调整,所以这种设计还是可行的。录音机的控制是通过相应按键的动作把信息送给计算机,再通过计算机去控制相应的电路使录音机进行快进、快退、停止、录音和放音动作。霍尔元件则是在录音机电动机转动后,检查送带轮是否转动,通过感应上电信号,告诉计算机录音机是否正在正常工作。当磁带走完时,送带轮打滑不转,这时霍尔元件也就没有感应信号产生,计算机就向录音机送出停机信号,使录音机停止工作。
2.显示:
显示采用7段数码管,根据自己的需要组成。我们用了6位数码管,采用两组转换显示的方法,即平时显示时、分、秒各两位,根据需要按一下调整键则转换显示年、月、日,反之亦然。这样可减少硬件的组成,但软件的工作量就大了一些。这种组成的重点是突出时、分、秒的显示,使它在整体结构上去掉了一些不太重要的东西。
显示电路采用6片串入并出集成电路74LS164与6位数码管组成,由于采用了串行通信使连线大为减少,控制关系简单明了。
3.时钟电路:
在技术上要求该时钟电路要与计算机有方便的接口,时间运行要精确,功耗要非常小,有利于减少备份电源的功耗。我们就选择了微型机中时钟卡上使用的MSM5832RS芯片,它是日本OKI公司生产的CMOS微处理机实时时钟芯片,与计算机接口方便。
4.时间录放部分
时间的录制电路包括集成电路NE555组成的一个电压控制振荡器,以及阻抗匹配电路和磁头偏磁电路。当计算机向集成电路NE555送出“1”电平时,集成电路NE555开始工作,输出端将产生一个1000Hz的周期信号,这样就将“1”为1000Hz、“0”为无信号录入磁带中。放录音时,磁头将信号取出送入放大器,经过滤波电路、整形电路,再送入计算机控制,组成时间信号送到显示器去显示。
三、软件组成:
在本系统中,软件的主要作用是:控制各部分的工作,即对按键进行采样、控制显示的内容以及根据录音机按键的操作来控制录音机的工作。另外,它还将控制时钟走时;在录音时将时钟信号送至录音机和在录音机放音时将时音信号取出送到显示器。
软件具体工作及步骤见图4流程图。

以上介绍了时音记录器中计算机组成部分,由于本机使用了单片机8749以后,不但省掉了外部存储器和锁存器,同时还省出了数据线D0~D7做为I/O口使用,显示和按键均采用了别具一格的串入并出电路74LS164和并入串出电路74LS165集成电路,使整个电路结构和设计都显得十分简单。
四、录音机部分:
录音机部分也同样采用了单片机结构电路,原理框图如图5所示。LA4160内含前置放大、自动录音电平控制(ALC)电路、静噪声抑制电路和功率放大器,具有放大增益高(AV0=85dB),输出功率大(V\(_{CC}\)=9V,THD=10%,2.2W),ALC控制范围宽及电源开关时冲击噪音小等特点.采用该集成电路后使电路的设计简单,生产也容易,同时可靠性也大为提高。由于时音记录器的录音机部分与普通录音机电路一样,加上介绍录音机电路的资料也已很多,在这里就不作过多的介绍。

本文已向读者介绍了一部单声道、单卡电控录音机芯组成的小型时音记录器,虽然这部机器的电路组成较为简单,但已包括了时音记录器的所有基本功能。如果将单声道机芯改为多声道机芯,将单卡改为多卡或多机芯,显示位增加以扩大数据内容的显示,增加自动控制功能等,它的应用领域将更大。(赵林初 方雪娥)