DT930F系列数字万用表包括DT930F、DT930F+、DT930FG三种型号,三者的整机电路原理相同。它们均属于高精度、多功能、4\(\frac{1}{2}\)位(最大显示值为±19999)数字万用表,是理想的更新换代产品。
这类仪表不仅可以测量交、直流电压及电流、电阻、二极管正向压降U\(_{F}\)、晶体管放大系数hFE,而且又增设了电容档、频率档及测高组的电导档。此外,还增加了读数保持(DATA HOLD)键。DT930F系列数字万用表以DT930F+的准确度最高,该表的分压器采用高精度、高稳定性的集成化网络电阻,可作为0.1级标准仪表使用。以直流电压档的基本准确度为例,DT930F和DT930FG均为±0.1%,而DF930F+为±0.04%。
电路原理
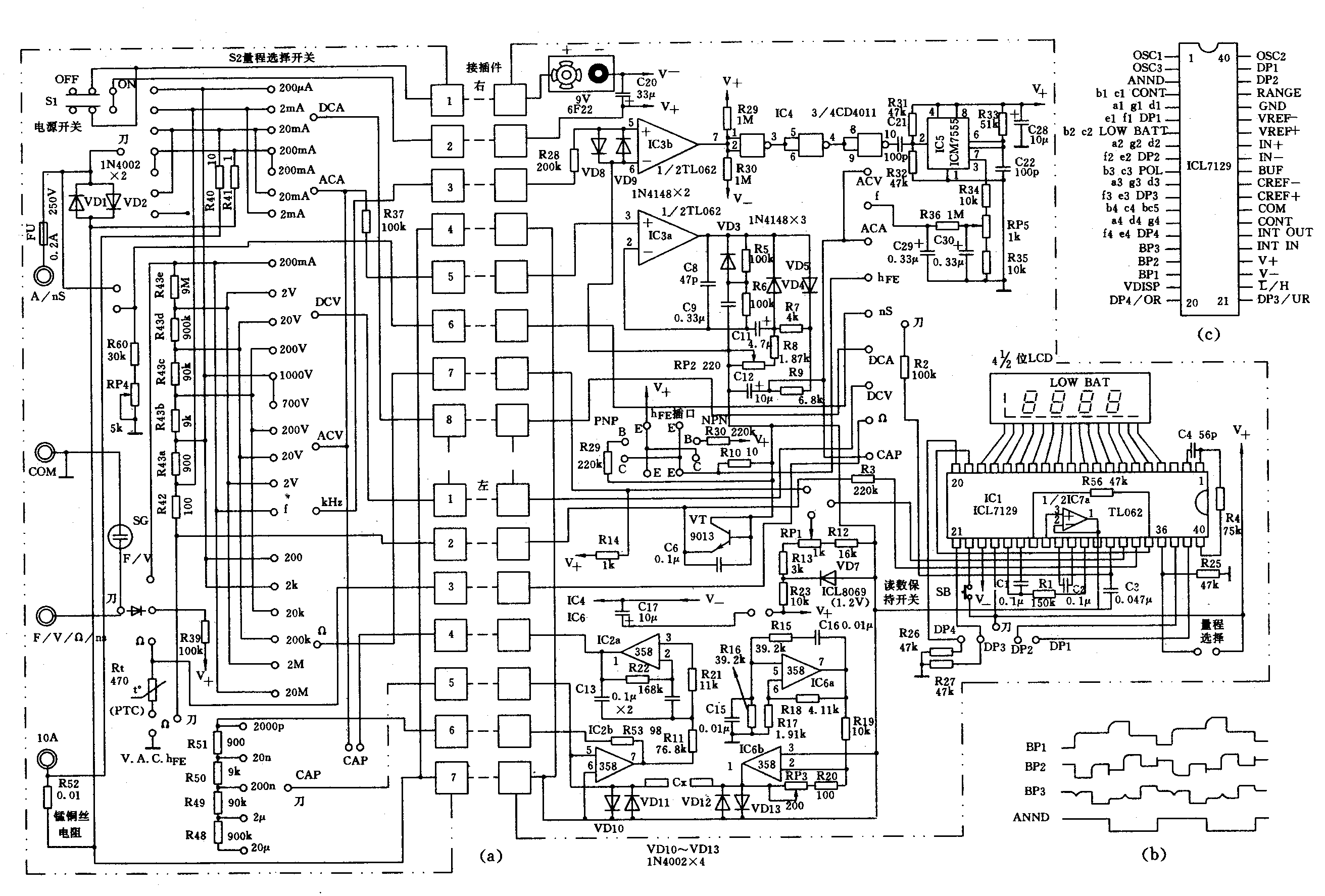
DT930F系列产品的总电路如附图a所示。它主要由ICL7129型单片4\(\frac{1}{2}\)位A/D转换器、41;2位LCD液晶显示器及外围电路组成。

1.ICL7129型412位A/D 转换器
DF930F系列所采用的ICL7129型A/D转换器在积分电路上作了重大改进,采用逐次(多重)积分、数字调零等先进技术,使其准确度高达±0.005%。ICL7129具有200mV和2V两个基本量程,最高分辨力为10μV。芯片可提供超量程、欠量程、电池低电压指示、负极性指示、标志符驱动等多种信号。采用9V叠层电池供电时,工作电流仅lmA,典型功耗为9mW。它能以多路扫描方式直接驱动412位液晶显示器。
ICL7129采用40脚双列直插式封装,管脚排列见附图C,其管脚功能不再赘述。现需作几点说明:①7129的小数点选择方式有自动/手动两种。20、21、38、39脚为手动选择输入端,将其中某一脚接高电平,即可使相应小数点亮。自动选点时则由量程设定。②20、21、22、27脚均为双向输入/输出端。不作输出时,应接V+或GND,使它失效。③7129采用数字调零,不需外接自动调零电容。
7129由模拟电路和数字电路两大部分组成。模拟电路包括缓冲级、积分器、比较器和多路模拟开关。数字电路主要包括时钟振荡器、控制逻辑、时序计数/多路扫描、加/减可逆计数器、锁存/译码/多路扫描驱动器。
2.412位液晶显示器
7129所配专用的4\(\frac{1}{2}\)位液晶显示器带单位、符号显示,有3个背电极,采用1/3偏置的时分割法驱动LCD。每个背电极与段总数的1/3接通。液晶显示器一般用100Hz左右(与时钟频率有关)的交流方波电压驱动。当段驱动信号与背电极电压波形的相位相反时,该液晶笔段的两端即加上电位差而发光。与静态驱动相比,采用时分割法能大大减少驱动线,驱动41;2位LCD时只需12根驱动线。
标志符驱动端ANND输出的方波信号,与背电极BP1-BP3的频率相同。附图b示出这4个输入端的时序波形。
3.外围电路
DT930F系列数字万用表的外围电路可参见附图a。
4\(\frac{1}{2}\)位A/D转换器的外围电路中R1、C1分别为积分电阻和积分电容。C2是基准电容。时钟振荡器由R4、C4及芯片内部的反相器构成。选R4=75kΩ,C4=56pF时,f\(_{0}\)≈0.455/R4·C4≈120kHz。仪表的测量速率约为2次/秒。
常态下量程选择端(36脚)呈低电平,基本量程为200mV,该端接V+时为2V量程。C3为输入端高频滤波电容。基准电压由1.2V基准电压源VDT(ICL8069)提供。200mV及2V量程的基准电压均为1.0000V。仔细调整精密多圈电位器RP1,可使V\(_{REF}\)达到规定值。
功能转换电路共使用了5片集成电路(IC2~IC6),可构成交流/直流、频率/电压、电容量/电压转换器,此外还包括分压器、分流器、保护器等辅助电路。
测电压时由精密电阻R42、R43a—R43e组成分压器。测交流电压需增加AC/DC转换器,现利用IC3a(TL062双运放中的一半)和二极管VD4、VD5作线性整流,再经C12滤波后得到平均值电压。
测电流时,由R52、R40和R41构成分流器。该仪表采用比例法测电阻,各档的标准电阻分别由R42、R43a~R43e代替。标准电阻上的压降作为7129的基准电压,被测电阻RX上的压降即输入电阻。
频率测量电路由IC3b(1/2TL062)、IC4、IC5构成。被测频率信号经IC3放大和削波整形变成矩形波。VD8、VD9为双向限幅二极管,起过压保护作用。CD4011中的二输入端与非门作反向器用,起缓冲作用。CMOS定时器7555则完成f/V转换。
电容测量电路由IC2、IC6两片LM358双运放组成。其中IC6a构成文氏桥振荡器,振荡频率约为400Hz。IC6b和IC2b为放大器,IC2a为有源滤波器。有源滤波器的输出电压与被测电容量成正比。
测试与维修
1.测试方法
①将量程选择开关拨至直流200mV档,将输入端短路,此时显示值应为-000.03~+000.03mV(DT930F+)或-000.10~+000.10(DT930F、DT930FG)。
②在直流200mV档输入100mV标准电压,调整RP1便显示值为99.99~100.00mV或100.00~100.01mV。然后检查其余电压档。在2V、20V、200V和1000V档分别输入1V、10V、100V、1000V直流标准电压,可再微调RP1使各档满足指标。
③由交流电压发生器输出40~400Hz、100.00mV±0.05%的纯正弦波电压,加至f/V/Ω与COM输入接口上。调整RP2使交流200mV档的显示值为99.82~100.12mV(DT930F+)或99.77~100.23mV(DT930F、DT930PG)。
④拨至2000pF档,在未接入被测电容时,仪表的稳定读数不应超过10,即附加初始电容不得超过1pF。然后输入1000pF标准电容,调整RP3,使显示值在1000.8~1001.9之间。最后调试其余的电容档。20nF、200nF、2μF、20μF档分别用10nF(0.01μF)、100nF(0.lμF)、lμF、10μF标准电容校正。
⑤调试频率测试档。将量程开关拨至kHz档,输入一个19kHz、40mV的基准频率信号,调整RP5使显示值为18.990~19.101kHz。再改变输入信号频率为10kHz、1kHz、100Hz、10Hz,可适当调整RP4,使显示值符合要求。
2.检修要点
①调试仪表时要求环境温度为23±15℃,相对湿度<75%,否则会引入附加误差。
②DT930F系列仪表,每年应校验一次。在调整基准电压时,最好用一台512位的数字电压表监测。
③当仪表各档均不能正常测量时,首先应检查9V电池的电量是否不足,电池夹有无锈蚀。其次重点检查直流200mV档的正确与否,只要该档正常,说明IC7129没有问题。直流电压档故障大多属于量程选择开关接触不良、分压电阻变值而造成的。交流电压档应重点检查IC3a、及其外围电路。倘若快速熔断器烧断或者是VD1、VD2被击穿短路,电流档将无法测量。200Ω电阻档误差较大,主要是开关或引线接触电阻过大引起的。对于频率档的故障,通常是RP5滑臂脱开或IC5损坏所致。当IC2和IC6之中有一个损坏时,就会影响电容的测量。
④工频干扰是造成仪表跳数的原因之一。DT930F系列选时钟频率f\(_{0}\)≈120kHz,使抑制60Hz交流电的能力增强。必要时可将R4(75kΩ)改为91kΩ,使f0≈100kHz,恰为50Hz的整数倍。(沙占友)