SEG-2000P特技机是SONY公司早期生产的视频设备。目前在我国中小城市电视台及部分单位的有线电视台拥有量比较大。这种特技机外键叠的字幕不能镶边,在屏幕上的字符不醒目也没有立体感,使观众看起来很不舒服。因此给SEG-2000P增加外键叠字幕镶边很有必要。在SEG-2000P机外附加一电路就能达到这一目的。
在了解镶边原理之前,先说明该机外键叠字的原理。从EXT KEY IN接头输入的键信号控制一个开关,当键脉冲到来时开关将B母线(背景母线)的信号抑制,同时将A母线(插入母线)信号加进被抑制的部分。这样就在背景画面上加进了字幕。镶边电路是根据SEG—2000P外键叠字原理的特点设计的。即将背景图像信号被抑制的部分加宽,而将插入部分变窄,这样在画面上看,图像中加的字符就被镶上了黑边。
1.电路分析
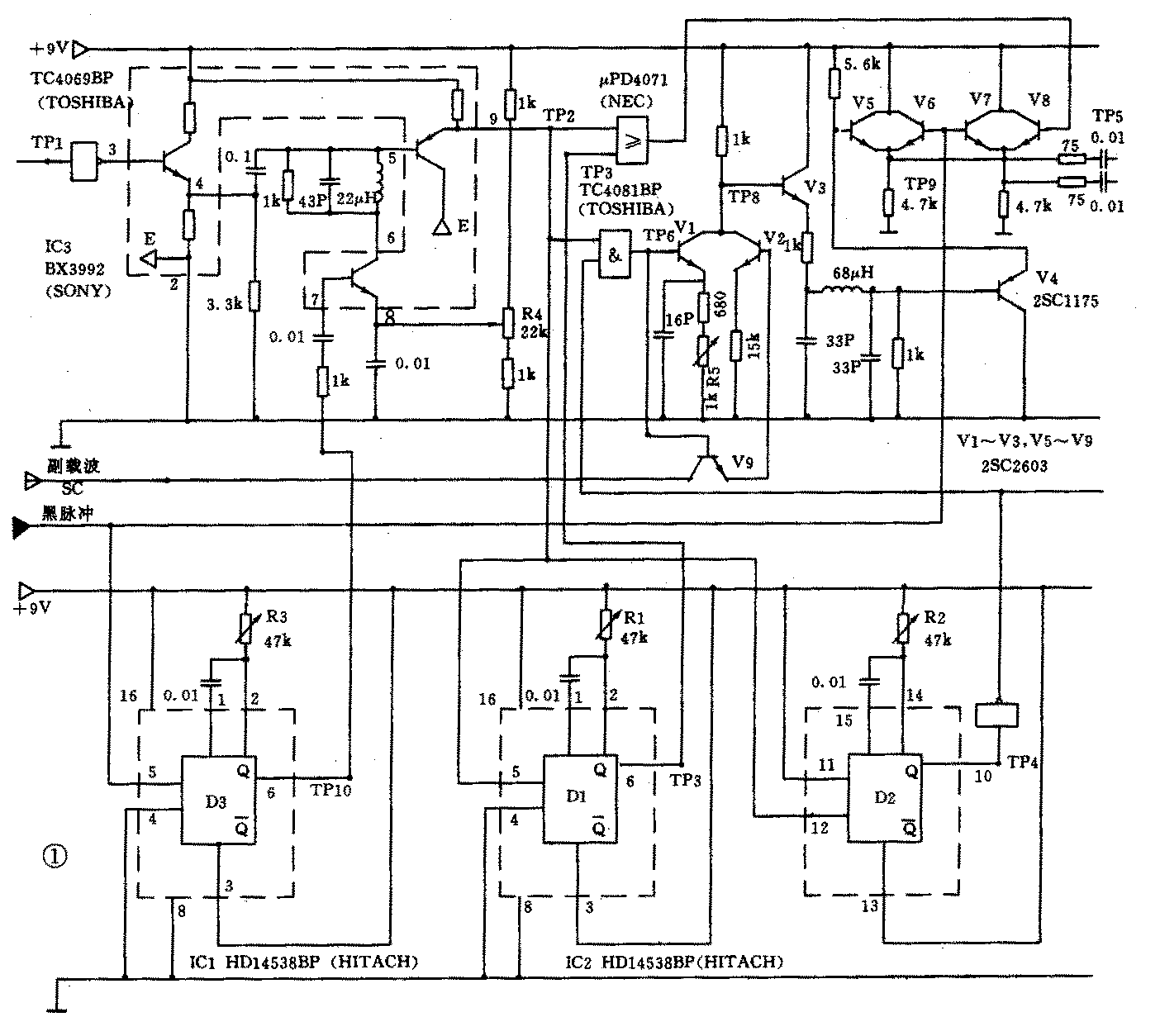
摄像机摄取的字符信号从TP1输入(见图1),经过一级缓冲器,进入同步抑制电路(由IC3组成)进行去同步处理。由于在后面的电路中对脉冲信号都要进行处理,为了使输出信号同步头不被破坏,在信号处理前将同步信号去掉,信号处理完成以后加进同步信号再输出。同步头被抑制的TP2脉冲信号分别进入两个单稳态触发器D1和D2(由IC2组成)。D1以下降沿触发并得到TP3脉冲信号,TP3的脉冲宽度可以用电位器R1调整。D2以上升沿触发并得到TP4脉冲信号,TP4脉冲宽度可以用R2调整。TP3脉冲与TP2脉冲同时经或门得到TP5脉冲信号。TP4脉冲经过反相以后与TP2脉冲同时进入与门后又得到TP6脉冲信号。TP5脉冲信号送到加法器(由V7、V8组成)中加上同步头(黑脉冲)得到TP7脉冲信号。TP7信号作为键信号送到SEG-2000P的“EXT KEY IN”接头上。TP6脉冲经混合器(由V1,V2组成)加上副载波得到TP8脉冲信号,再进入加法器(由V5,V6组成)加上同步头得到TP9脉冲,作为插入信号输送到SEG—2000P的一个线路输入(LINE IN)接头上。TP1~TP9各点波形如图2所示。从图2中看出TP7健信号比TP9插入信号宽一些,前面宽一个TP4脉冲,后面宽一个TP3脉冲。这样在画面上看,就在字的前后加上了黑边。前后边的宽度分别由R2和R1调整。由于TP9插入信号字脉冲上带有副载波,所以,字可以是白色或彩色的。


2.制作与调试
(1)制作:根据图1原理图制作一块印制板,再按图选出合适的元器件焊上去,检查无误后方可通电。图中+9V电源引自CM—11A板(SEG-2000P内)TP1点,黑脉冲(BLACK PULSE)引自CM-11A板的TPll点,副载波(SC)引自CM-11A板的TP6点,印制板的地与SEG-2000P的直流地接通。
(2)调试:准备一台摄像机,一台SEG-2000P特技机,一台彩色监示器,一台双踪示波器。将摄像机拍一白底中间为黑色竖条的图案,彩监接SEG-2000P的PGM接头。按下述步骤进行。
①用示波器观察图1中TP1脉冲信号,用黑脉冲为触发信号。
②调整同步抑制脉冲宽度:将示波器A通道输入黑脉冲信号,B通道输入TP10点(D3的6脚)信号。用黑脉冲作为示波器的触发信号,比较两个信号。调整电位器R3,使TP10点脉冲信号宽度稍宽于行同步前沿到色同步后沿的宽度。
③调整同步抑制电平:将示波器接TP2点,调整R4,使被抑制部分的电平为消隐电平,即调整到TP2点的波形。
④调整字脉冲前边与后边的位置:示波器分别接到TP7点和TP6点再调整R1和R2,在示波器上可以看到TP7脉冲的后沿在移动,在监示器上可以看到字符的后边宽度在变化;同样可看到TP6脉冲的前沿在移动,在监示器上可以看到字的前边宽度在变化。这两电位器装在面板上,可以根据字的大小来调整镶边的宽度。
⑤插入字脉冲的电平调整:示波器接到TP9点调整R5,在示波器上可看到字脉冲电平上下移动,在监示器上可以看到字在变暗或变亮。这个电位器装在面板上。
上述调整完成后,此电路可以作为SEG-2000P的外键字幕加边器。当不需要时可将摄像机摄取的字信号直接输到SEG-2000P的“EXT KEY IN”接头上。(王宏 许新光)