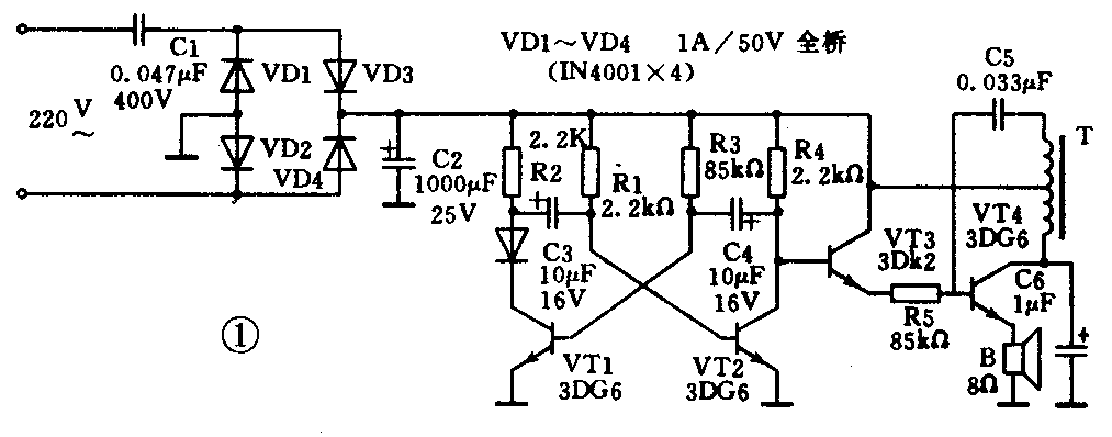
(焦秋雨)一般在停电以后,我们常通过开关电灯来检查是否来电,不仅麻烦,还易误事。本文介绍的供电讯响器可在来电后发出声音和闪烁光,提醒人注意。供电讯响器的电路如图1所示,它由整流滤波、脉冲振荡及音频振荡等3部分电路组成。电路可焊在如图2所示的印板上。调试印板上有高压故应十分小心。


(焦秋雨)一般在停电以后,我们常通过开关电灯来检查是否来电,不仅麻烦,还易误事。本文介绍的供电讯响器可在来电后发出声音和闪烁光,提醒人注意。供电讯响器的电路如图1所示,它由整流滤波、脉冲振荡及音频振荡等3部分电路组成。电路可焊在如图2所示的印板上。调试印板上有高压故应十分小心。

