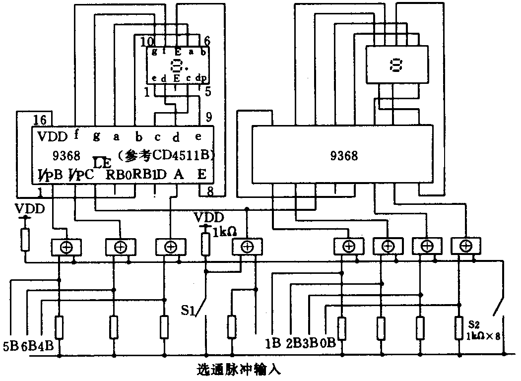
图示电路可将美国标准信息交换代码编码(ASCII码)键盘的输出译成十六进制表示,如按压键“a”在显示屏上将显示“61”H。

键盘输出的数据位0~6(图中0B~6B)和选通脉冲通过相应的异或门时便构成条件反相器。在图中两个开关(S1、S2)都断开的情况下,输入通过异或门后就被反相;当两个开关都闭合时,通过后便不反相。
对于正逻辑键盘来说,锁定开关(S1)应当断开,而数据开关(S2)应当闭合,因此,带有开关的异或门允许锁定任意数据,但要与数据逻辑电平相适应。(周联升 编译)
图示电路可将美国标准信息交换代码编码(ASCII码)键盘的输出译成十六进制表示,如按压键“a”在显示屏上将显示“61”H。

键盘输出的数据位0~6(图中0B~6B)和选通脉冲通过相应的异或门时便构成条件反相器。在图中两个开关(S1、S2)都断开的情况下,输入通过异或门后就被反相;当两个开关都闭合时,通过后便不反相。
对于正逻辑键盘来说,锁定开关(S1)应当断开,而数据开关(S2)应当闭合,因此,带有开关的异或门允许锁定任意数据,但要与数据逻辑电平相适应。(周联升 编译)