本电路采用新型通用遥控集成电路LC219/LC220A以及红外接收专用前置放大器CX20106A,就非常简便地构成了红外遥控6路电源开关配电板。它具有较好的性能价格比。适于在家庭办公室、会议室等场合应用。
工作原理
发射电路见图1。LC219是脉冲编码遥控发射集成电路,当按下发射指令键SB1~SB6中任何一键时,其输出端13脚便输出一对应的脉冲串,此脉冲串已经LC219(内部载频振荡器调制,频率为38kHz,此频率由R1、C2确定。发射器仅用一片电路就完成了脉冲编码及载频振荡。

LC219的工作电压为2.5V~6V;输出驱动电流≥2mA;总静态电流<5μA。由于静态电流很小。因此,发射器不必设电源开关。
LC219发出的脉冲冲指令信号由晶体管V进行放大后驱动红外发光管VD向外辐射红外光脉冲。
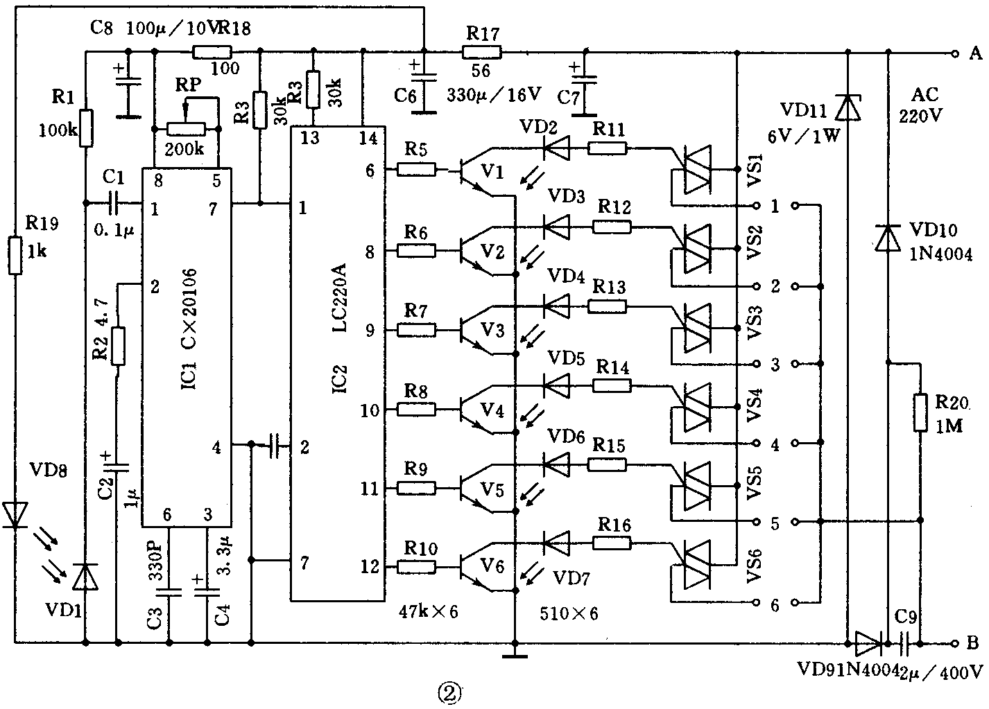
图2为红外接收及开关电路。IC1为红外接收专用前置放大器CX20106A,由于该电路采用RC有源带通滤波器,不需外接电感,可避免外界磁场的干扰,其可靠性优于μpc1373。改变其5脚电阻,可使带通滤波器的中心频率在30kHz~60kHz之间调节。由红外接收管收到的红外光脉冲指令信号,经IC1放大、选频后,最终由其7脚将编码脉冲检出,送到后面的脉冲译码电路。

由图2可见,VD8等构成红外接收管VD1的光偏置电路,用以克服VD1在无任何光照情况下的死区。实验证明,增设光偏置,对于提高无任何光照(黑夜)情况下的遥控距离是非常有效的。
脉冲译码由IC2(LC220A)担任。当其输入端1脚有脉冲信号输入时,经其译码后,分为6路再经内部输出驱动电路,分别由其6、8、9、10、11、12脚输出,高电平有效。这6路输出分别与发射指令键SB1~SB6按下时所产生的指令信号成对应关系。
LC220A的6路输出有自锁与互锁两种输出方式,且由其13脚电平决定:(l)当13脚接到VDD/2(VDD为电源正电压)时,6路输出独立,互不影响,且每一路输出都有两个稳态,每按一次发射指令键,对应的输出端状态就翻转一次,这种输出为自锁方式;(2)当13脚接VDD时,6路输出中任何时候只有一路为高电平,即每按一次发射指令键,对应的输出端就变为高电平,其余均为低电平。这种输出方式为互锁方式。在本装置中,我们将13脚接到VDD/2(通过30kΩ电阻接到VDD),构成自锁工作方式。
6路输出经晶体管V1~V6进行功率放大后驱动双向晶闸管VS1~VS6构成的无触点开关的导通与关断。R11~R16为触发限流电阻。发光二极管VD2~VD7串在触发回路中,流过触发电流,非常方便地指示出VS1~VS6的工作状态。
1~6号为受控的电源接线端子,可根据需要去接吊灯、壁灯等各种灯具以及电风扇、空调器等电器。
VD9、VD10、VD11、C9构成电容降压、半波整流稳压电路,由于电容基本上不发热,故可长期安全地接于电网工作,且体积小重量轻,便于安装。C7、R17、C6为译码集成电路IC2的π型滤波电路;C6、R18、C8为前置放大器IC1的π型滤波电路。它们使系统工作稳定。
元器件选用
发射电路中,VD用SE303AΦ5mm圆型红外发射管。V用CS9013,β≥100。SB1~SB6用导电橡脉键盘,也可用5×5mm或6×6mm微型轻触开关。GB用两节5号电池。
接收电路中,VD1用PH302方型或Φ5mm圆型红外接收管,圆型较方型灵敏度高些。IC1可用KA2184代用,V1~V6用CS9013或CS9014,β≥100。VD2~VD7用Φ5mm发光二极管,颜色任选。VD8用Φ3mm发光二极管,要用红色的。VS1~VS6用TLC226、TLC336等3A/400V或3A/600V的双向晶闸管,可控制400W以下的负载。当然可根据需要选用额定电流不同的晶闸管。VD9、VD10用1N4004或1N4007。VD11用6V~7.5V/1W硅稳压管。C9用1.8μF~2.2μF电扇电容或绦纶电容,峰值耐压要大于400V。
调试与安装
电路调试较简单,按动发射器任何一键,接收电路中对应的晶闸管应导通,并由对应的发光管指示。若发现不动作或遥控距离太近,可微调发射器中R1,使发射与接收频率一致。必要时也可调节接收电路中IC1的5脚电阻RP,使遥控距离最远,一般可达7米以上。
若发现电路工作时对收音机有干扰,这是由于晶闸管导通不完全所致,可适当减小对应的R11~R16,使晶闸管完全导通,即1~6号各端子受控电压与A、B端进线电压相等。但R11~R16不宜过小,使晶闸管全导通即可。
另外,还需注意,由于电路采用电容降压,调试时一定要小心,人体不得触及带电线路,测试时,表棒绝缘一定要可靠,以免发生危险。VD11一定要焊牢不得开路,以免电路供电电压升高,损坏器件。
VD1的偏置光源安装在其下方,见图3。

遥控电源开关配电板外形如图4所示,用塑料、有机玻璃等绝缘材料制成,面板用乳白色有机玻璃较好。6只发光二极管安装在面板上,红外接收管处要开一窗口,并贴上一红色有机玻璃。
A、B及1~6号接线端子可用成品卡式接线卡或接线排。
配电板安装时,面板前不要有较大的遮挡物,可安装得稍高一点,以方便遥控。(苏长赞)