本文介绍一个适用于车辆模型的大功率调速器,可与输出脉冲周期为20ms、脉冲中心宽度为1.5ms正负变化0.5ms的比例遥控设备配套使用,实现对动力电机的无级调速及正反转控制。电路中设有电池电压检测电路,能有效地防止电池过放电造成电池损坏及模型失控。
调速原理:如图1所示,从接收机送来的周期为20ms中心脉宽1.5ms正负变化0.5ms的脉冲,通过比较展宽、功率放大,给电机输入一个驱动信号,实现电机无级调速。不同速度的波形如图1(b)所示,当加在电机两端的脉冲其宽度较小时,即占空比较小时,流过电机的电流持续时间较短,电机速度也较低。随着占空比增大,速度也增加,当占空比达到100%时,电机也达到最高速度。这种开关式调速器具有损耗小、调速范围宽等优点,很适合车辆模型使用。

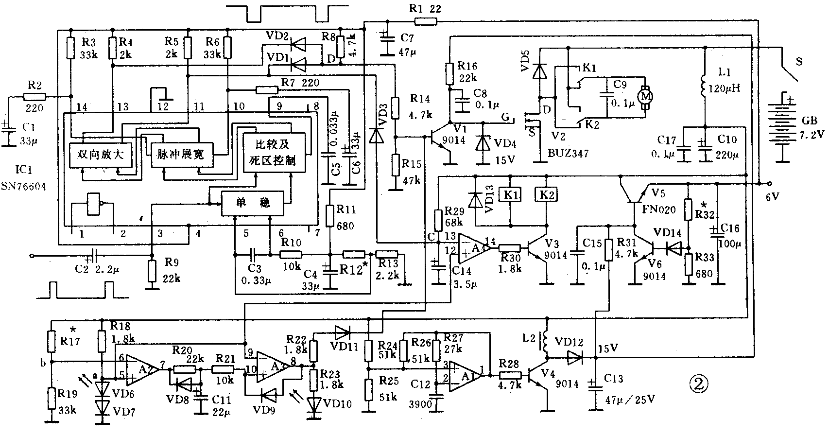
电路原理:见图2;比较、脉冲展宽、放大等由一块舵机专用电路SN76604完成。从接收机送来的脉冲通过C2分两路,一路到比较器,一路触发单稳电路。单稳电路输出1.5ms的固定参考脉冲也送到比较器,由比较器将输入脉冲与参考脉冲相加,产生偏差脉冲,再经脉冲展宽放大,从11、13脚输出。当输入脉冲大于1.5ms时,13脚输出一个相应展宽的负极性脉冲,小于1.5ms时,11脚输出一个相应展宽的负极性脉冲。11、13脚输出的脉冲跟输入脉冲成比例地变化,占空比变化范围约从10%至100%。11、13脚输出的负极性脉冲通过由VD1、VD2、R8组成的或门到V1进行倒相放大;输出幅度约为15V的正极性脉冲到V2,使V2能充分导通。C5为死区控制积分电容。

正反转控制电路是由运放A4、V3、K1、K2等组成的。平时,C14通过R29充电,C点电压大于a点电压,A4输出低电平,V3截止,K1、K2释放,电机正转。当输入脉冲小于I.5ms时,11脚输出的负极性脉冲使VD3导通,C点电压小于a点电压,A4输出高电平,V3导通,K1、K2吸合,电机反转。适当选择C14、R29使其充放电周期大于20ms,以防止继电器抖动。VD3也可根据需要接到13脚。
电池电压检测电路由运放A2、A3组成,R18、VD6、VD7提供2.5V参考电压,其中VD6作电源指示。当电池电压大于6V时,b点电压大于a点电压,A2、A3输出低电平,VD11截止,不影响V1正常工作。当电池电压小于6V时(6节镉镍电池放电终止电压),b点电压小于a点电压,A2输出高电平,C11经R20开始充电,约0.5s,A3也由低电平上升到高电平,并由VD9锁定在高电平(这时即使电压回升,A3仍输出高电平,只有切断电源才能复位),VD11导通,V1饱和导通,V2截止,中断电机工作。这样不但可有效地防止电池过放电,延长使用寿命,还可以防止因电池电压过低使接收机舵机工作异常,造成模型失控损坏。设置0.5s延时,是为了防止电机起动时造成瞬间电压降低而产生误动作。VD8可将A2瞬间输出高电平对C11的充电迅速释放。延时时间应根据模型所用电池容量及电机耗电情况通过试车决定。时间过长,不能及时中断电机工作,电压下降过多,会造成整个电路工作异常;时间过短,可能会因电机起动造成误动作。VD10作放电终止指示。
因为功放级采用VMOS功率场效应管作驱动元件,其栅极需10V以上电压,而一般车辆模型电源只有7.2V,所以电路由A1产生4kHz方波,经V4放大,在电感L2两端产生较高的脉冲电压,经VD12整流、C14滤波,供电压放大及稳压电源使用。
V5、V6等组成低压差稳压电源向IC1及接收机方向舵机等供电。当电池电压大于7V时输出稳定的6V电压,小于7V时作为一个有源滤波器工作。
安装调试 元件按图2所标数值选择,电阻用\(\frac{1}{16}\)W,电容也应尽量选用小型。L1用色码电感,工作电流不应小于500mA。L2用一般袖珍收音机输入变压器初级绕组,次级不能短路。V2用BUZ347,开态电阻(导通电阻)应尽量小些,可降低损耗,必要时可用两只管子并联工作(印板留有位置,可安装两只管子),VD5电流应不小于电机工作电流,其余二极管均用1N4148。FN020是2W、800mA中功率达林顿管,可用参数接近的其它达林顿管代替。继电器使用线圈电压6V、触点电流8A的4088型继电器。
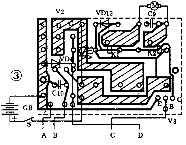
印板见图3。由于车辆模型安装空间较小,所以印板设计成两块,便于在模型上安装。电池连线应按图中位置去接,不要随意改动,防止形成干扰。电池到调速器、调速器到电机的连线应尽量缩短,并用较粗导线。图4是安装图。


整机静态电流约25mA。如果此电流过大,在其它部分正常情况下,可能是升压电路有问题,可通过调节R27或C12改变A1振荡频率来解决,调节时要求整流输出电压不小于15V而电流最小。调节R32使稳压输出6V。用示波器观察D点,在输入脉冲为1.5ms时,调节R12使D点无输出。改变输入脉冲宽度,使其沿中心作正负0.5ms变化,脉冲占空比应在10%至100%范围变化。如果达不到100%,可调节R2、R7。调节R17使当电池电压小于6V时,A2输出高电平,大于6V时输出低电平。
V2、K1、K2最大驱动电流选在10A较合适。如果所用电机电流超过10A,考虑到损耗,最好用两只BUZ347并联工作,并选用触点电流更大的继电器。
线路板在调试成功后才可装入模型,在装入模型后一定要细心检查个部分的连线是否正常,以及线路板是否与模型金属部分接触。防止造成短路。(吕省军)