电子节能霓虹灯变换器具有功耗低,体积小、重量轻及造价低的特点,其造价仅为传统铁心式变换器的50%左右。传统型霓虹灯变换器点亮一根直径为7~7.5mm的霓虹灯管,每米需功耗23.5W,功率因数仅为0.5;电子霓虹灯变换器最大输出功率85W,能点亮8~12米霓虹灯管,每米管子仅需功耗8W左右,功率因数高达0.9。
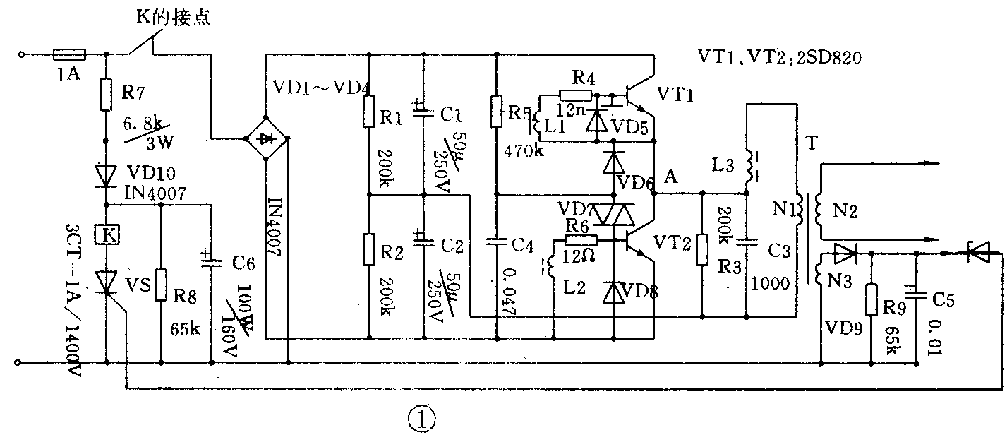
电路原理 电子霓虹灯变换器工作原理见图1。市电交流220伏经整流和滤波后供给振荡电路。电阻R5、电容器C4和双向二极管VD7组成启动电路。直流电经R5向C4充电,当C4的电压充到足以使VD7导通时,向三极管VT2基极输出一脉冲,使VT2导通,当VT2导通时,升压变压器T的初级绕组N1及反馈变压器绕组L3有电流通过,电容器C3放电。由于反馈变压器的次级绕组L1、L2的感应电动势使VT1饱和导通,VT2截止。当VT1饱和导通、VT2可靠截止时,流经N1和L3的电流方向与原电流方向相反,电容器C3充电,L1和L2感应出反向的电动势,使原饱和导通的VT1截止,原截止的VT2变为饱和导通。如此往复,晶体三极管VT1和VT2轮流导通和截止。C3交替充放电,形成振荡。振荡频率决定于T和C3的数值,若按图中所标数值,振荡频率约20kHz,高频电流经T升压,获得点亮霓虹灯管所需的工作电压。

由于输出端灯管断裂等原因,致使输出端开路时,空载电压将升高,极易损坏高压包和其它元器件。为此,由电阻R7、R8,晶闸管VS;继电器K,二极管VD9、VD10和电容器C5、C6组成过压保护电路。当负载开路时,升压变压器绕组N3电压升高,触发晶闸管导通,继电器K吸合,常闭触点K断开,切断霓虹灯电源,达到保护目的。
元件选择及制作 晶体三极管VT1和VT2可选用BV\(_{CBO}\)≥1500伏;PCM≥50瓦;I\(_{CM}\)≥3.5安;两管参数尽可能配对。反馈变压器选用D5铁氧体磁环;L1、L2、L3各绕5匝。升压变压器T采用U16铁氧体磁心,初级绕组N1用Φ0.6漆包线绕140匝。次级绕组N2用Φ0.12高强度漆包线绕3200匝。N3直接用软塑料导线在铁氧体磁心上绕l~2匝。继电器选用JRX—4098。其它零件无特殊要求。印制电路板如图2所示。

调试步骤 先检查电路接线无误,然后断开保护电路,接上霓虹灯管通电。正常时灯管点亮。如灯管不亮,测量整流滤波后直流电压,正常为280伏,A点应为直流电压的一半,若此电压正常,即检查L1、L2和L3的相位是否正确及启动电路是否有误。当以上整流、振荡和输出电路正常后再调试保护电路。
把原断开的保护电路接上后通电,若继电器K吸合,可能是N3绕组输出电压过高。适当减小绕组N3匝数,调整到电路正常工作为止。这时断开霓虹灯管,继电器K应吸合,电路断电,表明保护电路工作正常。若断开霓虹灯管,继电器K不吸合,应重新调整N3,直至电路能正常工作。调试时灯管应放在干燥的地方,否则因产生漏电而使保护电路调整不准确。(陈超林)