MSM5832RS芯片是日本OKI公司生产的CMOS微处理机实时时钟/日历集成电路。该芯片的主要特点是:
1.可产生时、分、秒、年、月、日、周等7个时间信息,并没有闰年控制位;
2.4位地址线,4位数据线,读、写和片选输入线,可直接与计算机相连;
3.方波信号输出:1024Hz、1Hz、1/60Hz、1/3600Hz;
4.采用32.768kHz石英晶体振荡器;
5.单5V电源供电,5V时最大功耗90mW,3V时最大功耗2.5mW,维持电压只需2.2V。
一、芯片功能
MSM5832RS微处理机实时时钟/日历芯片内部功能结构如图1所示,管脚功能如图2所示,该芯片的控制逻辑如表1所示。下面介绍一下该芯片各引脚的逻辑关系。



注1:*:有效数据“0”或“1”;:空格表示无效,即写时不认,读时保持为“0”;↑:数据位用在上午/下午、12/24小时及闰年;
注2:若以前D2置于“1”,在2月份29天结束时,D2会重置于“0”。
·32.768kHz振荡器(XT,管脚16和XT,管脚17):一个带有反馈电阻R\(_{FB}\)的内部反相器与一个晶体和两个电容相连,如图3所示,由晶体来保证电路的时间精度。串接电容C1和C2作为晶体振荡器的负载,用于调整振荡频率。

0~A3(管脚4~7):地址输入,用于在读/写操作中选择内部计数器(见表1)。“1”被定义为高电平(V\(_{CC}\)),“0”为低电平(地)。芯片内部已提供了对地的下拉电阻。
·D0~D3(管脚9~12):数据输入/输出双向总线,受控于读和写信号的输入。如图4所示。因为电路中用的是耗尽型N沟MOS管,所以外接上拉电阻较大,一般不小于4.7kΩ。D3为数据最高位,D0为数据最低位。

·测试(TEST,管脚14):一般情况下,这个输入端不用连接——在内部有一个对地下拉电阻,或直接接地。在片选为V\(_{CC}\)的情况下,在测试端输入高电平,将直接定在S1、MI10、W、D1和Y1计数器,由地址来决定所选的计数器。用这种方法可转至下一计数器,周期进行。
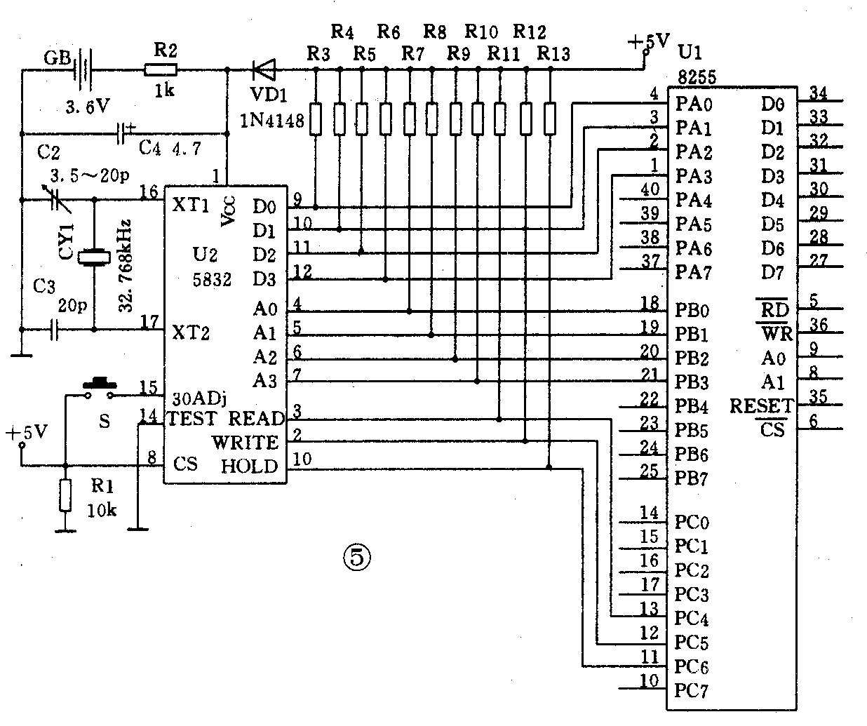
·片选(CS,管脚8):片选端连到V\(_{CC}\),所有输入/输出端被打开。若将片选直接接地或不接(内部有对地电阻),则保持、写、读、±30秒调整、D0~D3、A0~A3和测试各信号被禁止。片选端直接连到系统电源+5V上(如图5所示),可用来检测系统电源是否失效,当电源开时,所有输入/输出被允许;当电源关时,所有输入/输出被禁止。要想正确运行该功能,片选的输入电压门限值须高于其它输入端。

·保持(HOLD,管脚18):当保持为V\(_{CC}\)时,禁止内部1Hz时钟进入S1计数器。当确立了保持建立时间150μs后,所有计数器将处于静止状态,这样便允许准确地读或写操作。只要保持信号脉宽小于1秒,就不会影响时钟的精度。芯片内部已有一个对地的下拉电阻。
·读(READ,管脚3):当读为V\(_{CC}\)时,为读功能,如表2所示。内部有一对地下拉电阻。
表2 读周期
参数 符号 最小 典型 最大 单位
保持建立时间 THS 150 μs
保持保持时间 THH 0 μs
保持脉冲宽度 THW 1 s
读保持时间 TRH 0 μs
读有效时间 TRA 6 μs
·写(WRITE,管脚2):当写为V\(_{CC}\)时,为写功能,如表3所示。内部有一对地下拉电阻。
表3 写周期
参数 符号 最小 典型 最大 单位
保持建立时间 THS 150 μs
保持保持时间 THH 0 μs
保持脉冲宽度 THW 1 s
地址脉冲宽度 TAW 1.7 μs
数据脉冲宽度 TDW 1.7 μs
数据建立时间 TDS 0.5 μs
数据保持时间 TDH 0.2 μs
写保持时间 TWH 1.0 μs
·±30秒调整(30ADJ,管脚15):瞬时连接该输入至V\(_{CC}\)(大于31.25ms),秒位(S1和S10计数器,211~215分频器)将复位到00;若原秒大于或等于30,则分位(MI1计数器)将加1,若原秒小于30,则分位不变。内部有一对地下拉电阻。
二、芯片应用实例:
用可编程并行接口芯片——INTEL8255来连接CPU与5832,其中8255的A口用于数据线, B口用于地址线,C口用于控制线。具体接线见图5。
实际使用时,可根据各自所用的CPU功能及具体情况来决定所选用的接口芯片,如果可能,可将CPU与5832直接连接,这样更简单。(赵林初 方雪娥)