遥控彩色电视机由于采用微电脑(主控CPU),及开关或数字集成电路,维修难度比一般彩色电视机大得多,故在检修遥控彩电故障时,不要急于动手,而应先熟悉一下该机的发射器、接收器、微电脑、接口电路及被控电路等五大部分的工作原理和信号传输方式,结合普通彩电的检修方法,以便分析和判断其故障点是在微电脑本身,还是在微电脑的前端或后端,将无关联的电路划分出来,就能将故障范围缩到最小,从而达到事半功倍的效果。
例1:一台快乐牌HC—2063R遥控彩色电视机伴音正常,无彩色,黑白图像有拖尾现象。
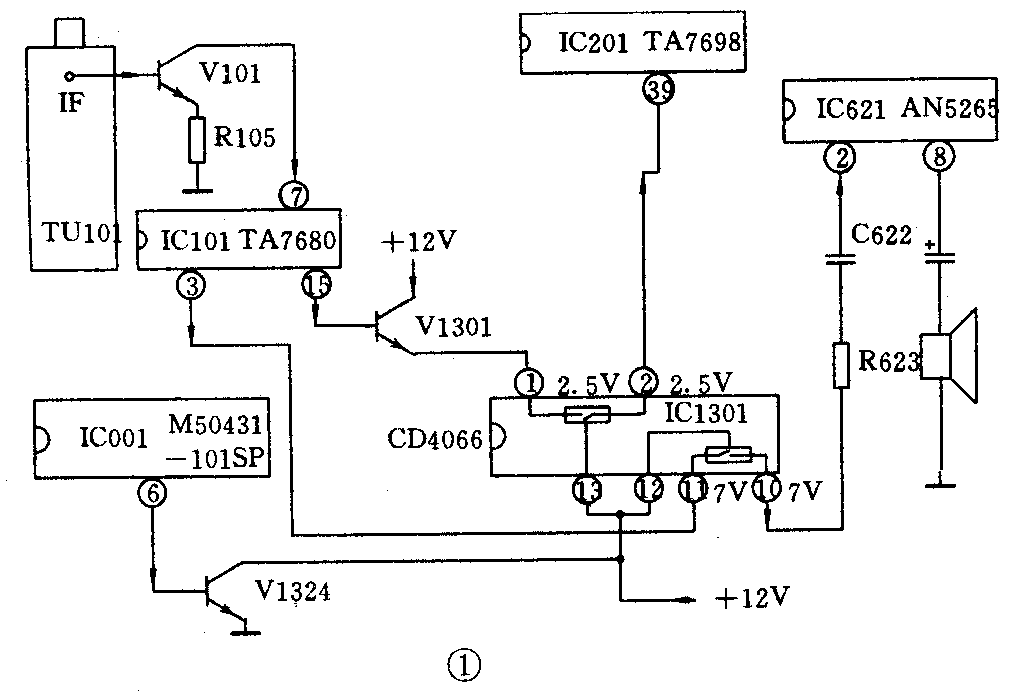
分析与检修:该机在接收状态时,微电脑IC001的⑥脚应为低电位,此时控制管V1324截止,其C极为高电位,IC1301内部的电子开关(①脚与②脚)闭合导通,高频头TU101输出的全电视信号,由图像中放IC101放大后经脚送至IC201的,视频信号经处理后送至显像管形成图像,其有关电路如图1所示。与此同时伴音信号也经IC101的③脚通过IC1301的内部电子开关⑩脚与脚送至伴音功放,然后推动喇叭。电视机出现无彩色的故障,在排除接收信号太弱的情况下,一般有两种可能:①色解码电路有故障;②视频信号通路衰减太多。为了缩短检修时间和划分故障区域,先利用该机设置的视频和伴音输入输出接口电路对色解码电路进行检测。按下电视机的AV键,使电视机呈白光栅和无声状态,将录像机的视频信号和伴音信号分别接入该机对应的接口,此时,电视机能出现良好的彩色图像和伴音,说明色解码电路没有问题。进一步检查视频通道,根据伴音良好,同时黑白图像较清晰的特点,说明公用通道电路工作正常,因为视频信号衰减太多时,送到色解码电路IC201的的信号也就很弱,由于色信号随之大幅度减小,从而使消色放大器动作,造成彩色控制电路自动关闭。所以,应着重检查CD4066内部担任视频电子开关的闭合情况与射极输出器V1301的工作状态。查得V1301工作状态良好,电子开关脚的控制电压是11V的高电位,而①脚电位为3.6V,②脚电位却为2.5V,正常情况时其电子开关闭合后两脚电位应相等,说明此开关工作在高内阻导通状态,故采用短路①脚与②脚的方法试验,彩色图像恢复正常,图像的拖尾现象也随之消失,更换CD4066,故障排除。

例2:一台天鹅CS47—S4遥控彩色搜台时节目不能锁定,图像行不同步,无彩色,同时伴音小有阻塞失真。
分析与检修:该机出现的是一种综合性故障,其故障范围较宽,因此最好采用分段、各个击破的方法处理,这样可避免一些不必要的错判和失误。
首先要解决的是行不同步问题,其原因有两个:行同步分离工作失常和AFT电路失常。所以先试调一下行同步电位器RP626,发现没有同步范围,图像水平方向不能瞬时稳定,好像是行振荡控制电路有问题,为了排除色度信号与同步分离信号相互产生干扰,先把C802的一端断开,见图2,再试调RP626,此时发现图像的行同步能出现瞬时稳定,说明行振荡电路并无故障,故障原因可能是AFT谐振电路。查得IC201的脚,AFT输出电压比正常值6V偏低近4V,脚AGC输出电压又比正常值5.2V高2.1V,调节T204中的磁芯,行不同步现象有明显好转,但不能达到正常要求,有关电路见图3,说明AFT谐振电路严重失谐。焊下T204检查,发现内部管形镀银电容表面严重碳化,将电容焊下测得其阻值低于200欧姆,采用95%的酒精仔细清洗该电容的外表,将碳化物洗掉后用R×10k档重新测其绝缘电阻,发现能恢复到无穷大,装机再试调T204磁芯,行不同步故障排除。为了防止该电容以后再次碳化,可用白腊将装在T204底部的此电容全灌封。


第二步可解决电视机的无彩色问题。先恢复C802的焊点,发现原来已同步的黑白图像又出现行不同步现象,同时仍无彩色。顺色度通路查得IC801的1电位比正常值6.7V低好几伏,说明T802有问题,见图2,怀疑内部电容也存在碳化短路故障,焊下T802检查,其内部谐振电容和信号耦合电容均发黑严重,按上述方法处理这两只电容,焊好开机,1电位恢复正常,彩色图像出现,行不同步现象也随之消失。顺便指出的是如果T801内部电容经处理后,其绝缘电阻不能恢复到正常值时,可用47pF的小电容替换其信号耦合电容,而谐振电容可用82pF的电容替换。当47pF电容击穿时会出现无彩色和行不同步故障,而82pF电容击穿或开路时则只会出现无彩色故障,不会影响行同步范围。
最后可处理该机的搜台不能锁定和伴音阻塞问题。该机要达到准确搜台和锁定的目的,必须满足两个条件:①V1007送至微处理机IC1001的⑨脚行同步脉冲必须正常;②38MHz中频必须正确,即T204、T205的谐振频率准确。由于查得IC1001的⑨脚行同步脉冲信号正常,原理参见图3,故怀疑T205的频率偏移太多,调整T205的磁芯,找不到最佳点(图像能锁住时伴音不行,伴音良好时节目又不能锁定)。根据上述情况,估计T205内部电容也已碳化变质,焊下检查发现判断正确,用一只62pF的小电容替换后,重新调节T205与T204的磁芯,同时监视IC201的脚电位,使图像、伴音及锁台均处于最佳状态,最后细调T302磁芯,使伴音最佳,此时整机全部故障检修完毕。
小结:从该例故障检修过程可看出,故障的原因主要是因各谐振电路严重失谐所致,笔者发现南方地区气候潮湿加之普遍烧煤,煤烟是镀银电容的祸源,其故障率较高。(唐广徽)