电视游戏机虽然早已风糜世界,但无论是“任天堂”还是“世嘉5代”,它们的操作手柄与游戏机之间的连接无一例外都是“有线”式的,即两操作柄各通过一电缆与游戏机主体相连。这种操作方式虽然简单易行,但操作距离受到限制,电缆易出故障,使用起来很不方便。
经过艰苦的努力,终于设计出了可用于“任天堂”、“世嘉5代”电视游戏机的双红外遥控手柄全并行遥控系统。
该系统由两个完全分离的红外遥控手柄和一个红外遥控接收器组成。它完全取代了现有电视游戏机的两个有线手柄,操作者可以各持一个手柄,随意向游戏机发射遥控指令,而游戏机能正确地接收执行指令。为了操作方便,本遥控系统设有遥控复位功能。对于不同类型的游戏机,只要适当修改本系统的软件,就可以完全兼容。
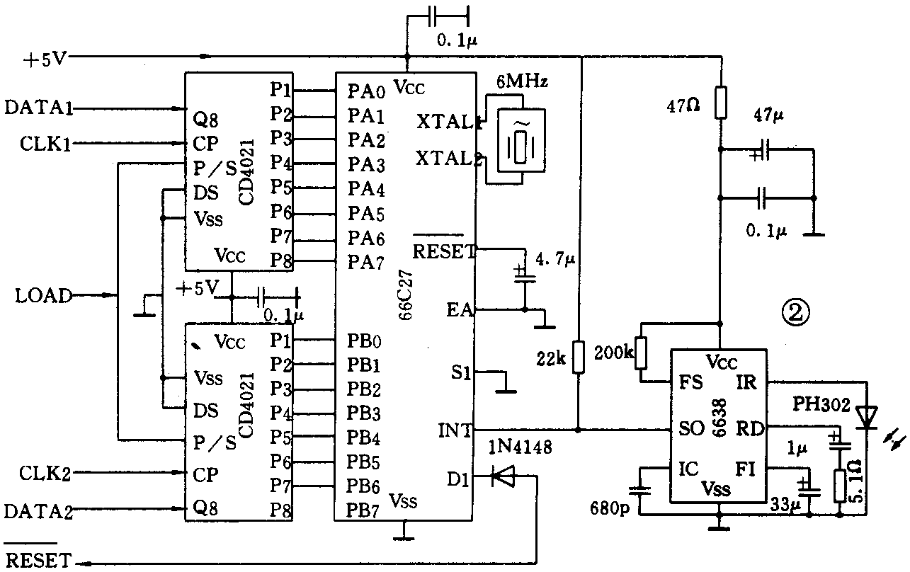
电视游戏机红外遥控系统的方框图如图1所示。其显著特点是:1.用微处理器取代了常规的编译码器。2.在遥控接收器与N个遥控发射器中都附加了特殊的W9002单元电路。

遥控发射器用4节AA镍镉电池或镍氢电池供电。当电源开关指向OFF位置时,为充电状态。
66C27的D1引脚用来驱动一个普通的发光二极管,发光管兼作发射状态、电池电压指示灯。若在发射红外指令时其闪烁亮度微弱,则表示电池应充电。
主要技术指标如下:
1.红外线遥控方式;
2.两个完全分离的遥控发射器和一个可置于游戏机本体内外的遥控接收器;
3.两个遥控发射器可同时随意操作,全并行遥控;
4. 5米内大角度随意控制,高灵敏度,高可靠性;
5.全兼容原有线操作手柄。(王玲)

