本刊1992年第3期41页上介绍的调频微型收音机是用TDA7021T集成电路做成的,如果读者手中有TDA7010T集成电路,可用它替换TDA7021T制作微型调频收音机。但是,外围元件和印制板布线必须作些改动。
TDA7010T和TDA7021T都是飞利浦公司的TDA70××系列的单调频接收集成电路,它们的工作原理基本相同。它们都采用频率锁定环技术来压缩中频信号的频偏。中频滤波电路都不需要用中频变压器或者陶瓷滤波器,而是用RC有源滤波器。它们的调谐都特别简单,使用单联可变电容器来调谐,不需要统调。两块电路的外形尺寸也一样,都是16脚扁平封装。然而,它们之间仍存在着一些差异,在替换时必须注意。
一、电源电压范围不同
TDA7010T的电源电压范围是2.7V~10V,TDA7021T的电源电压范围是1.8V~6V。所以,采用TDA7021T制作的收音机可以用两节干电池供电,而用TDA7010T的收音机必须用三节干电池供电。
二、中频频率不同
TDA7010T的中频频率是70kHz,TDA7021T的中频频率是76kHz。所以,它们的RC有源滤波器中的外接电容器的容量不一样。
三、引脚的排列不同
它们都是16脚扁平封装,但是,引脚的排列不同。而且,有些引脚的功能也不一样。表1列出了它们引脚间的对应关系。

四、外围元件不同
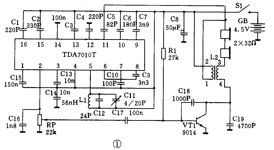
TDA7021T电路把TDA7010T制作收音机时所需的外围的数百PF电容器都集成在电路里,因此,利用TDA7021T制作收音机时所需的外围元件数较少。而且相同功能元件的数值也不一样。图1是采用TDA7010T的调频微型收音机电路图。为了便于对照比较,把采用TDA7021T的调频微型收音机电路图示于图3。它们之间对应的元件差异见表2。



TDA7010T的引脚排列和外围元件与TDA7021T的相差得较多,加上收音机电路对印制板的布线有较严格的要求,因此用TDA7010T替换TDA7021T做调频微型收音机时,最好是重新设计印制板。图2是采用TDA7010T的调频微型收音机的印制板和元件安装图,图1电路中,电感L1用0.6mm的漆包线在Ф3的骨架上绕5匝,然后脱去骨架做成脱胎式线圈。射频阻流线圈L2选用调频中频变压器中的“工”字形磁心,用两根0.16mm的漆包线双线并绕7匝制成。这里要注意,双线并绕的两个起始端应分别是电路图中的第1和3端,不能搞错。元器件装好后,接上电源和耳机,将可变电容器C11旋至音量最大位置,轻轻拨动线圈L1间的距离,使收音机能收到87MHz的调频信号就行了。(虞建达)
