薄膜开关与我们通常所使用的按键开关有所不同,它是一种无自锁的按键开关,由于其触头容量较小,最大工作电压为直流30V、最大工作电流为300mA,不能直接用于较重负载的电路。因此,在应用薄膜开关时需要增加辅助电路,本文将介绍两个实际应用的电路。
一、构成有自锁的按键开关

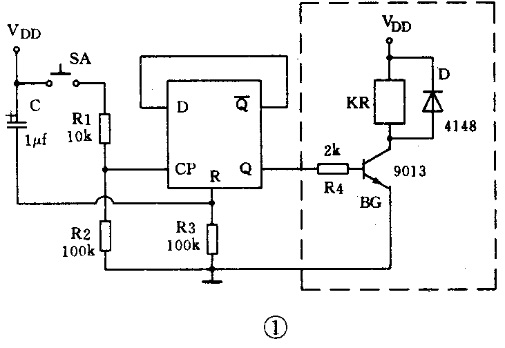
图①是利用CD4013双D触发器构成的有自锁的按键开关电路。图中C、R3组成上电复位电路,其工作过程是当电路通电后首先通过C、R3电路对D触发器复位端R进行复位、使Q端输出低电平,三极管不工作,继电器接点置于断开位置,相当于按键开关的断开。当薄膜开关SA合上后再断开,即按一下薄膜开关,在CP端即产生一个正脉冲,脉冲的上升沿促使D触发器改变状态,Q端的状态Q\(_{n}\)=Dn-1=Q-\(_{n}\)-1;,由于上一状态Q-输出为高电平,所以Q端输出为高电平,使三极管处于工作状态,继电器吸合,其触头相当于开关闭合。当再按一下SA时,电路又回到关的状态。图中的电路,在某些应用电路中可以不接虚线内电路,而直接利用Q端输出去控制其他电路,图②是电路内部各点的波形图。

二、构成琴键式开关

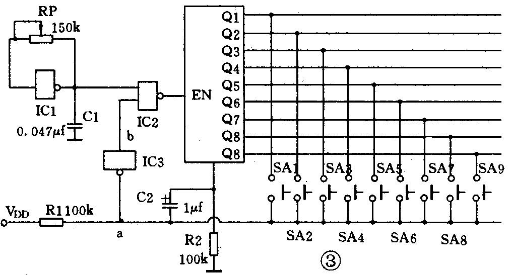
图③是琴键式开关电路,它是由一块CD4017和一块CD4093组成的最多可达9位的琴键式开关。RP、C1、IC1构成振荡电路,C2、R2构成上电复位电路。在电路通电后首先由复位电路使CD4017计数器复位端R复位,Q1~Q9输出均为低电平,此时a点为高电平,经反相器后b点为低电平,封锁闸门电路IC2。在薄膜开关按下后(假设是SA4),此时a点为低电平,b点为高电平,打开闸门电路IC2,振荡器输出脉冲进入CD4017计数器的EN端,当计数到4时,Q4端输出高电平,通过SA4(此时SA4仍闭合),使a点变成高电平,经反相器后b点为低电平,封锁闸门电路,计数器停止计数,此后SA4即使断开,Q4仍保持高电平,其余输出端均为低电平。此时如按一下SA6(SA4已断开),a点电位又变成低电平,b点为高电平,打开闸门电路,计数器又开始计数,直至SA6输出为高电平为止,闸门电路才又被封锁。各输出端如接上图①虚线内电路,即构成了琴键开关。从上面对电路的工作过程分析可以看出,该电路对振荡器的频率有一定的要求,即用手指按薄膜开关,使薄膜开关接通的时间应大于电路计数的全部过程。一般将振荡器的频率设计在200~300Hz之间,就可以完全满足人们对按薄膜开关的时间要求。(陈惠)