本文介绍一种适合电子爱好者自制的数字式测温仪,其电路结构简单、元件易购、调试方便、适合业余制作,而且具有超温报警功能。主要技术性能如下:
1.测温范围 -40℃——+130℃
2.精度等级 0.5(测量上限误差百分数)
3.分辨力 0.1C
工作原理
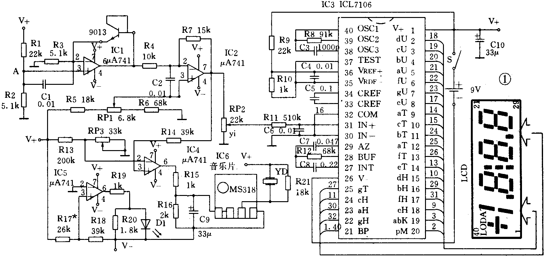
从图1中可以看出,传感器(用VT的发射结)将被测点的温度变化变为电压变化,此电压信号传送到IC1,IC1的同相输入端由稳压电源V\(_{+}\)经R1、R2分压获得一稳定的基准电压VA。显然IC1反相端与同相端等电位。所以IC1反相端电位也为V\(_{A}\),由于传感器的Vbc是随温度变化的,使IC1输出端随之变化。同时由于IC1反相端恒等于V\(_{A}\),所以只要选择合适的R3即使传感器获得恒定的偏置电流。本电路由于利用了ICL7106内部精度高的稳压电源,提高了稳定度。
IC1输出的电压信号,经IC2倒相后送到IC3,A/D转换器,将模拟电压信号变为数字信号,驱动LCD液晶屏显示出被测点的温度数字来。
RP1是调零电位器、RP2为量程调节电位器、C1、C2是抗干扰电容器。
IC4是超温报警电路、调节RP3可预置报警温度,当达到报警温度时IC4触发IC6发出音乐报警信号。IC6是音乐门铃集成块,Y\(_{D}\)是压电片。IC5是电池低压指示电路,当电池电压低于7V时绿灯亮,提示更换电池,IC3的正常工作电压是7~15V。
元件选择
电阻元件应用金属膜电阻、电容元件应用涤纶电容、C3用云母电容,电池用9V积层电池、外壳用装六节一号电池的电池盒改制。
传感器用3DG6或9013晶体管、可选V\(_{be}\)参数一致的若干个,以一机多探头应用于不同场合。
调试
1.直流工作点调试在常温下:测VA≈0.54V、V01≈1.12V、VB≈0.70V、V02≈1.1V、IC3输入电压Vi=0V数显示应为00.0。Vi=250mV数显应为100.0如差别太大可调R10电阻。
2.测温标准调试:调零、取最小分度值为0.1℃的标准温度计一支。将传感器与标准温度计置于冰水混合物中静置一段时间,当标准温度计指示0℃时,调RP1使IC2输出为0V,则液晶显示亦为零。
调量程时,将传感器与标准温度计置于沸水中调节RP2使液晶显示屏的数字与标准表数字一致,调试即告结束。因传感器在测温范围内是线性的,所以只校对两点即可。
如无冰、也可在常温20℃左右与100℃两点调试,只不过需在两点间反复调。
制作与应用
传感器用环氧树脂胶或其它强力胶封装,以便在潮湿环境或流体中使用。传感器与测温仪的连接用插头座相连,传感器可多做几个,预先安装在不同的被测点,以便随时观察。制做测温的传感器应尽量使之体积小,以便显示灵敏。
应用时,如测冰箱温度时、可在接水管里把传感器穿入被测点,对冰箱无任何改动,根据观测的温度,调节温控器,使之处于最佳工作状态,即在保证食品冷冻,保鲜的条件下尽量减小耗电量。(王光石)

