在日常生活中,有时我们会觉得通过按动电器的开关来控制电器的开启和关闭会很不方便。一般的遥控装置又要求人们手中必须持有遥控器,因而也觉得不怎么方便。这里向大家介绍一种声控电源插座。它集电源插座、电源插头及声控电路板于一体,体积小巧且具有通用性。将该插座的插头插在普通电源插座上,而将受控电器的电源插头插在该声控插座上,再将电器的开关汀开,则该电器的工作便接受声音的控制了。击一下掌,电器便会工作;再击一下掌,电器便会停止工作。受控电器可以是200W以下的灯、风扇、黑白电视机等。借助本插座可方便地对这些电器的开关实行遥控。经实际应用,在4米内通过击掌可有效地遥控上述电器的开关。
图1为声控电源插座的外形图。其大小为:64×44×34(mm)。

电路原理
图2为其电路方框图。当击掌时,猝发的声响信号经压电陶瓷片转换成微弱的电信号,该信号经二级放大后,启动伪单稳态电路,使之输出一个负脉冲,该负脉冲触发其后的双稳态电路,使其输出发生翻转,控制其后由可控硅组成的开关电路,从而实现对插座交替通、断电的无触点控制。

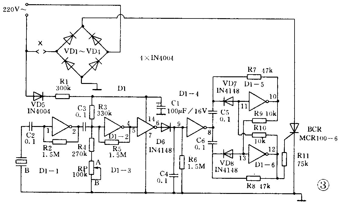
图3为声控电源插座立电路原理图。其中反相器D1-1、D1-2都搭成放大器形式,调整RP可使D1- 2输出的直流电位发生变化。调整RP可得到所希望的灵敏度。D1-3起隔离、整形作用。D1-4及其外围元件VD6、C4和R6组成伪单稳态电路。当击掌后,D1-3便输出一串脉冲,通过VD6向C4充电,且D1-4输出从高电平变为低电平。当这串脉冲过去后,C4便向R6放电,当C4上电压下降至某值时,D1-4的输出又恢复为高电平。因此,每击一次掌,D1-4便输出一个负脉冲。D1-5、D1-6及其外围元件C5、C6、VD7、VD8、R7~R10组成一由负脉冲触发的双稳态电路。

元件的选择
门D1-1~D1-6选用单片6反相器CMOS电路CD4069(或HD14069);压电陶瓷片选用普通Ω27蜂鸣片;单向可控硅为MCR100—6(1A/400V),电位器RP为立式微调电阻。除R1为1/8W碳膜电阻外,其余电阻皆为1/16W碳膜(为减小体积)。其余元件可参考图3选用。
调试
对所有元件先检测一遍,然后照图4组装焊接。组装无误后,先将中心头调向A端,然后加电。注意:由于没有使用变压器,该印板是带电的,操作时要格外小心!不可用手直接拿印板。有条件的话,调试时最好用一个200W以上的隔离变压器。

先用万用表DC的10V档监测D1-4输出端(第8脚)应为高电平,4V左右。然后一边继续用表监测,一边用改锥细调RP至IC第8脚刚要变为低电平时为止(此时仍应是4V左右的高电平)。这时用嘴向压电陶瓷片吹口气,应能看到万用表的指针跌落,之后又恢复成高电平。此时,说明已调得最灵敏了。然后将电路板、插头片、插座片装入壳内,用一台打开开关的台灯做试验,在4米范围内击掌,应能看到灯的亮、灭受击掌的控制。然后,打开外壳,用蜡将RP封好,装好再试一遍,若无误,调试就结束了。调试中常遇到的问题是:1)灵敏度低,要大声击掌才有反应。这说明蜂鸣片质量差或RP调整得不好;2)灯的亮、灭不受击掌控制而交替亮、灭。这是RP调过头了,此时D1-2输出总是维持为低电平。要将RP中心头往A向调整。(周文德)