本文介绍的调频立体声自动接收电路具有足够的输出功率,可直接做成自动接收音箱,并能长期通电工作,可用作无人值守的自动接收及播放装置。本机采用新型TDA7021T电路作调频立体声信号接收,使用性能可靠的TA7240作功率放大,并采用MOS型时基电路作开关控制部分,以晶体管作开关元件,电路通断时无机械噪声,并没有防误开机及抗干扰电路。本电路主要参数:可接收频率范围88MHz~108MHz;自动开机灵敏度(点灯灵敏度)小于120μV;立体声分离度大于20dB;不失真输出功率大于5W(每声道);守候电流18mA;电源电压22010%。

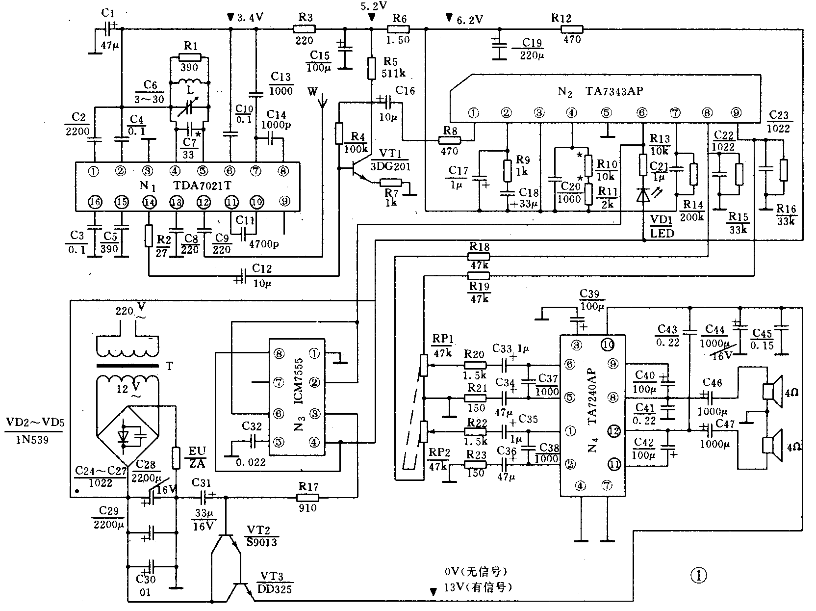
电路工作原理:电路原理见图①。N1是单片调频信号接收电路,选用新型低功耗集成电路TDA7021T,其工作电压范围在1.8V~6V,通常取3V为供电电压。由天线来的调频信号经C9进入电路,通过混频及鉴频后由脚输出主体声复合信号。L、C6构成本振选频回路对所需的电台进行选择。C11、C14为RC有源中频滤波器外接电容;C10、C13为中频旁路电容,C4为相关检波器旁路电容;C8为高频放大输入旁路电容,C2、C3、C5为音频放大及环路滤波旁路电容。其中C5是调频去加重电容,当用于接收立体声信号时,其时间常数已移到后面解码器输出端,故C5取值较小。C2取值也不宜太大否则会对复合信号有旁路作用而影响分离度,但也不宜太小否则会使电路出现不稳定;C3及VT1可使送到解码器的立体声复合信号具有足够的幅度,以得到可靠的点灯(开机)灵敏度;C1、R3为N1提供退耦电源。N2为立体声解码器,R10、R11是外接压控振荡频率调整电阻。当调整R10、R11阻值使压控振荡频率与导频频率一致时,N2便可将立体声复合信号中的R、L信号分离出来并由⑧、⑨脚输出,同时⑥脚处于低电平(0.8V),VD1被点亮。相反,当N1接收的不是立体声信号时,则⑥脚仍处于高电平(10.2V),这样我们便可利用N2⑥脚的电平高低来判别N1是否接收到立体声调频信号,同时再用此信号去驱动一个由N3、VT2、VT3所组成的开关系统来控制末级功放电路电源的通断,实现自动开关机。VT2、VT3构成电子开关,其控制信号由N3提供。N3为MOS型时基电路,插在N2⑥脚与VT2、VT3之间。由于MOS电路具有极高的输入阻抗,因此它的接入不会影响N2的工作状态。N3的输出端③脚输出一个与N2⑥脚电平相反的控制信号。当N2⑥脚为低电平时(有立体声信号),N3③脚为高电平,VT2、VT3导通,功放电路得电而工作(开机)。反之,当N2⑥脚为高电平时(无立体声信号),N3③脚为低电平,VT2、VT3截止而关机。由于N3输出电流小于1mA,当功放级满功率工作时,其电流达数安培,故需采用VT2、VT3复合形式才能满足要求。图①中VD1的正端供电由主电源直接供给,这样能保证当N2⑥脚低电平时,N3③脚为高电平。因为N3③脚出现高电平的条件是:N3②、⑥脚电压(等于N2⑥脚电压)必须小于等于1/3V\(_{CC}\)=4(V)(VCC=12V)。前面提到N2⑥脚低电平时,V\(_{⑥}\)=0.8V(<4V),故能满足要求。同理N3③脚出现低电平的条件是:N3②、⑥脚电压(等于N2⑥脚电压)必须大于等于2/3VCC=8(V)。前面提到N2⑥脚高电平时V\(_{⑥}\)=10.2V(>8V),故也能满足要求。实验证明当VD1采用图①所示方法供电时,N2⑥脚提供给N3的两个阈值电压都有一定富裕量,故电路随立体声信号的有无而自动开关的功能是相当可靠的。解码后的左、右声道信号由N2⑧、⑨脚输出,R15、C22和R16、C23分别是去加重电路。N4用作功率放大。由于其输出满功率时电流很大,故在⑩脚与地之间接入较大容量电容C44作进一步滤波,C45则作高频退耦。C40、C42为自举电容,可提高输出功率。C31、R17构成防误触发开机电路。由于N1接收灵敏度较高,输入端又未设任何带通滤波器,当一很强干扰信号进入时,有可能会使N2⑥脚电位瞬时变化而导致瞬时误触发。接入R17、C31后,当有解时干扰使得N3③脚出现高电平时,这个电压会通过R17对C31进行充电。由于C31上电压不能突变,这个充电过程便可将瞬时干扰脉冲吸收掉而不会因此被误触发。当干扰过后N3③脚仍是低电平状态,C31会通过R17很快放电而迅速恢复原状。R17、C31时间常数τ取30ms,当R17用910Ω时,则C31=τ/R17=30×10\(^{-3}\)/910≈33(μF)。电源本机采用交流供电,考虑满功率输出时电流很大,故电源滤波比较讲究,2个滤波电容都取值较大。同时电源变压器设计时应考虑到初级线圈长期通电,故要有足够的电感量和线径。次级要求能提供一定的功率,所取线径也要有一定的电流容量,以防满功率输出时次级电压跌落。VD2~VD5的电流容量也要大些,应大于3A。在电压波动大的地区,C28、C29的耐压可取高些以防不测。
元器件选择:高频部分N1的外围元件除C3、C4、C10用独石电容器外,其它应选用瓷片电容。C6是小型薄膜单联,C20用聚苯电容,也可用云母电容代用。C24~C27、C30、C32用瓷片电容。其它除电解电容外全部选用涤纶电容。电解电容除有耐压标注的外其它的耐压为10V。电阻除R10、R11待调外,其它可用一般1/8W碳膜电阻。RP为同轴电位器。VT1的β值在120左右,VT2的β大于100,VT3的I\(_{cm}\)>3A,Pcm>5W。N2、N4可用国产片子,N1用原装或组装的都行,N3为MOS型单时基电路,型号为ICM7555,其它型号的7555也行。在信号强的地区,天线可用一根60cm长的拖线代替。在信号较弱或是离发射台较远的地区,天线应选用拉杆天线,以便调整方向。
制作方法:按图②制作印刷线路板。在左上角小孔位置处钻8mm孔装电位器,焊二极管及电解电容时要注意极性,然后焊上N3,最后将N1直接焊在印刷电路板上。图②中XS是小型立体声插口,也可不用而直接焊音箱线。N4需加散热片,尺寸见图③,印刷线路板上已留有安装散热片的位置。将整个线路板放在音箱内上方侧面装牢,并要垫防震材料。只将电位器轴伸出箱外装旋钮。天线若是拖线可由背面引出,用拉杆天线时应装在音箱顶部并可旋转。见图④所示。电源变压器装牢在音箱底部,电源线从背面引出。因选台一次调定后不需经常调整,故调谐电容轴可以不必伸出箱外。空芯电感L的绕法见图⑤。




调试方法:(1)将图②中B、C两点用导线连接,接通电源,此时,N4⑩脚电压,C19、C15、C1正端电压分别应与图①中所标大致相同。(2)将C6旋至容量最大处,调整L的间距使之收到87MHz信号;再将C6旋至容量最小处,适当选择C7容量大小使之收到109MHz信号。(3)将标准信号发生器的输出频率与所要接收的电台频率相同,调整C6收到信号并调准。将C6、C7、L用腊封固,若封腊后频率有偏差,可微动一下L再补封腊。(4)将频率计接在N2⑤、⑥脚间,断开R8,调整R10、R11阻值,使频率计指示为38kHz,固定R10、R11。(5)重新焊好R8,拆除B、C两点连线,将A、B两点缺口连通。业余条件下可先调整C6、L,使能收到电台信号并使音质最好。再调整R10、R11数值使VD1点亮,固定R10、R11。拆除B、C连线,短路A、B缺口。需要说明的是一般情况下所接收的电台频率是固定的,所以C6可以用固定电容代替,这样将能提高可靠性。即便使用一段时间后由于受气侯或其它一些因素影响,频率有所变化时也只需稍稍微动一下L即可重新调准。(陈晨)