TWH9205采用双列14脚塑封,其内部设有过零检测、同步控制、开关放大器、电源限位器、禁止控制以及可控硅驱动等单元电路。利用它可推动可控硅,对各种交流电设备进行控制。TWH9205集成电路具有以下特点:
1.输入灵敏度高。能直接由敏感探头输入(NTC、PTC热敏元件、光敏电阻、光敏三极管、硅光电池、各种线性传感电路、电桥等均通用),无需另加输入电源。
2.直接使用6V~270V的交流电源,无需变压器降压。
3.能与所用电源的相位同步,实现过零控制,并且无噪音、无火花、抗干扰性强。
4.当探头损坏时,电路自动停止输出,以保护受控设备。
5.驱动电流大。能驱动1A~500A双向可控硅,通用性较强。

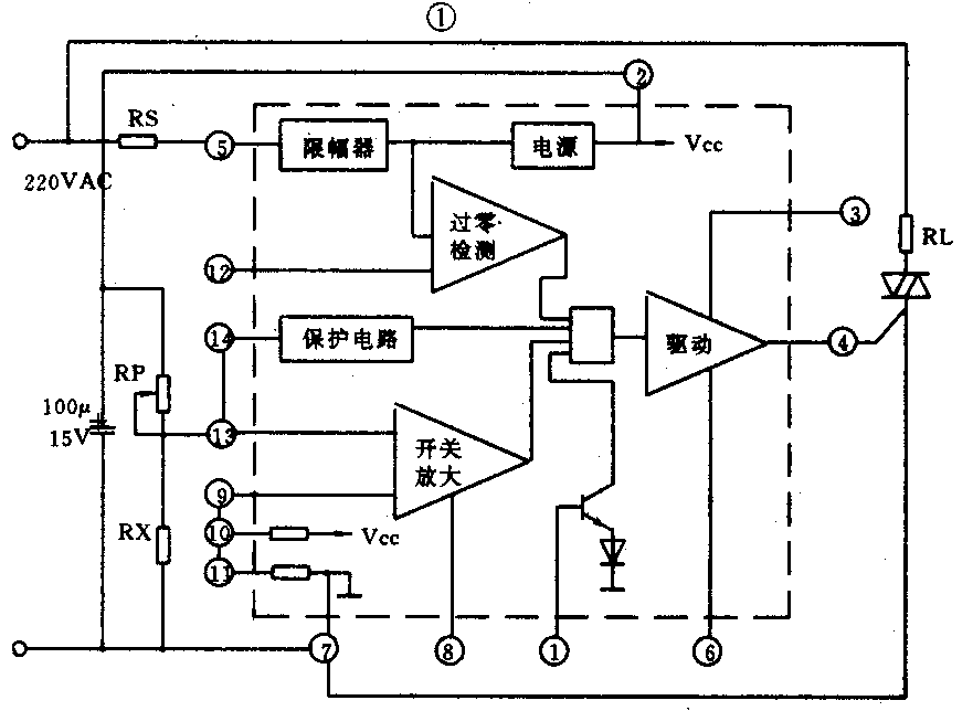
TWH9205的内部电路见图1。表1列出各引脚的功能,表2是TWH9205的主要电参数。
表1
引脚 功能说明
1 禁止输出控制
2 直流供电与DC输出
3 电流放大
4 驱动输出
5 交流输入
6 外部触发输入
7 地
8 开关放大器地
9 传感器反相输入
10 开关放大器箝定端
11 开关放大器箝定端
12 直流与400Hz输入
13 传感器同相输入
14 保护器

TWH9205最重要的功能是严格地与电源实现同步过零控制,其输出波形如图2。所谓过零控制,就是被控制的电气设备,只有在周波过零时,即电压瞬时为零值时,才让它通电或者关断。

下面介绍两种应用电路:
一、恒温电路

图3是热水器,微波炉等加热设备的温度控制电路,同时也适用于逆变器、扩音机、电动机的过热自动保护,属“热关断式”。NTC温度传感器接在IC的差动开关放大器的正相输入端13脚,而反相端接入IC内部,箝定在一个固定的电位上。RP可调节预选恒温值,平时可控硅处于导通状态,当NTC受热后阻值变小而达到设定值时,TWH9205在过零时停止输出脉冲,可控硅截止。温度下降时,NTC阻值升高,使正相输入端的电压也升高,当电压高于反相端的箝位电压值时,在过零时启动可控硅工作,这样周而复始地控制加热设备保持在一定的温度。
TWH9205的14脚能对传感器进行极限度监示,当NTC出现开路或短路时,IC内部将起保护作用,停止输出,使加热设备停止工作。

图4是空调机、电冰箱、恒温风扇和自动灭火装置电路,感温元件NTC改接在TWH9205的反相输入端第9脚,属“冷关断式”,它的工作程序与图3相反,也就是说,测温元件是在温度升高至预定值时开启可控硅的。
二、高可靠过零型继电器

图5是过零继电器电路,又称隔离式过零型交流开关。输入端采用光电耦合器,可作为计算机的终端电路,其工作原理与图4相同。双向可控硅可根据负载要求,选用1A~50OA,直接接入电路,无需调整。
TWH9205还有几个特殊的控制端,分别是过零与非过零控制端第12脚(可强制电路用作非过零开关)、外界禁止控制端第1脚、外界触发输入端第6脚。这些控制端均与DTL、TTL电平兼容,便于计算机作终端控制。
过零型开关电路在家用电器如洗衣机、电冰箱、微波炉、分体式空调机中得到应用,但其集成电路往往采用厂家自编型号,在维修时只要分辨出其主要功能引脚端,如输入端、输出端、电源及公共地等,然后根据图3、图4、图5所示电原理图,利用TWH9205取代原有的过零控制电路,同样能达到满意的效果。(蔡婉婷)