由LM8361组成的数字钟,有一个“闹输出”端(25脚),一个“定时输出”端(27脚)。用“闹输出”虽可以在24小时内的任意时间里定时开机,但必须人工去关机或一小时后自动关机;用“定时输出”尽管可以定时关机,但必须手工预置时间开机,两者不能兼顾。笔者设计了以下两种能自动定时开、关机的电路,其原理如下。
图1所示的电路,巧妙地将25脚的“闹输出”和27脚的“定时输出”结合了起来。平时,IC1、IC2、IC3及V5~V7均不得电。当预定的报闹时间到来时,25脚输出高电平,V1、V2由截止变为饱和导通,V2的集电极向定时电路供电,一路向LM8361的30脚、23脚送出高电平,使显示屏显示定时时间59,并按每秒两分的速率递减(注意,有些LM8361输出高电平);一路向IC1~IC3、V5~V7供电,使之工作。V5~V7构成多谐振荡器,振荡频率也为每秒两个脉冲并作为IC1的计数脉冲,IC1的11脚(Q9)的输出作为IC2的CP脉冲((IC1和IC2)均为十进制计数/脉冲分配译码集成电路CD4017,本电路的最大计数范围设计成59),当计数值一到IC3的1,2脚同为高电平,4脚也输出高电平加在LM8361的26脚上止闹,使25脚恢复低电平,V2变为截止使定时电路断电,30、33脚恢复低电平,数字钟正常走时,此时,定时时刻已被自动预置在数字钟里,27脚输出高电平,V3、V4饱和,继电器KR工作,开启被控电器。此后,数字钟内部定时时刻接走时时间不断递减,递减到0时,定时完毕,27脚恢复低电平,KR停止工作,自动关机。

应注意的是,IC1、IC2计数值的设置应是定时时间在一小时里的补数,例如,要定对20分钟,则IC1、IC2的计数值就应设置为59-20=39。由于IC1的计数脉冲与定时时间慢调递减的速率一致,当计数值满39时,定时时间的剩余值正好还剩20,实现了自动预置定时时间。误差为±1分,可调整R12予以校准。

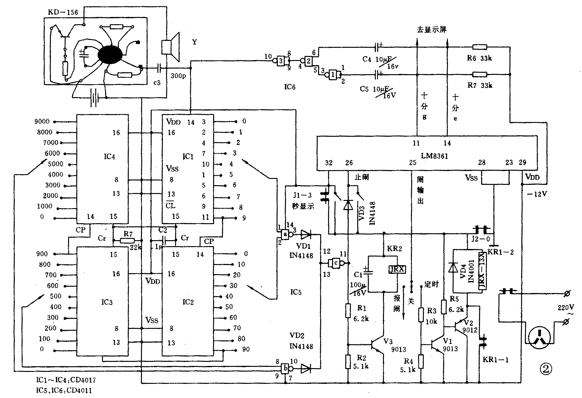
图1电路的局限之处是定时时间不能大于一小时,图2电路的定时时间则可在1分钟—10000分钟(约167小时)之间任意选择。它的工作原理是:当定闹的时间一到,25脚输出高电平,V1、V2饱和导通,KR1继电器吸合,这是一个直流12V,有四组触点的小型继电器,触点KR1—2接通220V电源,即开启用电器;一组触点KR1—1用以自锁(保证1小时后当25脚输出低电平时KR1仍能吸合);第三组触点KR1-3用以接通秒显示按键,使显示屏秒显示,同时也给定时电路IC1~IC5供了电,秒显示时,十分位从0~5的一个循环是一分钟,而不是一小时了,此时整点报时电路IC6便每隔1分钟(十分位从5变到0时)输出一个高电平,持续10秒,此高电平脉冲就作为IC1的CP脉冲,用以计数。由于IC1~IC4串接,故IC1的定时范围从1分~9分;IC2和IC1联合定时可达99分钟(这基本上可满足一般的定时需要,于是,IC3、IC4及IC5的“b”与非门可省去)。IC3参与定时可将时间延长到999分,IC4也参与的话定时可达9999分,将近7天时间,而且准确可靠,当定时时间到时,IC5的“C”与非门输出高电平,它一方面送到26脚去止闹,一方面使V3饱和,KR2继电器吸合,它的常闭触点KR2—0断开,整个定时电路断开,定时结束,数字钟恢复正常走时显示(KR2可用微型继电器)。有趣的是,整点报时电路在整个定时过程中每隔一分钟鸣响一声,即不烦人,又提醒人们定时正在继续。本人用的是KD-156音响片里的小鸟叫作整点报时,触发脉冲通过C3引入,音响片所需的3V电源可另备或从数字钟备用干电池的3V处引出。
在图1中,R5是下拉电阻,保证V2在截止时其集电极为最低电位。C1则保证V2向IC1、IC2供电时,使两集成块先清0(即QO输出高电平,其余端输出低电平)。图2中,R6、R7也是下拉电阻,使十分位的“g”段和“c”段在无输出时为低电平。整个电路无需调整,一装即成,它能为您的家庭的自动化增光添色。 (艾庆生)