例1:机型Z647
故障现象:刚开机时良好,约半小时后图像突然变暗、声音变小,倾刻光图声全无。
分析与检修:开机瞬刻,发现荧光屏上部分区域有微弱彩斑闪现,细听有行频叫声,说明开关电源及行扫描电路工作正常。打开后盖,将帘栅电位器(与聚焦电位器制作在一起)转动,使帘栅电压提高,观察荧光屏上是否有光栅出现。当光帘栅电位器转动到一定角度时,荧光屏上出现水平亮线,肯定场扫描电路有故障。此时,再将帘栅电位器向反方向转动,直至水平亮线消失为止,以保护荧光屏不受损伤。根据故障现象,断定故障与场扫描、图像放大、伴音电路共用的12V低压电源有关,该部分电路如图1所示。测量FR521与C520交点电位为OV(正常为12V),但测量整流二极管V506负端的电位接近12V,说明保险丝电阻FR521开路。用同型号规格的保险丝电阻替换后,故障排除。

例2:机型Z647
故障现象:有光栅,无图像,无伴音,但扬声器有噪声。
分析与检修:从故障现象看,问题出在公共通道部分,故重点检查IC101(TA7607PAP)及其之前的电路。开机测量IC101各脚直流电位,均正常,说明集成电路及其外围元器件无问题。用金属物碰触IC101的①、脚,扬声器有喀喀声,荧光屏上光栅轻微闪烁,进一步证明故障出在中放集成电路之前。继续用金属物碰触声表面滤波器SF101的输入端,荧光屏与扬声器同时都有反应。当碰触预中放管V101的基极、集电极时,荧光屏与扬声器均无反应,测量该管各极电位,均为0V,说明该管的供电电路不正常。这部分电路如图2所示。测量FR107与C108交点的电位,等于0V,怀疑FR107开路,量之良好。再测FR107与C109的交点电位,仍为OV,怀疑FR522开路,测量果真不通。该电阻也是保险丝电阻,阻值为2.2Ω,功率为1/4W。因当时手头无该型号规格电阻,故用一只RJ—l/4W-2.2Ω电阻与一只0.5A保险管串接代替后,机器恢复正常。

上述两例故障的共同点是故障反映在信号通道部分,但发生故障的元器件并不在信号通道,而是信号通道的供电电路中的元件出故障所致。这是维修中必须注意的问题。
例3:机型Z647—1B。
故障现象:无光栅无伴音。
分析与检修:打开机器,检查电源板上的3.15A保险管良好,开机即有光栅有图像有伴音,只是亮度失控,调节R261、R204主、副亮度电位器均不起作用。说明“全无”故障是接触不良引起的。仔细检查机内所有接插件,均正常。用万用表监视开关电源的输出电压B1(110V),同时用绝缘物敲打电源板,观察110V无变化,说明开关电源无问题。接着,重点检查行扫描电路部分。分别测量扫描集成电路IC501(TA7609P)的行扫描部分各脚直流电位、行推动管V501的基极与集电极电位、行输出管V502的集电极电位,用绝缘物敲打主印制板上相应部位,均未发现异常。再将主印制板、电源板、控制板全部复原,重新开机,故障重现。当不停机再次拆卸主印制板时,发现只要松开连接主印制板与导轨的紧固螺钉(行输出变压器一侧),机器立即恢复正常(但亮度仍不可调)。仔细观察行输出变压器(FBT)与主印制板上相连诸点,并用万用表电阻档测量接点电阻,均未发现故障所在。此时关掉所有光源,开机并有意拧紧上述螺钉,发现FBT⑩脚处有火光闪现。关机后用放大镜重新观察FBT⑩脚与主印制板连接处,发现有极细小的裂纹。用一根短导线将FBT⑩脚与主印制板连接牢固,再开机并拧紧产生故障的螺钉,“全无”故障彻底排除,但亮度仍失控。继续检查,发现亮度通道中黑电平箝位二极管V201的基极假焊,重焊后亮度调节自如。
例4:机型Z237—1A。
故障现象:亮度忽明忽暗,暗时彩色变浓,甚至漆黑一片;亮时彩色变谈,图像模糊。
分析与检修:从原理分析,此故障与亮度通道、末级视放、显像管供电电路有关。先测量亮度通道中V204的发射极电位,此电位为6.3V,基本正常。再测未级视放电路中3个视放管的集电极电位,均大于200V且波动厉害(正常为140V左右),怀疑180V供电不正常,测量L801与C801的交点电位,此电位为180V,但测L801的另一端电位时,却大于500V。这只能是由行扫描电路提供的820V帘栅电压不正常,通过分布参数感应所致。在路测量帘栅电位器R819时,发现一端阻值正常可调,而另一端开路。更换该电位器并重调帘栅电压,辅以辅助亮度调整,故障排除。
例5:机型Z647—4A。
故障现象:光栅上部有一条白线且顶部伴有3~4条黑线干扰。
分析与检修:从故障现象分析,可能扫描通道存在自激。检修中发现当手摸场输出管V402的散热板时,故障消除。V402集电极与散热板是相通的,当手摸该管散热板时,等于给V402的集电极上并联了一个电容。为此,在V402的集电极与基极间并联一反馈电容(约36~47pF),消除该管自激,光栅恢复正常。
例6:机型Z647-4A。
故障现象:光栅下部场幅不满。
分析与检修:开机,调节场幅电位器R410、场线性电位器R431均无效。测量扫描集成电路场扫描部分各脚直流电位及场输出对管V401、V402各极电位,都正常。根据场扫描电路原理分析,电子束扫不到屏底的原因可能是场输出级输出的锯齿波电流幅度不足所致。因此,怀疑场输出对管V401、V402的输出特性不好。将此对管焊下,用MF40型万用表的h\(_{FE}\)档测量它们的放大倍数,发现放大倍数较小(与同型号的三极管比较)。换上同型号对管后,故障排除。
例7:机型Z647-4A。
故障现象:行场不同步。
分析与检修:根据原理分析,该故障发生在视放到同步分离的这部分电路,同时,公共通道中AGC电路增益过高,也有可能造成行场不同步。开机后,测量中放集成电路IC101(TA 7607AP)的视放输出脚的电位,该电位为3.5V,与正常值(3.6V)相差无几,说明AGC电路工作正常。然后,测量扫描集成电路IC501(TA7609P)的脚电位,测量结果为OV(正常值—1V)。查视频倒相放大管V205、射随器V206及脚的外围无器件,都未发现问题。拆下IC501,用万用表测量直流电阻,发现脚的阻值为0Ω(正常值应为∞),更换IC501后,图像恢复正常。
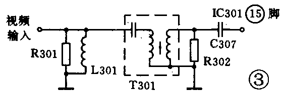
例8:机型Z237-1A。
故障现象:黑白图像正常,但无彩色,调节色饱和度电位器不起作用。
分析与检修:在IC301(TA7193AP)的脚与地之间跨接20kΩ金属膜电阻,即打开消色门,开机观察荧光屏上的图像,仍无彩色,说明色度信号丢失。造成色度信号丢失的原因来自两方面,其一是色信号通道部分存在故障;其二是晶体副载波振荡电路停振。考虑到晶振Y3O1及解码集成电路IC301损坏的可能性较小,故重点检查IC301脚的色信号输入电路(参见图3)。查色信号输入耦合电容C307正常,然后再查由R301、R302、L301、T301等元件组成的带通滤波器,均正常。但在拆卸与T301并接的R302时,发现R302与C307相连的那端印制板上的铜箔有断裂现象(多见图4),用万用表1kΩ档测量该处接触电阻,几乎为无穷大。用短导线将铜箔断裂处加固焊好后,图像色彩立即恢复正常。(周福秋)

