为了适应利用PAL制电视机收看NTSC制录像节目,日本各厂家纷纷推出了具有将NTSC制录像节目信号,转换为“伪PAL”信号功能的录像机。国内市场常见到的有松下NV—L10、NV—15,日立VT-M747等机型具有这种功能。
NTSC制与PAL制彩色电视信号的主要差别有3点。第一是彩色副载波频率不同,NTSC制为3.58MHz,PAL制为4.43MHz。第二是PAL制色度信号中V分量逐行倒相。第三是色同步脉冲相位不同,NTSC制中色同步脉冲相位固定于180°,而PAL制在色度信号为NTSC行时,色同步脉冲相位为+135°;色度信号是PAL行时,色同步脉冲相位为-135°。因此,NTSC—伪PAL转换电路主要围绕以上3点进行工作。在NTSC制VHS录像机与PAL制VHS录像机中存在以下主要不同点:NTSC制VHS机在记录彩色信号时,A磁迹彩色信号逐行移相+90°,而对B磁迹的彩色信号逐行移相-90°。重放时,将彩色信号相位复原,并利用1行延时线抵消相邻磁迹的彩色串扰。PAL制VHS在记录彩色信号时,A磁迹相位不变,B磁迹逐行移相-90°。重放时,将B磁迹彩色信号相位复原,并使用2行延时线抵消相邻磁迹的彩色串扰。另外NTSC VHS机与PAL VHS机带速和磁鼓转速也不同。NTSC制带速为33.35mm/s,磁鼓转速为30转/s。PAL制为23.39mm/s和25转/s。因此,具有NTSC—伪PAL功能的录像机在重放NTSC节目带时,应对有关电路按NTSC规格作相应调整。
VHS录像机中NTSC—伪PAL转换方案的主要目标,是使用较简单的电路将重放的NTSC制录像节目信号处理变换,成为能让PAL制电视机显示出彩色图像的伪PAL信号。因为这种形式的变换没有将NTSC彩色信号转换为标准PAL制彩色信号,所以称伪PAL信号。图1所示为VHS录像机中采用的NTSC—伪PAL转换方案。重放NTSC制彩色信号经NTSC—伪PAL转换电路重新组合而成的伪PAL信号,具有PAL制要求的相位以及按±135°逐行摆动的免同步脉冲,其彩色副载波频率为4.431MHz,与标准PAL制副载波频率4.433MHz稍有出入,色度信号隔行输出,即伪PAL信号中没有PAL行色度信号,所需要的PAL行色度信号在电视机PAL解码器中利用梳状滤波器将NTSC行色度信号延时倒相后代替。伪PAL信号的场颇为60Hz,行频是15734Hz,仍与NTSC制相同,因此只有使用设有场同步调整旋扭的PAL制电视机进行场频调整后才能收看伪PAL节目,否则显示的图像会场不同步。

NTSC—伪PAL转换方案很简单,但电路的简单是以牺牲图像质量为代价而换来的。由于伪PAL信号中缺少一行色度信号,因此PAL电视机接收伪PAL信号时,所显示的彩色图像色饱和度降低,彩色清晰度下降,且容易产生“爬行”现象。另外,用PAL电视机收看伪PAL节目时,还可能会出现图像场幅压缩的现象,这时图像顶部和底部有一条窄黑带。要说明此现象产生原因,还得从电视机中的场振荡和场锯齿波形成电路说起。图2为电视机场振荡和场锯齿波形成电路简图。场振荡输出的正极性场频脉冲电压送往由三极管V和R2、R3及电容器C组成的场锯齿波形成电路。在场扫描正程期间t1时,三极管V截止,电源E\(_{c}\)通过场幅电位器R2和电阻R3向电容C充电,形成场扫描电压正程。t2期间三极管V导通,电容器C通过V和R3放电,形成场扫描电压逆程阶段。如充电时间常数不变,则A点场锯齿波幅度与电容器C的充电时间t1成正比。当PAL电视机接收伪PAL信号时,需调整场同步电位器R1,使场振荡输出的脉冲信号频率由50Hz变为60Hz,脉冲信号的周期变短,锯齿波形成电容C的充电时间t1变短,因此A点的场锯齿波幅度变低,所显示的图像场幅也就减小了。场辐减小的程度与电视机场同步引入范围,电视机出厂调整的场幅余量及场扫描电路的结构有关。因此,使用不同的电视机收看伪PAL节目时,场幅减小的程度不太一样,也可能不出现场幅减小现象。

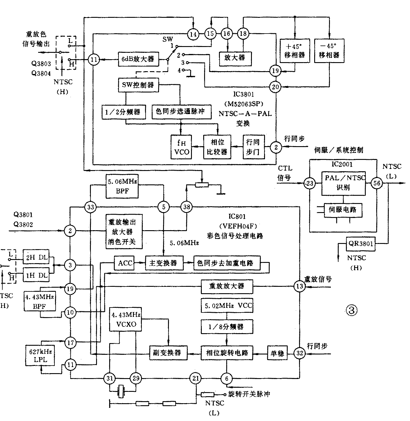
下面以松下L15录像机为例,分析一下VHS录像机中的NTSC—伪PAL实际电路。图3是这部分电路的简化方框图。

首先,录像机应能够判断所重放的节目是NTSC制信号还是PAL制信号。这个任务是在系统控制与伺服集成电路IC2001内完成的。由于NTSC制信号场频为60Hz,磁带上所记录的CTL信号频率是30Hz,PAL制信号场频是50Hz,CTL信号频率为25Hz,因此只要检测重放节目磁带的CTL信号周期就可判断所重放的节目带是NTSC制还是PAL制。重放CTL信号由IC2001第23脚输入,当重放NTSC节目带时,IC2001内部的NTSC/PAL识别电路对CTL信号进行识别后,若为NTSC制则控制伺服电路将录像机走带速度和磁鼓转速按NTSC VHS规格调整到33.35mm/s和30转/s,同时在IC2001的56脚输出NTSC/PAL识别信号(NTSC时为低电平)去控制有关电路。
视频磁头重放的信号经前置放大后,送入彩色信号处理集成电路IC801的13脚,由重放放大器再次进行放大,然后从11脚输出,由低通滤波器取出629kHz重放NTSC降频色信号送入IC801的17脚(由于NTSC色信号降频副载波频率与PAL制接近,因此在重放时,录像机中为PAL制信号设置的高通、低通及带通滤波器的参数不用改变即可适用于NTSC重放信号),送入17脚的降频色信号由ACC放大器放大后,送入主变换器进行色信号升频和彩色信号旋转相位恢复。同时,由IC2001第56脚输出的NTSC识别信号NTSC(L)加到IC801的21脚,控制IC801中的相位旋转电路按NTSC方式工作(IC801是一块NTSC、PAL、SECAM多制式彩色信号处理电路)。此时送入主变换器的本振信号频率仍与PAL制时相同为5.06MHz,经升频和相位复原的NTSC色度信号频率为5.06MHz—0.629MHz=4.431MHz(PAL制为5.06MHz—0.627MHz=4.433MHz),经4.43MHz带通滤波器后由IC801第3脚输出,通过延时线抵消相邻磁迹的彩色串扰。重放时为抵消彩色串扰,PAL制使用2行延时线,而NTSC制采用1行延时线。这一转换由NTSC识别信号控制电子开关来实现。IC2001第56脚输出的识别信号NTSC(L)(低电平有效)经QR3801倒相后变为高电平NTSC(H),控制由Q3801和Q3802组成的开关转换电路。当重放PAL制信号时,开关电路使2行延时线接入,重放NTSC信号时开关电路使1行延时线接入。经延时电路消除了串扰的彩色信号由2脚进入IC801,经放大和消色等电路后由38脚输出,送往NTSC—伪PAL变换电路IC3801的第14脚。此时14脚的彩色信号除副载波频率变为4.431MHz外,其它仍保持NTSC制彩色信号的一切特点,其波形见图4(a)。IC3801的任务是将4.43lMHz NTSC信号进行重新处理组合,变为伪PAL信号。进入IC3801第14脚的4.431MHz NTSC信号送往伪PAL合成开关SW,同时经放大器放大处理后由18脚输出。一路经由+45°移相电路进入IC3801第19脚送往伪PAL信号合成开关SW,19脚信号中的色同步脉冲相位为—135°,信号波形如图4(c)所示。18脚输出的另一路经—45°移相网络由20脚也送往伪PAL信号合成开关SW,此时20脚信号中的色同步脉冲相位是+135°,信号波形如图4(b)所示。伪PAL信号合成开关SW的动作由开关控制电路控制。合成开关控制电路的输入信号是由行同步信号控制形成的半行频脉冲和色同步选通脉冲,波形分别见图4(d)、4(e)。在合成开关控制电路的控制下,开关SW按图4(f)所示的时间顺序动作。t1期间SW3接通,IC3801第11脚输出信号是相位为+135°的色同步脉冲。t2期间SW1接通,11脚输出为第n行4.43lMHzV+U色度信号。t3期间SW2接通,11脚输出为—135°相位的色同步脉冲。t4为14脚在第n+1行V+U色度信号出现期间,使开关SW接地,11脚无信号输出。开关SW在开关控制电路的控制下按此顺序动作,在IC3801的第11脚输出伪PAL信号,波形如图4(g)所示。11脚输出的伪PAL信号加至Q3803、Q3804组成的输出开关转换电路,开关电路受识别信号NTSC(H)的控制。当重放NTSC节目带时,开关接IC3801第11脚,重放PAL节目带时,开关接IC801第38脚。转换开关Q3803,Q3804的色信号输出经一定处理后送往亮度信号电路再与亮色信号混合后,送射频调制器输出。

需要说明的是:具有NTSC—伪PAL功能的录像机,只能重放NTSC录像带,而不能录制NTSC节目;伪PAL信号仅能供PAL制电视机收看,若用NTSC制电视机收看只能看到黑白图像,也不能作节目源进行录制。(刘午平)