在设备先进的电影院观看太空科幻影片时,其配音效果都十分新奇动人。这当然是高质节目源配上电影院优良还音系统特技处理的结果。最近笔者参考有关资料,装制了一款外型象太空飞碟,而音响效果同样别具一格、令人耳目一新的无指向性扬声器系统。在此介绍一下它的制作方法,以飨读者。

图1是该飞碟型扬声器系统的外形结构图。它由8只外形相同的木制号筒式音箱拼装而成。使用时将其吊在天花板上,音频就会充满整个室内,气氛雄浑浓厚,能真实地反映大自然某些声音诸如:雷电轰鸣、狂风呼啸、山谷回声、树丛鸟叫等无指向性声源的音响。

图2是其结构剖示图。它实际上是由两个重低音扬声器以及8个成平均圆周排列的高音(或4个高音与4个中音相间)扬声器组装而成。高音扬声器分别安装在8个号筒的头部,按45°角分别指向水平的8个方向,2只低音扬声器通过2块圆环衬垫相对安装在系统的上部和下部,其指向与高音扬声器垂直。

图3是扬声器箱体的板材开料尺寸及装配方法图。其中号筒式音箱的上下板和圆环衬垫选用12mm的多层夹板,侧面则用约厚5.5mm的夹板。板材的落料尺寸要求精确,便于用白乳胶粘合,并用小钉或木螺丝加固。各号筒式音箱制作完毕后,将8只高音扬声器分别装于号简头部,如四周有缝隙,可以衬垫毡垫密封,再用白乳胶和木螺丝把8只号筒式音箱及上下圆环衬垫合扰装配,最后用砂纸修磨平滑,油上磁漆装饰。建议里层用青蓝色,外围用银灰色油漆扫涂,这样当挂起来时,看上去就象十足的太空飞碟了。
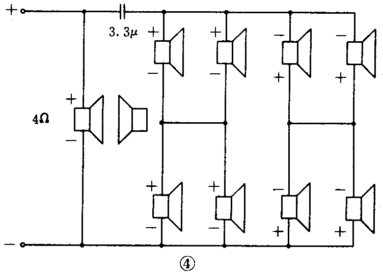
各扬声器的连接方式根据使用条件的不同可分为单声道和双声道两种。若作单声道使用,其扬声器连接方式见图4,注意此时有一个低音扬声器是不接线的,即不输入音频信号。但它能使对面安装的另一个低音扬声器发生的声波产生随动效应,从而使低频扩散变成无指向性。当作为立体声双声道播放时,就可按图5所示连接。这时两低音扬声器分别接在左及右声道,其中一只低音扬声器与其他扬声器反相连接,使两只相对安装的低音场声器发生的声波相位相同。而8个高音扬声器分成每4个一组,再经一枚无极电容简单分频后,担任左右声道的高音重放。


上述这种用多只扬声器分散排列组成的飞碟形无指向性扬声器系统,重放效果非常奇特有趣,其声像定位和传统的扬声器系统有很大差别,它能使聆听者不管处在什么位置,都能听到全音域的声音。此外,它既适用于单声道,又可用在双声道,不仅便于作为独立的声源,而且又能代替时兴的多声道音响系统中的环境效果音箱,值得向广大发烧友推荐。(丁立)