本文介绍的定时器具有以下优点:使用方便,将本装置接上电源,再将需定时电器的电源插头插入本装置的插座孔内即可;定时时间,最长为90分种,用一个按钮可预置9档定时时间,每档相隔10分钟,并有LED指示;制作容易,采用CMOS数字电路等制作,元器件少,精度高,不需调试。下面介绍该定时器的原理及制作方法。
电路原理

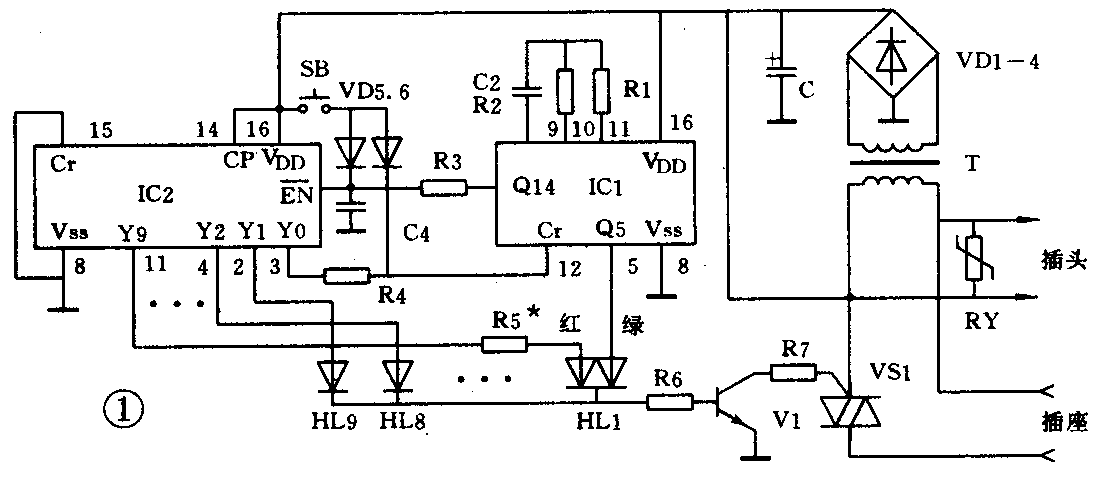
电路原理如图1所示。市电经插头、变压器、整流电路和滤波电路后,提供约10V直流电压。IC1为CMOS数字电路CD4060,系带振荡电路的分频(计数)电路。C2、R2决定振荡频率,其周期为T≈2.2R2·C2。当R2=51kΩ,C2=0.33μF,则T≈2.2×51×10\(^{3}\)×0.33×10-6=3.703×10\(^{-}\)2S。Q14端输出脉冲的周期为T\(_{Q14}\)=3.703×10-2×2\(^{14}\)≈600S即10分钟。Q5端脉冲周期为TQ5=3.703×10-2×2\(^{5}\)=1.18S。Q5端脉冲是作为定时器运行指示用的。C\(_{r}\)端是清零端,加上高电平可使CD4060停振,输出端复位变为低电平。IC2为CMOS数字电路CD4017,系十进制计数分配译码电路,在电路中,用EN-端作低电平触发。当电源刚接通时,YO端输出高电平,此电压通过R4加至CD4060的Cr端,迫使CD4060停振,Q14及Q5端为低电平。按下SB,则CD4060的C\(_{r}\)端和CD4017的EN-端同时变为高电平,CD4060清零复位(如果原先正在运行);释放SB,CD4017的EN-端跳为低电平,CD4017的YO变为低电平,Y1端输出高电平。这时,IC1开始振荡计数。连接Q5端的双色发光管HL1将闪光,而Q14端将每隔10分钟有一个脉冲的下降沿使CD4017计数,直至Y9输出高电平,此时HL1~HL9依次发光,代表延时90分钟至10分钟依次递减。而SCR1由于V1的导通而导通,插座有电。当最后一个脉冲使Y9变为低电平,而YO变为高电平时,CD4060停振,SCR1也截止,插座失电,电路处于稳定的自锁状态,等待下一次预置。按SB可使定时时间设置在90~10分钟9档的任一档上。

本电路对元件要求不高,安装结构如图2所示。T为电源变压器,输入220V,输出5~10V均可,可用时间继电器上的改制。RY为压敏电阻,参数选460V/1000A,用来吸收电网中的过电压脉冲,也可不用。SCR1视负载情况而定,本电路选BTA10A/600V型。V1为9014及类似小功率管。VD1~6为IN4001或IN4148。HL1为双色管,HL2~9为红色管。C1选220~470μF/16V。C2=0.33μF,R2=51kΩ,R1=510kΩ,根据需要可自行调整其值,一般应使R1≈10R2。C3为瓷片、独石或涤纶电容,0.01~0.1μF均可。R3、R4阻值为10~200kΩ之间。R5视具体情况可在0~200Ω间调整,以弥补红、绿管芯的正向压降的差异。R6系HL的限流电阻,也是V1的基极电阻,取3.3kΩ。R7取决于VS1的触发电流,在保证VS1可靠触发时,应越大越好,本电路中取220Ω。IC1、IC2分别用CMOS电路4000系列中的4060和4017,如CD4060、4017或TC4060、4017等,最好各配一只十六脚IC插座。SB可选用废旧电器上拆下的微动开关。
制作
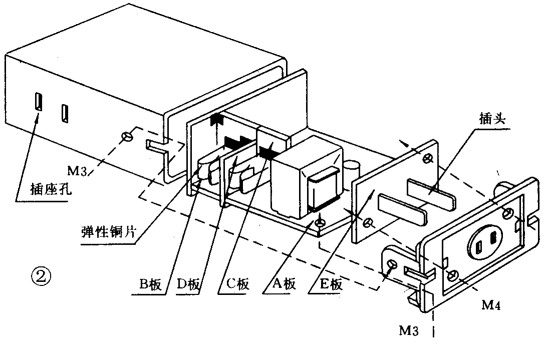
制作时,按图3印刷线路图制好电路板,再按A、B、C、D、E五块小板的轮廓锯开,并打好所有圆、方孔。在A板上装好元器件,B板上装好发光管和按钮,并在铜箔面焊好细引线。C板上安装插座弹片(系普通两眼电源插座上拆下),用焊锡直接焊上,注意要焊牢,且不能使基板过热。E板上安装插头,可利用较长的电源插头上的黄铜片,弯折后插入E板方孔中,在铜箔面焊牢。之后,将C板插入A板上的两个方孔,D板垂直(参见装配图),最后将A、B、C、D板之间交接处的铜箔用锡焊连起来,连好引线。

外壳用JS—14型晶体管时间继电路外壳改制。将底座的引脚及凸极去除,按E板尺寸打好方孔和安装沉孔,并固定E板。把塑料外罩的底面开一长槽孔,以便LED的显示。在侧面接插座弹片的位置开两个方孔,便于电器插头的插入,将整个电路固定在底座上,连好E板到A板的电源线,再合上塑料外罩,拧紧螺钉。
完成以上各个制作步骤以后,整个装置便告成功。检查无误,即可投入使用。(姚大庆)