笔者将自己设计试验的一个功率放大器介绍给音响爱好者,愿佳音共赏。
传统功放末级功率管做推挽放大时,会进入截止区,由此,将带来交越开关失真。为解决这一问题,人们设计了多种电路加以改善。如纯甲类、滑动甲类、甲乙类、甚至数字超前补偿等等。这些电路有的功耗太大,效率低。有的电路过于复杂化,各有不足之处。笔者采用一种简单形式,经试验效果令人满意,暂且称其为无开关功放级。
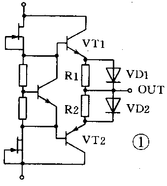
电路原理见图1:将传统功放末级功率管的发射极电阻改为整流二极管与一小电阻并联即可达到无关断的目的,并且有静态功耗低,温度稳定性好,调试容易(甚至免调)的特点。

设计时首先需选择合适的工作点。例如:选用导通电压0.6V的整流二极管VD1、VD2,那么R1、R2上的电压应调在0.4~0.5V。R1、R2的阻值决定了末级功放管的静态工作电流。如用20Ω电阻,那么静态电流就在20~25mA。
当静态时:因R1、R2的阻值较大,可提供较强的电流负反馈,使静态工作电流稳定。当加入信号电压正半周时:R1上的电压升高进入VD1的正向导通电阻区,因二极管VD1导通后的等效电阻很小,电压上升较低;R2上仍将保持一定的电压,这就保证了VT2不进入截止区。同理,负半周时VT1也不会进入截止区。

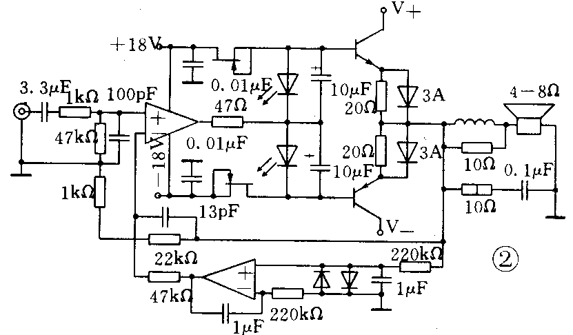
图2是一个功放实验电路。这里的双运放用NE5532,功率管选用优质达林顿对管。要求耐压大于60V,功率50W以上。发光二极管挑选压降1.6V左右的。结型场效应管选耐压30V以上,饱和漏电流4mA左右,或用恒流二极管。±18V电源需用稳压电路。推动电源V\(_{+}\)、V-可从变压器双18V交流输出端经整流滤波获得。该放大器在制做时只要按要求选好质量优良的元器件,布局合理焊接无误,不用调试就能正常工作。它的频响很宽,失真极低,音质纯净,分辨力高。爱好者不妨一试。(朱耐冬)