长江CL—7645A型台式组合音响有两组红、绿、黄三色发光二极管构成的灯光闪动显示,在开机的同时闪光,可增加视觉的美感。但若此时收听中、短波广播,扬声器中就会传出“嗒嗒……”的噪音,当广播信号较弱时尤为严重。其中,中波受干扰的程度比短波大,其干扰噪音频率与灯光闪动频率相一致,使听者感到不舒服。此外,将音色均衡器低频键提到最上端时(即低音提升最大时),也会听到扬声器传出的与灯光闪动频率一致的低频“哼”声。
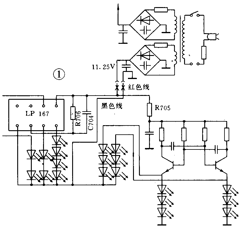
经分析干扰源来自灯光闪动装置,干扰是经过公共电源通过公用线路馈送到收音输入端而产生的。要消除这种噪音干扰,将电源分开设置是一种较为妥善的解决办法。该机设计在同一电源变压器设2个绕组,2组桥式整流,其中一组电源11.25V(实测值)供收音、前置放大、低放、均衡、录放音、电唱、灯光闪动显示;另一组电源22.5V(实测值)供频谱显示及功率放大用。因此,若使灯光闪动显示与收音、前置放大等电路分开,需给灯光闪动显示装置另设一独立电源供电,即将灯光闪动显示从图1中标明的××处与公用电源断开后焊接到新加设的电源上。具体的作法是将灯光闪动显示板上红、黑两根接向电源的出线从公共接线板上焊下来,然后把红色线焊接在新设电源的上,黑色线焊接在上(见图2)。并将新设的电源变压器初级2根出线焊接到本机主变压器初级的2个接线柱上即可。


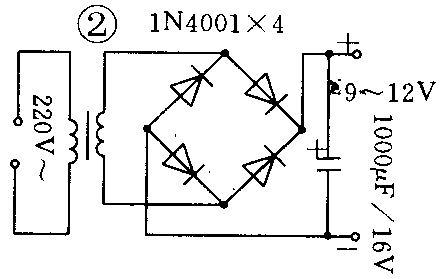
经测量,两组灯光闪动显示二极管当供电电压为9V时,最大电流为50mA。新加设的电源可选用初级电压220V,次级电压9~12V,功率为2~3W的小型变压器一个,1N4001型号的整流二极管4只,1000uF/12V电解电容1只按图2原理图组装。线路板如图3。

在机箱内固定新设电源变压器位置时,开机但不要按动收音、录放及电唱等功能键,将音量控制开到三分之二处并将低音键提到上部位置,然后在平移新设电源变压器的同时转动变压器的角度,当扬声器传出的交流声最小时就是最佳位置和角度,在此加以固定。这一操作是在开机通电情况下进行的,所以应特别注意不要触摸变压器初级的裸露部分,以保安全。采取以上措施后,灯光闪动显示对收听、短波广播的干扰噪音及低频“哼”声全部消除。(何廷顺)