编者按:许多消费者来电来信询问电视机关机亮点问题,甚至由此引起一些争论与纠纷。为了搞清这个问题,中国家用电器维修管理中心和中国消费者协会,特约国家广播电视产品检测中心高级工程师安永成写了这篇文章,对同电视机关机亮点有关问题作了详细介绍,供广大读者了解。
1.电视机关机产生亮点的原因
电视机关机以后,行场扫描电路立即停止工作,电子束不再扫描。尽管灯丝停止加热,但因阴极热容量较大仍继续发射电子,而显像管阳极高压也不会立即消失仍保留一部分高压,对残留电子形成加速作用。由于电子束不再扫描而集中轰击屏幕中心一小部分,形成关机亮点。
2.关机亮点消除方法
亮点是电视机关机瞬间出现的一种正常现象。在电视机电路设计时,一般都加有消亮点电路,不会对电视机或显像管寿命造成影响。通常采用的消除关机亮点的方法有三种,分别作些介绍。
(1)反偏法:在关机瞬间使显像管栅极和阴极之间形成100多伏反向偏置电压,阻止阴极电子发射而避免形成亮点。栅阴之间反向偏置有两种办法:关机瞬间使阴极保持100多伏正电压,持续1~3秒钟;或者在关机瞬间使栅极保持100多伏负电压,持续1~3秒钟。图1.2示出反向偏置的两路典型电路,图1为阴极正向偏置,图2为栅极负向偏置。为了使亮点消除作用明显,采用反偏法的电视机,关机时亮度控制应置于最暗,会使亮点消除效果更佳。

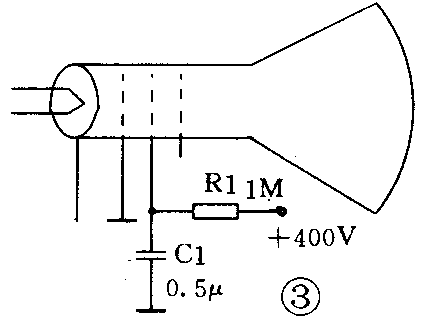
(2)瞬时泄放法:在关机瞬间使显像管栅阴之间反偏立即消除,加速极仍保持高电位而使显像管出现瞬间较大的束电流,使阴极上的电荷泄放,在扫描电路尚未停止工作之前基本泄放完,这样就破坏了关机产生亮点的条件,图3示出瞬时泄放的典型电路。采用瞬时泄放法的电视机,关机时亮度控制应置于最亮,会使亮点消除效果更佳。

(3)光栅收缩法:在关机瞬间使行场扫描不立即停止工作,而作减幅扫描,这样使矩形光栅由大变小,最后形成一条水平线,最后收缩成一个光点而迅速消失,一般持续0.1~0.5秒钟。实际是关机瞬间光栅逐渐收缩过程中,使阴极上残留电子及阳极高压电容上的电荷迅速泄放完,而破坏了关机亮点形成条件。这种关机亮点消除办法在电子管电视机中应用最多,有些彩色电视机也采用这种办法。这是因为电子管电视机的电源滤波电容大,又是高压供电,使得关机瞬间电源电压不会立即消失而扫描电路逐渐停止工作。彩色电视机采用开关电源,扫描电路又是高压供电,而电源滤波电容容量大(200μF/400V),使得关机瞬间电源电压不会立即消失而扫描电路逐渐停止工作。这样都使光栅迅速缩小而消失。
目前彩电大多采用荫罩式自会聚管,荫罩在实现选色的过程中要截获约85%的电子,只有(15~20)%的电子能通过荫罩去轰击荧光粉。再者彩管的聚焦、会聚的调整很复杂,必须反复仔细地调整才能使这部分电子束通过荫罩。刚一关机电子束的聚焦及会聚的正常关系即已不存在,因此很难形成光点,多数只会形成彩色光环,并且在很短时间内消失。有个别彩管在开、关机瞬间出现的瞬时局部彩斑,这是一种寄生放射,由显像管电子枪枪体内静电积累放电而引起的。严重的寄生放射是有害的,它会破坏最佳聚焦状态,这类管子在出厂前按有关规定被淘汰了。一般轻微的寄生放射不会影响显像管的寿命。也有个别显像管在开、关机瞬间出现局部亮斑,持续时间很短。它是由显像管屏内涂层不连续造成的电荷积累引起的,它不会影响显像管寿命。总之,瞬间产生的轻微寄生放射和亮斑,不会影响图像质量,也不会影响显像管寿命和人身安全。
3.有关标准的解释
电视机关机产生亮点是一种缺陷,亮点持续时间如果太长,会在屏幕中心造成黑斑,不但影响图像质量,而且还会影响显像管的寿命。因此,在国家标准“彩色电视广播接收机总技术条件(GB—10239)”中规定:开机20分钟后,关机5秒尚有亮点,则判定为重缺陷;关机后5秒钟之内有一点亮点是正常现象,可以不算缺陷。这就是说关机亮点是客观存在,要求绝对没有是不可能的,但必须规定一个限定时间。
最近我们先后两次对中国华侨旅游侨汇服务总公司、中国家用电器维修管理中心、中国消费者协会提供的两台日立牌彩色电视机(CRT—2408型、CPT—2177FS型)进行了关机亮点检测,并未发现异常现象,符合国家有关标准。根据我们多年对国内外彩色电视机检测结果来看,均未发现关机亮点或光环超过标准的质量问题,广大消费者可以放心使用。(安永成)