目前社会上流行的家用录像机型号繁多,功能各异,所用的微处理器型号也不相同,互换性差,损坏后在市场上很难买到。从损坏规律来看,微处理器内局部电路损坏比较常见,完全损坏(如发热、冒烟)几率较少,因此在多数情况下可用局部代替的办法进行补救。下面列举两个故障实例,以供参考。
例1故障现象:一台JVC—HR—D210EE型录像机接通电源开关,插入带盒,按下倒带、快进键工作正常,按下重放(PLAY)键,监视器上有正常的彩色图像和伴音信号。但按下停止(STOP)键,鼓电机停止转动而不卸载,3秒种后自动切断电源,机器处在停机保护状态中。
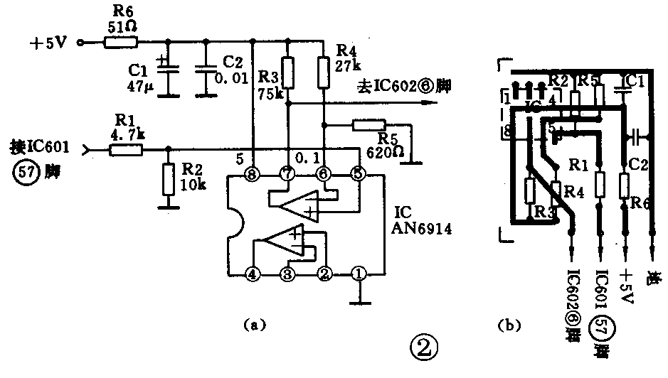
分析与检修:由上述故障现象分析,故障可能存在系统控制电路中,为了迅速确定故障存在的部位,首先应查明故障是由加载电机驱动电路工作不良造成的还是微处理机无控制指令信号输出而引起的。检修时先用手拨动加载电机皮带轮,使其卸载后退出带盒。重新接通电源,在停止状态下用500型万用表检查加载电机驱动集成块IC602(BA6259N)各脚对地电压均为正常。插入带盒,按下重放键,加载完毕,然后将万用表黑表笔接地、红表笔监测IC602⑥脚,为低电平(0V)。接着按下停止键,IC602⑥脚仍为低电平(正常时应为5V高电平),说明IC602⑥脚电平控制有问题。拔下电源插头,用万用表检查IC602各脚在路电阻,发现⑥脚仅有40Ω(正常值应为7.1kΩ)。图1是该机带仓和加载电机控制电路。由图可见,IC602⑥脚直接受微处理器IC601(M50731—626)8输出的指令信号控制。从电路板上焊下IC602⑥脚与IC6018之间的连接线B414,然后重新测量IC602⑥脚对地在路电阻,阻值正常,说明IC6018内部电路已击穿损坏。IC6018内部击穿损坏后,重放时按下停止键,IC602⑥脚没有高电平控制信号输入,⑩脚和③脚之间就没有卸载驱动电压输出,电机不动作,于是出现上述故障现象。很显然,要使电机恢复卸载机能,首先要解决在重放状态时按下停止键,IC602⑥脚应有一个5V高电平控制信号输入,如果能做到这一点,问题就能得到解决。考虑到IC6018内部击穿损坏后仍有40Ω左右的在路电阻存在,进一步从万用表测量IC6018上的电压变化情况,在重放状态时,按下停止键,发现8上仍有0.25V左右的电压变化,这个变化电压虽然很微弱,但从电路上考虑将它变换成高电平的输出是容易做到的。这时可在IC6012与IC602⑥脚之间加装一个电压比较器电路来解决。图2a是用AN6914加装的一个电压比较器电路。AN6914是一块双运放器,本电路仅用其中一个。其工作原理如下:接通电源开关,反相输入端⑥脚通过R4、R5分压加上一个0.1V固定门限电平,⑦脚输出低电平(0V),重放时按下停止键,IC6018输出一个约为0.2V的控制信号电平并加到AN6914同相输入端⑤脚,使得V5>V6,⑦脚输出高电平信号加到IC602⑥脚上,IC602⑩(-)脚和③(+)脚立即输出驱动电压并加到电机两端令其卸载,卸载完毕,IC6018输出为零,比较器AN6914⑦脚输出也为零,从而完成控制过程。图2b是自制的小印制电路板。


安装调试:由于本电路采用集成块AN6914作电压比较器,外部零件少,安装调试都很方便。调试时主要考虑调整反相输入端⑥脚固定门限电平,使得无控制信号输入时V6>V5,⑦脚输出低电平;有信号时V5>V6,⑦脚输出高电平即可。调试完毕,将自制小印制电路板固定在主电路板IC601附近。安装时将IC6018与IC602⑥脚之间的连接线B414焊下,然后把自制小印制电路板标有去向的引脚用导线分别焊到主电路板相应的焊点上,机器就能恢复正常工作。
例2:机型同上。
故障现象:接通电源开关,插入带盒,按下各功能键,均为正常,但按下重放键,鼓电机不转动,加载完毕立即卸载。
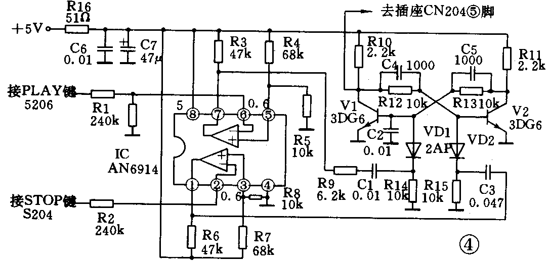
分析与检修:由上述故障现象分析,故障可能存在于系统控制或鼓伺服、鼓驱动电路中。为了迅速确定故障存在的部位,在停止状态下先用万用表检查微处理器IC601(DRUM ON/OFF)的电位为低电平,按下重放键,仍为低电平(正常值应为高电平4.2V),说明IC601控制信号有问题。拔去电源插头,用500型万用表测量IC601在路对地电阻,阻值为2.6kΩ(正常值应为7kΩ)。将IC601从电路板上焊成悬空,然后再测量其对地开路电阻,阻值为2.8kΩ,说明IC601内部电路已击穿损坏。图3是该机DRUM ON/OFF控制电路。由图可见,IC601从电路上悬空后,+5V电压通过电阻R433(10kΩ)直接加到鼓驱动电路上,因此接通电源开关后,鼓电机立即转动。按下重放键,加载完毕,观察监视器有正常的彩电图像和伴音信号。但当按下停止键(这时鼓驱动电路已失去控制),卸载后鼓电机仍然转动不停。上述检查结果表明,如果在电路上能够恢复IC601(DRUM ON/OFF)机能,机器就能正常工作。IC601(DRUM ON/OFF)输出只有两种状态,即重放时输出高电平,鼓转动,停止时输出低电平,鼓不转。这就要考虑设计一个按照指令控制DRUM ON/OFF的电路来进行局部代换。这个电路如图4所示,它是由电压比较器和双稳态触发电路所组成的。集成块AN6914内部两个运算放大器分别担任“重放”和“停止”信号的检测比较工作,DRUMON/OFF控制信号由双稳态V1集电极输出。其电路工作原理如下:接通电源开关,“重放”比较器同相输入端⑤脚经电阻R4、R5分压得到一个0.6V固定的门限电压,反相输入端⑥脚经电阻R1接到面板操作键S206(PLAY)键,即+5V电源端,使得V6>V5,⑦脚输出低电平。与此同时,“停止”电压比较器同相输入端③脚经电阻R7、R8分压得到一个0.6V固定门限电平,反相输入端②脚通过电阻R2接到面板操作键S204(STOP)键,即+5V电源端,使得V2>V3,①脚输出也为低电平)双稳态电路V2截止,V1饱和,V1集电极输出低电平,鼓电机不转动。插入带盒,按下重放键,“重放”比较器反相输入端⑥脚立即变成低电平,这时V5>V6,⑦脚输出高电平,此信号经C1、R4微分后得到一对尖脉冲,通过隔离二极管VD1选出负脉冲触发V1基极,使得V1截止、V2饱和,V1集电极输出高电平并加到鼓驱动电路,鼓电机转动,机器处于正常重放状态。在此之后,如果没有外来信号触发,双稳态电路将始终保持V2饱和、V1截止状态。当放像完毕,按下停止键,“停止”比较器反相输入端②脚上的电位立即下降为零,这时V3>V2,①脚输出高电平,此信号经C3、R15微分后得到一对尖脉冲,通过隔离二极管VD2后,选出负脉冲触发V2基极,双稳态电路立即翻转使得V2截止、V1饱和,V1集电极输出低电平,鼓电机停止转动并卸载,于是完成DRUM ON/OFF控制机能,图5是自制印制电路板。制作时双稳态触发电路晶体管V1、V2选用3DG6,要求管子β为100、V\(_{ces}\)≤0.3V,其它元件无特殊要求。为了保证接通电源时V1饱和、V2截止,可适当减小V2集电极电阻R11或在V1基极对地之间接入一只0.01μF的电容。调试完毕将自制小印制电路板安装在机内空间位置,然后按电路板上标有去向的引脚用导线分别将它焊到主电路板和操作面板相应的焊点上,机器就能恢复正常工作。(黄福森)


