声频的数字延迟处理技术有着与模拟技术截然不同的工作原理。首先,它利用模数(A/D)转换器将需作延迟处理的音频信号进行模拟向数字的转换,然后将转换后得到的二进制编码数据即音频的数字化信号存入存储器。经过预定的一个时间间隔后,再取出存储器中原先存入的数据,经过数模(D/A)转换后,得到延迟后的音频信号。
本款数字混响器所采用的延迟处理芯片——DN888,是一片采用上述原理工作的数字延迟处理IC。它采用大规模CMOS工艺,内部包含有前置放大、10位A/D或D/A转换器、系统振荡器、时基产生、地址产生及输出、移位寄存、延迟振荡器等部分,配接价廉的动态存储器DRAM,即可取得优良的延迟效果,并且可以通过增加DRAM的容量来加长延迟时间。
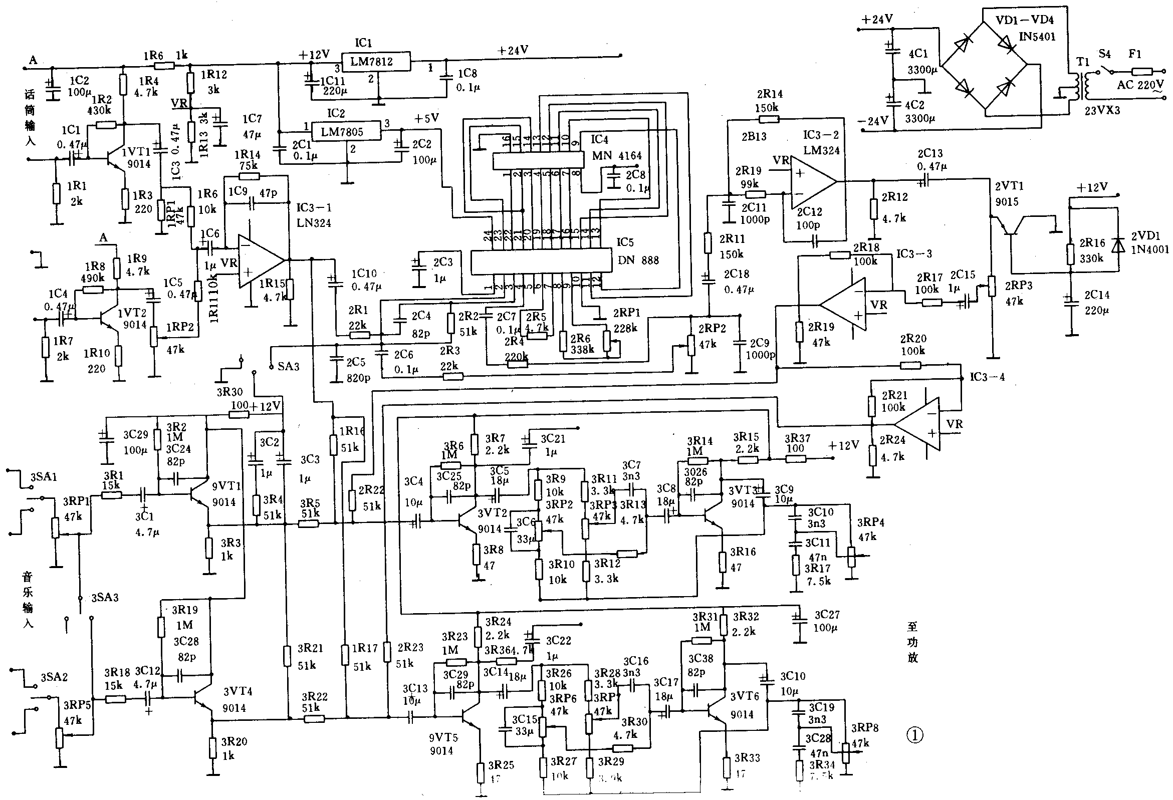
采用DN888和DRAM MN4164系统设计的高档数字延迟卡拉OK混响器的电路如图1所示。信号处理线路设计的功能有:两路话筒输入;歌声延迟混响功能;音乐混响修饰功能;模拟立体声/矩阵环绕声功能;有源音调电路。

话筒采用阻抗为600Ω的动圈话筒,经过1VT1、1VT2两个低噪音高β管的前置放大,增益约20dB,1RP1、1RP2用以调节两路话筒的输入,经1R6、1R11混合后,送入IC3—1混合放大器进行再一次放大,此级增益约16dB。经过两级放大后的话筒信号送入DN888延迟系统。2R1、2R2和DN888内部的前置运放共同构成增益为6dB的低通放大器,截止频率约为8kHz。2C9是DN888前置运放的偏置电容,2端为DN888的信号输入端,3端为前置放大器的反馈端,4端为延迟信号的音频输出端。2RP2是D/A输出的负载电阻。电容2C9是D/A输出端的积分滤波电容,宜选用高频性能好的玻璃釉质电容,主要用作滤除时钟频率信号和对音频波形进行平滑处理,以抑制高次谐波的干扰。5端为外接存储器的选择端,当5脚为低电平时,DN888应配接256k DRAM。本电路使用64kDRAM,故5脚悬空,6、7两端外接的电阻2R5与内部电路共同构成DN888的系统振荡部,振荡频率为3.75MHz,8、9两脚外接的2R6和2RP1与内部电路构成延迟振荡器。调节2RP1,可以设定0~250ms之间的任意的延迟时间。为适合不同需求,设计混响部分时,使混响深度、混响时间、混响效果三者可以分别独立调节,将三者调节量进行不同组合,便可以产生不同处理效果。DN888的11~18脚为地址输出端,21脚为数据交换端,和DRAM进行串行数据传输。
DN888系统的工作电压为+5V。内部的A/D、D/A转换器对于电源的纹波及噪声要求较高,故应采用稳压电源;并应最大限度地降低电源部分的噪声及高频内阻。由DN888输出的经过延迟的模拟音频信号送至运放IC3—2组成的有源低通滤波器,目的是进一步降低音频信号中混有的时钟脉冲。运放IC3—3、IC3—4构成环绕声/模拟立体声处理电路。实质上是将混响的成份互为反相,变为两路输出至音调部分。由于DN888的采样频率达25kHz,根据采样定理,系统所能达到的频率响应理论上可达到12kHz。实际设计中,可以做到7kHz。因此,可以对输入的音乐信号进行混响处理,使得音乐在听感上更丰满、圆润。音乐的混响功能由开关SA3选择是否加入混响。
线路输入级和有源音调部分均为常见的电路形式,不再多述。
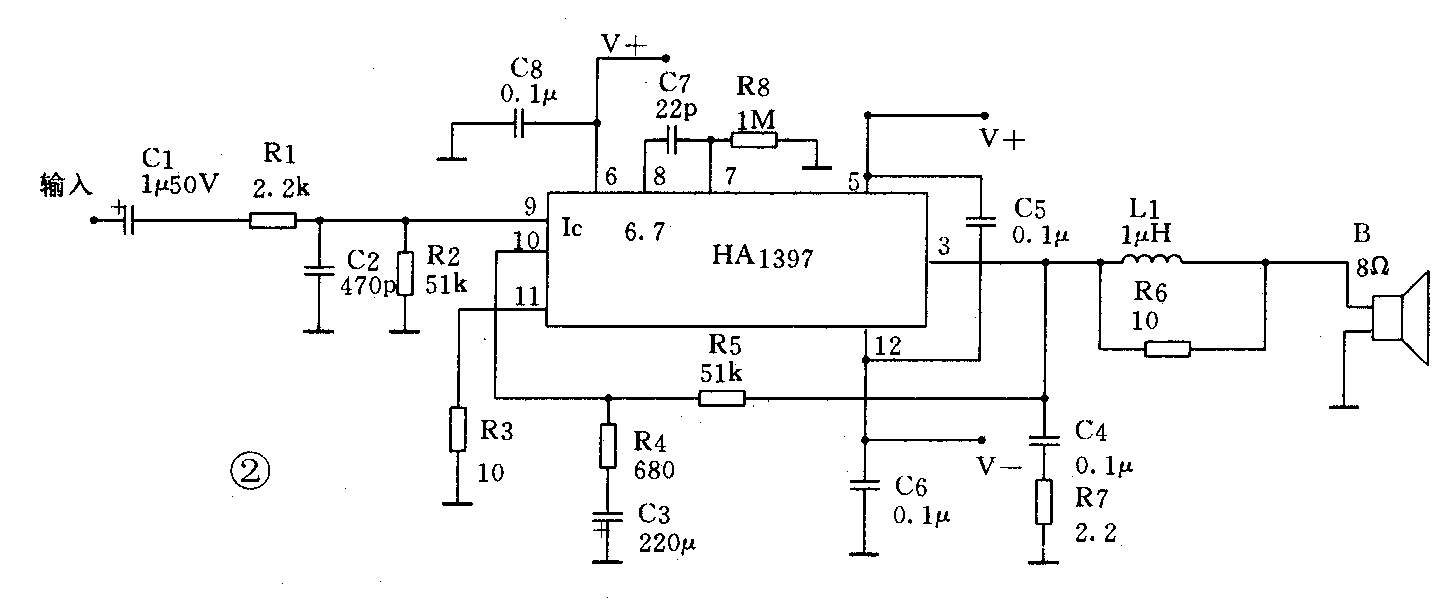
配合DN888混响线路的功放,是采用日立公司的高保真功放ICHA1397,见图2。其典型的电源电压为±22V,负荷8Ω,工作于乙类状态,效率较高。其高频谐波失真率和交越失真均很小,频率响应可达120kHz,非常适用于作Hi—Fi功放。内部保护电路齐全,且稳定可靠。其短路保护电路在极限电源电压下,满载正弦功率输出时,可以可靠地保护2分钟。该IC的极限峰值输出电流为7.5A,耗散功率可达30W,是一款性能价格比很高的功放。先锋(PIONEER)RX-10,MX—40两种机型的组合音响即采用HA1397作为功率放大器。印板设计时采用四块线路板:混响处理板,音调处理板,功放板和等响度控制板。配合HA1397功放使用的变压器额定功率应达75W,以保证足够的功率余量和动态输出。(张国鹏)
