SR460是一种可以直接使用EPROM并可分16段(在CPU控制下可任意分段),外存储器容量可以扩展的新型语音电路。它比以前推向市场的多种语音电路性能更优,是一种具有广泛用途的语音电路。SR460与以前的几种电路的性能比较见表1。
表1 SR460的性能
型号 存储容量 扩展 段数 录音时间 掉电否 CPU接口
SR460 1M 8M 16 93秒 不怕掉电 有
SR360 4M 无 16 384秒 怕掉电 有
YYH402 512k 无 无 46秒 不怕掉电 无
YYH403 513k 无 4 46秒 不怕掉电 无
T6668 1M 无 16 93秒 怕掉电 有
YYH16 256k 无 无 23秒 怕掉电 无
YYH40 513k 无 无 46秒 怕掉电 无
SR9F25 单片集成永久记忆型语音电路
1.直接使用静态存储器或EPROM作为语音存储器,因而电路简单,不怕掉电,存储器可选用64k(即6264或2764),也可选用256k(即62256或27256),最多可选用4片。
2.通过外围电路把外接的存储器容量扩展至8M,即时间可以扩展至745秒(在11kHz采样频率之下)。
3.在“人工控制”方式下,可分16段录放音。
4.有4种采样频率供选择。
5.具备CPU接口,及11条指令。
6.单一正5伏电源供电。
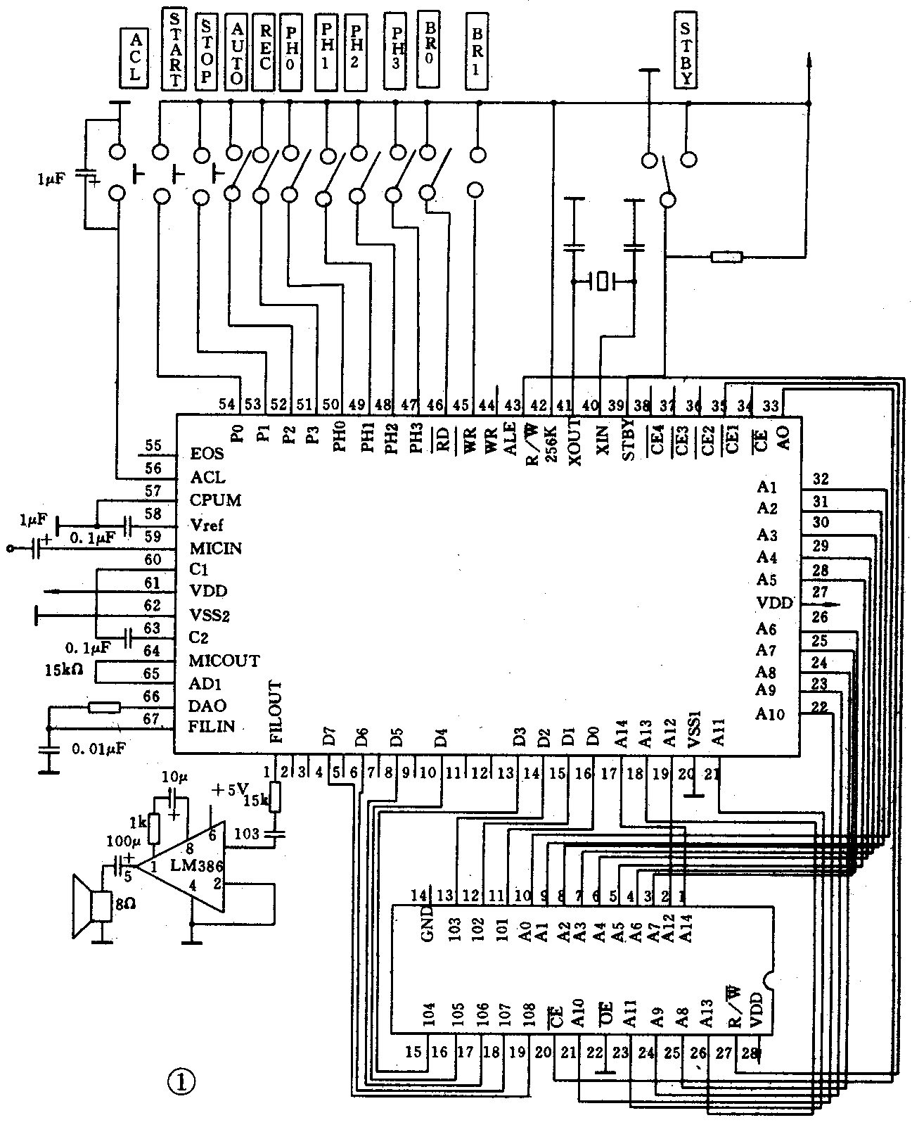
图1为SR460在人工控制下的典型线路。

下面介绍SR460的人工控制方式,关于SR460的CPU方式以后作介绍。
1.分段:SR460在人工控制方式下可以分16段。见表2录音时从第0、第1…段开始按顺序录制,而放音时则可以放16段的任意一段。
表2 人工控制方式的分段选择
段 号 PH3 PH2 PH1 PH0
0 0 0 0 0
1 0 0 0 1
··· ··· ··· ··· ···
··· ··· ··· ··· ···
··· ··· ··· ··· ···
15 1 1 1 1
2.采样频率选择:SR460具有4种采样频率供选择,见表3。
表3 比特率选择(人工方式)
比特率 WR-RD-
8kb/s 0 0
11kb/s 0 1
16kb/s 1 0
32kb/s 1 1
3.录音过程:设置段号,从第0段开始,SR460把第0段的地址写入变址存储器之中,录音结束时把第0段的结束地址也写入变址存储器,以便在放音时使用。后一段的起始地址为前一段的结束地址加1。总共在人工方式有16段。每一段的录音空间可长可短,是随机的,由实际使用决定。
第1次录音时。先使用ACL=L(低电平),使SR460的地址计数器复位。让P3=H(高电平),SR460进入录音等待状态,PO为高电平时。开始录音,地址计数器自动计数。当P1=H或地址计数器达到最大值时,录音停止。地址计数器的最大值由外接存储器的容量而定。如果外接的存储器已录满,则不能继续录音,再录音的话只有使ACL=L(地址计数器复位)才行。
4.放音与暂停功能:先指定一个段号。让P3=L,则SR460进入放音等待状态。P0=H时,将把起始地址及停止地址之间的内容放音。
5.P1=H时,放音暂停,如使P0=H、则继续放音下去。在暂停过程中,如果再使P1=H,则放音终止,放音达到终止地址时,也使放音终止。
SR460成品板的元件布局如图2所示。

图2中,A、B、C用于选择IC1至IC4插座中的存储器类型:当采用静态存储器时(如62256),将A接通、C接通,B接点断开;当采用EPROM时(27256),A接点、C接点断开,B接点合上。
在IC1、IC2、IC3、IC4上插入62256时,把A接点及C接点短接,B接点断开。E、F接点用于选择采样频率。“MODE”键用于选择HL6及HL7。HL6为自动模式,通常选为不亮状态。HL7亮时为录音状态,HL6灭时为放音状态。HL2、HL3、HL4、HL5分别对应PH3、PH2、PH1、PH0用于指示段号,由“END”键来选择。若使用E-PROM27256,则A接点C接点要断开,B接点要短接。
录音时,先按复位键。按“END”键,使HL7亮HL6灭,再按“BEG”键开始录音,此时HL1亮,表示正在录音。HL2、HL3、HL4、HL5指示的段号为0000,如果HL1亮时按“END”键,则第1段录音完毕,同时HL2、HL3、HL4、HL5指示下一段1000,再按BRG键开始第2段的录音,其余段的录制方法一样。
放音时,不可按复位键。先用“END”键来选择段号,用“MODE”键使HL6、HL7都灭,按“BEG”键就把该段的内容放出来了,如果使用EPROM放音就可以不怕按复位键。
如果外接的存储器的容量大于1M位,那么就要用一个地址锁存器把最高的5位地址与最低的5位地址分离开来,A0至A4与A15至A19是复用SR460的五个端口,从而共有20位地址。
为了使大家能够充分地运用SR460,现将其主要引脚介绍如下。
1.FILOUT:内部宽频带滤波器输出。
2.TEST:测试用引脚,使用时悬空。
3.D7、D6、D5、D4、D3、D2、D1、D0是并行数据I/O端口,与SRAM或EPROM的相应I/O端口相接。在CPU控制下,进行DMA操作时这些端口为高阻态。
4.A14、A13、A12、A11、A10、A9、A8、A7、A6、A5、A4、A3、A2、A1、A0是地址输出端,与外接的SRAM及EPROM地址端相联。
5.VSS1、VSS2:电源地线。VSS1为数字地线。VSS2为模拟地线。线路板设计时,要注意VSS1与VSS2只能在一处相联接,这样才能获得较好的音质。
6.VDD:电源正极。为+5V。
7.CE-:用于外接扩展SRAM或EPROM的片选信号。
8.CE1-、CE2-、CE3-、CE4-:外接SRAM、或EPROM的片选信号。
9.STBY:使SR460进入“等待”状态时的输入控制信号。STBY=H时,进入“等待状态”。
10.XIN、XOUT:晶振输入与输出端,外接655kHz晶振。
11.256k:SRAM类型选择端,当256k=L(低电平)时,外接的存储器应为64k,而256k=H(高电平)时,外接的存储器应为256k。
12.R/W-:外接存储器的 R/W-端,为读写存储器控制信号。
13.ALE:外接存储器容量扩展时用于地址锁存用的控制信号。
14.WR、RD:在CPU控制方式下,WR用作写P0至P3的写选通信号。RD用作读P0至P3的读选通信号。在人工控制方式时作为比特率的选择。
15.PH3、PH2、PH1、PH0在人工控制方式时作为分段选择用,见表2。
16.P3、P2、P1、P0在CPU控制方式下,作为CPU与SR460之间数据、指令及状态的双向通道。在人工控制方式下:
P0 录放音的启动信号,高电平有效;
P1 停止”控制信号;
P2 自动分段选择;
P3 P3=H为录音状态,P3=L为放音状态。
17.EOS:在录放状态等待时为高电平,在录放状态时为低电平。
18.ACL:复位信号。
19.CPUM:CPUM=H为CPU控制方式,CPUM=L为人工控制方式。
20.VREF:接一个内部运放放大器所需的电容。
21.MICIN:接一个话筒。
22.C1、C2:这两个端口通过0.1μF的电容联接起来。
23.MICOUT、ADI、DAO:为内部信号用,见图1。
表4 绝对参数
符号 参数 范围 单位
VDD 电源电压 -0.3~7.0 V
VIN 输入电压 -0.3~VDD+0.3 V
VOUT 输出电压 -0.3~VDD+0.3 V
TSTG 保存温度 -55~125 ℃
表5 最佳使用参数
符号 参数 范围 单位
VDD 电源电压 4.5~6.5 V
VIN 输入电压 0~VDD V
VOUT 输出电压 0~VDD V
TOPR 工作温度 -10~70 ℃
FCLK 工作频率 512 kHz
(杨跃华)