所谓DC—DC变换器即直流——直流电压变换器。CW4960/4962/4964/296系列直流变换器集成电路,是北京半导体器件五厂引进生产的。国外对应型号为L4960/4962/4964/296。这种系列电路电于将功率开关晶体管集成在芯片内部,所以只需少量外接元器件,便可组成一个完善的直流降压式开关电源。芯片内设有过流、过热保护,输出电压可调,变换效率达80%,功能齐全、结构简单、使用方便、应用范围广。例如工作中常常需要把直流12~24V电压降低为5V,提供给仪器设备或电路使用。设输入电压V\(_{i}\)=24V,输出电压Vo=5V,输出电流I\(_{o}\)=2A,输出功率po=10W,如果采用一般三端线性集成稳压器时,输入功率p\(_{i}\)=48W,在调整管上消耗的功率为48W-10W=38W。这些功率将变为热量消耗掉,其效率为20%左右。若采用CW4960变换器,由于该集成电路效率高达80%左右,在同样的输出电压与电流情况下,要求其输入功率Pi为12W即可。CW4960系列电路的基本参数列于附表,供读者选用器件时参考。

一、CW4960/4962的基本应用
图1是CW4960外形及管脚排列图。

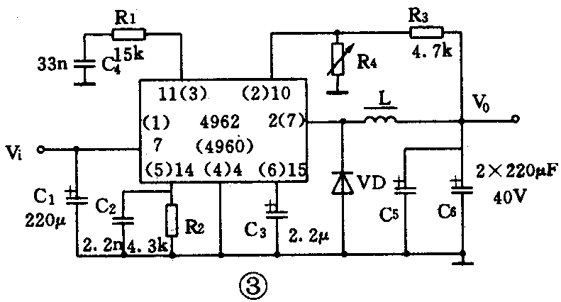
图2是CW4962外形及管脚排列图。图3是基本应用电路。CW4960系列电路的工作原理为串联开关降压式,其内部电路由5V精密电压基准,误差放大器、振荡器、比较器以及功率开关管组成,内部还含有软启动、过流、过热保护等电路。高速开关功率管在振荡器确定的频率下工作,将输入的直流电压V\(_{i}\)斩成方波,再输出到电路外边的滤波器后成直流电压。由于开关管工作时的占空比是受误差放大器、比较器控制,所以经过滤波后的直流电压便是变换后的电压。


下面以CW4960电路为例,介绍有关元器件的选用。⑤脚为定时电容C\(_{T}\)、定时电阻RT端,调整其数值,使电路工作在80~100kHz即可,用示波器可以看到振荡器的锯齿波形。③脚为误差放大器的补偿端。⑥脚为软启动端,一般软启动电容取2.2~4.7μF的电解电容器。②脚为调压取样端。⑦脚为电压输出端,它外接滤波电感L、电容C以及续流二极管VD。⑦脚送出的是幅度为V\(_{i}\)的方波,方波频率由RT、C\(_{T}\)确定,方波宽度由Vi、V\(_{o}\)、Io几个因素决定。对于这种串联开关式电路,电感L、二极管VD的选择是很重要的。其中VD选肖特基二极管或超快恢复二极管比较合适。电感L建议采用FeHiMo磁环来绕制。电感量约为300μH。①脚的滤波电容,在许多情况下也是必须的。为了减小输出电压的纹波,最好选用低阻抗、高频电解电容器多个并联使用。R4用来调整输出电压大小。只要元器件选择合适,变换器组装后,可以免去调试。
二、CW4964/296的基本应用

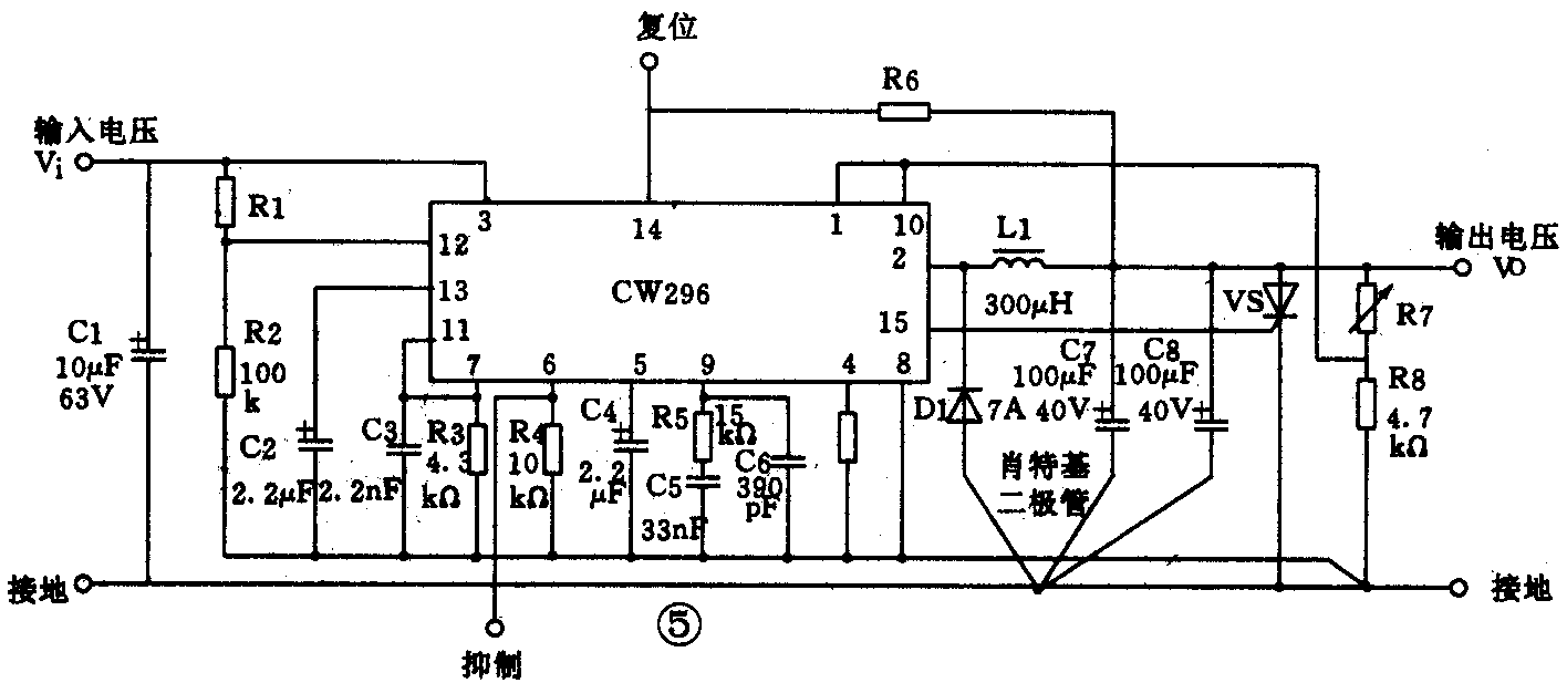
图4给出了CW296的外形、管脚排列示意图。CW4964外形与CW296相同,管脚排列除①、④、为空脚以外,其余各脚排列名称与CW296相同。

图5是基本应用电路。CW4964/296与4960/4962相比除输出电流较大外,还增加了限制输入电流和过压保护功能。⑥脚为抑制输入端。当这里输入逻辑高电平时,CW296停止工作,此功能不用时要将此脚法地。⑦脚为同步输入端,将多个CW296的⑦脚并连,而只保留一个器件R\(_{T}\)、CT网络,可使这些器件同步工作(不使用时一定要与脚短接)。、、脚是为配合微型计算机而设置的重置电路(或叫复位电路),其中脚是定限为5V的重置输入端,它可以检测输入或输出电压的下降。当被检测电压经分压后略低于5V时,脚重置输出端将输出一个经过延迟的低电平信号(正常时为高电平),延迟时间由脚的重置延迟电容的大小决定。
上述三个功能是CW4964/296共有的,还有两个功能是CW296独有,如④脚输入限流功能,在该脚对地接一只电阻,便可以限制器件的输入电流。例如电阻为33kΩ时,I\(_{o}\)<3A(④脚开路时限流为5A)。①脚为过压保护输入端,当此端电压高出基准电压5V±20%时,保护电路动作,脚输出信号触发可控硅,使输出端对地短路,防止输出过电压,可控硅的短路电流由④脚的过流定限决定。
三、输出电流扩展
当电路输出电流越过4A时,可以在CW4962的基本配置上增加一只高速功率开关三极管,来满足扩展其输出电流的要求,图6是输出电流达10A的应用电路(扩流部分的电路)。图中的T\(_{1}\)为电流互感器,过电流信号通过倍压整流检出,启动三极管VT2(软启动端脚接地时,CW4962停止输出电流),以限制稳压器的平均工作电流。同样,CW4960/4964/296也可以用这种方法来扩展电流。

上述是CW4960/4962/4964/296电路的基本性能和使用方法,通过灵活的运用,它还可以实现更多的功能,例如从0V起调的稳压器、双电压输出稳压器和升压变换器等等。有兴趣的读者可以阅读《北京半导体器件五厂集成开关稳压器应用手册》,以便做更详细的了解。(王允和 刘胜利)