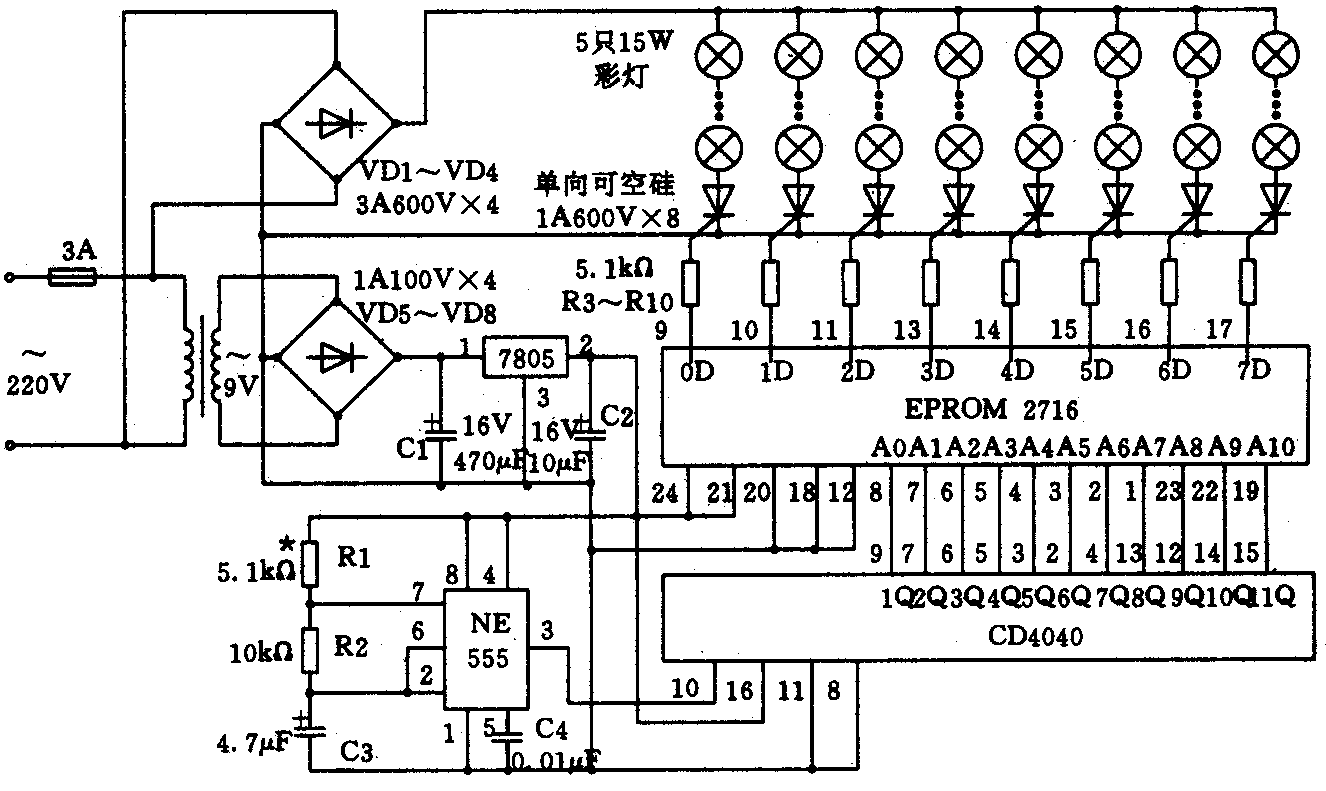
本文介绍一种用紫外线擦除可编程只读存储器EPROM2716组成的彩灯控制器,其电路简单如附图所示,输出千变万化,电路图中2716预先写入灯光变化程序,它的数据端通过一只5.1k欧姆限流电阻接相应可控硅的控制极。当数据端输出为“1”时,相应的可控硅被触发导通,该路灯亮;数据端输出为“0”时,不能触发相应可控硅导通,该路灯不亮。二进制计数器4040的输出端按顺序与2716的地址端连接,4040输出的变化就导致2716地址的迁移。时基电路555与R1、R2、C3、C4等组成振荡器,其输出作为计数脉冲直接交给4040计数。整个工作过程是:振荡器不断向计数器4040提供计数脉冲,使输出不断变化,因此2716的地址不断递增,其数据输出按预先写入的程序不断变化,彩灯的亮灭也跟着不断变化。

编程时,可按自己设计的灯光变化顺序进行。比如:先使三只灯由右至左移动(即亮,下同)。重复数次后,变为由左向右移动,然后又变为两灯跳跃(中间间隔一灯)向左或向右移动。移完后又可变为中间两灯亮,逐渐同时向左右两面扩散,扩散完毕灯全亮后,又一只一只地熄灭,然后又一只一只地点亮……等等。该电路可带8路5组彩灯。如果这5组灯按一定的排列组合,可编成变化的图案。
程序写入存储器2716的方法很多,这里就不作介绍。编程时,只要记住2716的数据端输出为“1”即是灯亮,所以2716的8个数据端即是8路灯的状态。编程时,先按自己预先设计好的灯光变化步骤,改变一次地址,输入一种状态,然后写入存储器。编完后,检查无误,便可插入电路工作。
如果8路输出嫌少,可再增加一块2716。除数据端引出触发可控硅外,两块2716的相同脚并接在一起,这样就成了有16路输出的彩灯控制器。另外,改变R1的阻值可以改变彩灯变化的速度。(何民焕)