本文介绍的可编程数字钟体积小,长度仅为92. 5mm,宽仅为45mm,元件高度不到30mm,只有20个元件。上面有操作开关连接插座,电源连接插座,总清连接插座,输出接口插座。用户不但可作为电子钟使用,还可根据需要巧妙地利用输出信号,方便地组合出自动响铃控制器、广播自动控制器、智能定时器等各种每天多次定时的时间程序控制装置。
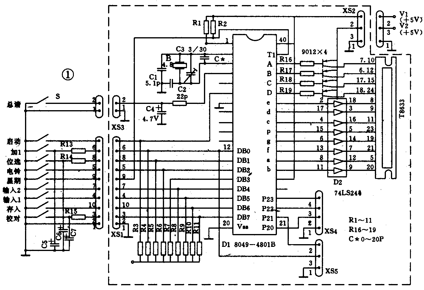
图1是电原理图。核心器件是8049—4801B(D1),74LS244(D2)用于段驱动;9012用于位驱动;DB0—DB7(12—19脚)、XS1的7脚、6脚INT用于程序输入;P20~P23(21~24脚)及DB0;用于信号输出。

图2是元器件排列图。该钟为双面印刷板,显示屏装在A面,元件装在B面,显示屏和印刷板通过插针连接,其中插座XS1接输入开关、XS2接电源、XS3接总请按钮、XS4、XS5为4801B的输出接口。

XS1各引脚功能如下:
1、(4801B第20脚)地,VSS。2、(4801B第19脚)校对。3、(4801B第18脚)存入。4、(4801B第16脚)输入1。5、(4801B第13脚)位选。6、(4801B第6脚)启动。7、(4801B第39脚)星期。8、(4801B第12脚)加1。9、(480lB第14脚)电铃。10、(4801B第17脚)输入2。
XS231脚功能如下:
1、电源地。2、+5V,接4801B40及26脚;3、+5V,接74LS244第20脚及9012E脚。
XS3各引脚功能如下:
1、地。2、总清(4801B第4脚)。
XS4各引脚功能如下:
1、地。2、(4801B第21脚)电铃信号输出,低电平有效。3、(4801B第23脚)输出信号2(S)低电平有效。4、(4801B第24脚)输出信号1(F)低电平有效。
XS5各引脚功能如下:
1、地。2、(4801B第22脚)高压输出,低电平有效。3、(4801B第12脚)低压输出,高电平有效。
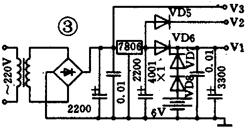
图3是电源电路,其中V1为4801B供电,V2为74LS244供电、V3为继电器供电。6V备用电源通过二级管VD7、VD8到V1,市电断电后自动为4801供电,保存已在程序不致丢失。备用电池的容量按75—10mA电流及停电时间长短计算。

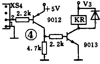
图4为实用的自动响铃器电路。

9013的β值应大于150。继电器可采用JZC—22F。
响铃器信号自XS4的2脚(即4801B21脚)引出,经9012进行电流放大,驱动9013,使继电器KR到设定时间吸合或释放。
本电路通过接在接插件XS1上的接钮开关或键盘输入程序。
程序输入方法:
1、开机或总清后,屏上显示0.000;2、用加1、位选键输入响铃时间,如12.35按一次位选,小数点后移一位,按4次回到原位。小数点在哪位,按“加1”该位加1。3、按“电铃”功能键屏上显示———0。4、用“加1”键输入响铃遍数,如———3表示响铃3遍。5、按“存入”键,屏上显示0.000。6、按2—5步输入下条程序,直到全部程序输入完毕,最多可输入30条程序。
程序的执行:
上述实用电路,其检查、星期功能、输入标准时间的输入方法都是相同的。
程序输入完毕后,可按“校对”键对已输入的程序进行检查,如有错,可“总清”后重存。
当检查无误后,即可用“加1”、“位选”键输入标准时间。当输入时间和标准时间一致时,按“启动”键,电子钟运行。这时,除“总清”外,其余各键均失去作用。当电子钟时间和输入的设定时间一致时,便有相应信号输出。
如在输完程序后,输入标准时间之前,输入当天的星期数,然后按星期键,屏上显示0000,到星期日时将会停止输出一天。
输入时,为19.28,检查时可能显示1.928,不属问题。
制作注意事项:
为方便爱好者,丹东星海电子仪器厂专门按文章开头的介绍设计了一种双面主电路印刷板,用户只需根据自己的需要设计电源和接口部分就行了。电路印刷板仅包括虚线内部分。
爱好者应先设计电源和接口部分,试验无误后,再给数字钟板(不插芯片)通电,检查第26、40脚及74LS244的20脚电压是否在4.9~5.3V之间,否则应检查电源部分。无误时方可在断电情况下插入芯片。此时再通电,显示屏应显示0.000。如今4801B13脚为0一次,小数点向右移动一位,则说明电路基本是好的。如显示屏缺某一位字,则应检查与4801B的35~38脚有关的器件是否开路或损坏;若屏上每个字都少一笔划,则应检查与4801B27~34脚有关的器件是否开路或损坏;若4801B的26、40脚电压及74LS244的20脚电压均正常,但屏上无显示,可检查4801B4脚是否因器件损坏或制作原因对地短路。
如果主板是散件,爱好者自行组装,有条件应用数字频率计校正4801B振荡频率,测试4801B第3脚,用无感螺丝刀旋动微调电容C3,使频率计准确地显示4.8MHz,变化最好不大于±10Hz。输入开关可用导电橡胶,也可用普通的按钮开关。如果因开关质量不好,在输入程序时引起数字或小数点的快速跳动。可分别在4801B的12、13、19脚与开关之间串接4.7k电阻R13—R15,同时在上述引脚对地间并接1只2.2μF电解电容,用以去除抖动。和第4脚相连的清零开关最好制成隐藏式,以防无关人员的好奇心引起程序丢失。变压器可选用8W/13.5V,三端稳压器7806应外加散热器。(许世祥)