问:一台调频发射组网机出现只收不发故障,经检查发现发射管C1972击穿,请问C1972的参数如何?能用哪种型号管替换?
答:C1972是高频发射管,其参数如下:V\(_{CEO}\)=35V,IM=2.5A,P\(_{M}\)=25W,fT=175MHz。可用2SC1972或3DA23A替换。(孙守军)
问:一台NV—G33录像机,用手动能完成加载动作,但当它处于半加载状态,接通电源后,发现螺线管来回动作,不能正常工作,问这是何原因?如何解决?(山西 邓伟)
答: 这种现象多是由于拉杆(机械零件编号第67)错位所致。当它借位时,虽然手动能够完成加载,但是在半加载状态,手动时供带盘及卷带不转动。接通电源后,螺线管即重复吸合、释放动作,使机械动作不能达到指令所要求的状态。处理的办法是,松开固定螺线管的螺钉,将螺线管轻轻拿起,然后将拉杆向外拔使其到位,重新固定螺线管试机即可。(聂元铭)
问:一台黄河HC—47—Ⅲ型彩电,开机后出现如图所示光栅,没有图像也无伴音,而且扬声器发出明显杂声。开启后盖,检查开关电源输出的主电压仅60V左右,但电源电路中似无短路漏电元件,电源负载也无问题。后来试换稳压厚膜块Q801(STR5412)和行输出管,结果也不能排除故障。这是什么缘故?

答:该机采用行频同步型串联式开关稳压电源,馈入开关电源的行频脉冲对电路的负载特性影响很大。如果失去行脉冲,开关调整管便不能被充分激励,主电压便带不动负载而明显下跌,从而发生所述故障。这点与有些行频同步电源在失去行脉冲后仍能基本正常工作是不同的。检修时只要重点查一下行输出③脚至Q801②脚间的行脉冲支路(R813、D808及印制线等),一般就能很快找到故障点(大多是断路性故障)。 (王德沅)
问:一台日电20T774PDH20英寸彩电,开机后+B电源电压只为50V,断开行输出电路供电后,+B升为110V。用110V外接直流电源给电视机供电,光栅、图像正常。用万用表检查开关电源电路元件,未发现异常,更换电源块STR440故障依旧。这种故障是否为开关电源变压器引起的?(湘潭 谭双全)
答:此机型开关电源电路为自激振荡型,因此,从故障现象看,开关变压器发生短路故障的可能性较小,否则电源根本不能起振,即使空载也不会有110V输出。此例故障已基本排除了电源块和负载的问题,可进行如下检查:当+B输出降为50V时,同时检查开关电源输出的另一组22V电源电压,若22V不降低,说明故障在110V整流滤波电路,应对二极管D605,滤波电容C623进行检查和替换试验。若22V同时降低,则需检查300V及市电整流滤波电路,并对电源电路其它元器件做替换试验,最后才考虑更换开关变压器的问题。(刘午平)
问:一台用D7611作图像中放的黑白电视机,出现无伴音无图像(且有回扫线)故障,查出高放AGC输出脚④脚电压达到8.2V,而电源是正常的,不知如何排除?
答:首先应检查高放AGC延时量对③脚的电压调节是否异常,其次是检查AGC滤波的脚电压情况,该脚正常电压7V,如外接电容漏电,使该脚电压降到4V以下,则AGC误控,使AGC始终处于较高电压。所提问题与脚外接电容短路的情况比较吻合。如果脚外接电容无损坏,再看集成电路D7611是否损坏。(李中良)
问:一台飞跃12D3型黑白电视机,当转换频道或开关电视机时,图像就上下翻滚,调一下场频电位器才能稳住。经检查场振荡电路和同步分离电路又都正常。请问这是什么原因造成的?如何修理?
答:这多数是AGC电路中的3V4的反向电阻变小所致。因为3V4的反向电阻变小造成3C3的充电速度加快,使放电时间常数减小,场同步头压缩,从而导致场同步范围变窄。在检修中应着重检查3V4及与之相关的元件。(邱慧远)
问:一台索尼KV—1430CH型彩电,突然无光无声,检查为整流二极管D601、电源开关管Q601、行输出管Q802均击穿损坏,将上述元件更换后,累计工作二十小时,D601、Q601又击穿,更换后工作只几个小时,Q601、Q802同时击穿。经几次维修,故障如初。问此故障出于何处?
答:从故障现象分析,开关电源本身有问题的可能性不大。问题出在负载电路,屡次损坏行输出管,说明行负载有过流短路现象,该机的负载过流保护电路不完善,有一定缺欠,一旦出现过载,极易造成电源开关管和行输出管的同时损坏。当过流短路严重时,保险丝、限流电阻R640、集成块IC601也都将损坏。而造成负载过流的原因,多是行输出变压器瞬间短路。因此,应检查更换行输出变压器。 (陈克军)
问:一台先锋DC—X55Z型组合音响中的功放集成电路STK4171损坏,但本地市场上只能见到STK4151,其外形及引脚数均与STK4171相同,据说引脚功能也一致,不知可否用来代换STK4171?(大连 徐俊昌)
答:STK4151和STK4171两者虽然封装外形和各引脚功能均相同,但前者的输出功率为30W,后者为40W;而且前者的最高电源电压为±42V,后者为±48V(其余主要特性两者一样)。若用STK4151代换STK4171,在电源电压方面尚无大问题,但整机最大不失真功率将明显下降,功率裕量指标变差,这对组合音响来讲是不适宜的。应急修理时可考虑,但若专购这样一块集成电路用于修理很不合适。建议购STK4181或STK4191直接代换STK4171,目前这两种器件较易购到。(轶奇)
问:东芝KT—V750袖珍收放机,顺转放音时左声道出现杂声,而逆转放音则正常,何故?(成都 姜沨)
答:在自动循环放音的收放机中,由于机心使用了双声道4磁迹磁头,所以,以变换放音方向时,要用开关来切换磁头与放大器之间的连接。由于逆转放音正常,说明逆放磁头以及放大器都是完好的。顺转放音时左声道出现杂音,说明此时切换开关存在接触不良或漏电现象,或顺放磁头的接线有松焊现象。因此,这种故障应重点检查切换的开关的接触点与顺放磁头的连接线。(张国华)
问:一台海燕6704型收录机,收放音刚开机时均正常,过几分钟后均无声,不知何故?应如何检修?
答:此类故障一般都发生在公用通道,特别是采用锗管的功放前置放大器中。该机前置放大管2BG5、2BG6以及音调控制2BG7均采用3AX31,其中任一管穿透电流变大或热稳性差,都易产生上述故障。一般情况下2BG7穿透电流大会造成音轻和失真;2BG6穿透电流变大会使发射极电压升高,经2BG5反馈后导致2BG6更加饱和,从而造成无声故障。检修时只要更换掉穿透电流较大的管子,上述故障便可排除。(梁怀斌)
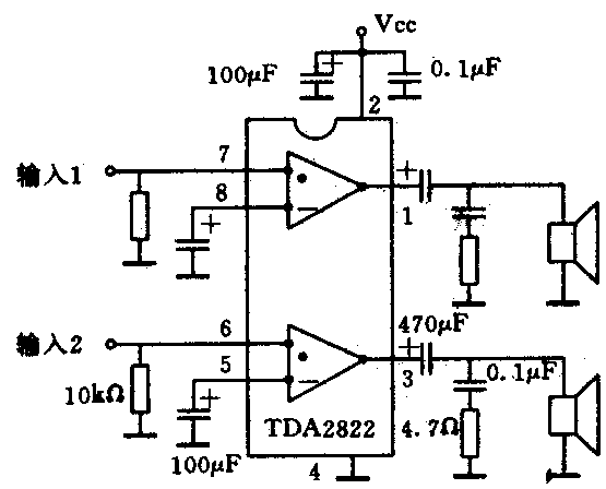
问:手头上有一块TDA2822集成电路,想用它装一个小型立体声放大器,却不知怎样连接,请告知?TDA2822与TDA2822M有何差导?能否互换?(上海科大 夏亮)
答:TDA2822是德国生产的1W×2功率放大电路,其典型的连接线路见附图所示。

TDA2822与TDA2822M内部结构及引脚功能完全相同,可以互换。只是前者耐压较低(1.8V~6V),后者耐压较高(1.8V~15V),在使用中应加以注意。(刘以英)
问:电子音响设备中都有扬声器,请问扬声器发出的声音的声波频率取决于什么?是否与输入电压、电流、功率的大小及扬声器的交流阻抗等参数有关?它们之间有公式吗?
答:扬声器是电声转换器件,即把输入的电能变成声能后传播出去。它主要由音圈、磁铁、纸盆三部分组成,当某种频率的音频电流通过音圈时,音圈就在磁场中往复振动,同时推动纸盆往复振动,从而发出声音,并通过空气向外传出,声波频率取决于纸盆振动频率,而纸盆振动频率亦即音圈振动频率取决于输入电流的频率,所以声波频率最终取决于输入电流频率,二者完全相等,而与输入电压U、电流I、功率P的大小、扬声器交流阻抗Z无关。U、I、P、Z之间则有一定的关系式,分别为:I= U/Z,P=IU=I\(^{2}\)Z=U2/Z。 (张文华)
问:一可调稳压电源接上单放机后,用3V输出时机芯不转,用4.5V时放音速度慢,且过2、3分钟后电机停转。换一台单放机试现象一样,问是什么原因?(江西唐永华)
答:市场上出售的小型稳压电源,电路都很简单,有些性能较差。根据故障现象,估计为稳压电源内的元件有损坏的。其中整流二极管损坏的可能性最大。当整流电路中有二极管正向电阻变大或开路时,电源内阻变大,整流效率变低,输出电压也会降低。因此当用3V电源时可能电压过低而不能启动电机。用4.5V电压时,可使电机转动。工作几分钟后,由于有故障的整流二极管发热使其正向电阻变得更大,输出电压会进一步降低,当电压降到一定程度电机便会停止转动。所以你只需打开稳压电源,找到性能不好或已坏的二极管换上一支新的即可。(宋勇梁)