显像管发生老化、碰极短路或烧断阴、栅极、灯丝等情况后,不要轻易更换或报废,因为显像管价格很贵,加之一时也很难买到合适的代换品,所以很有必要进行应急修理。笔者根据自己多年的维修实践,借鉴同行的成功经验,从如下几方面谈谈显像管损坏后的应急修理。
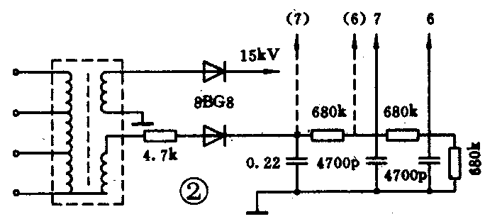
1.显像管老化:故障现象为整个图像暗淡,即使亮度开到最大也是如此。判断老化的方法是:只加灯丝电压,而其它各电极不供电,用万用表R×1k档,正表笔(正极)接阴极,负表笔(负极)接栅极,即可测出栅阴电阻。黑白电视机在10kΩ以下为正常,10kΩ~50kΩ为轻度老化,50kΩ以上属老化。彩色电视机在10kΩ以下为正常,10kΩ~100kΩ为轻度老化,100kΩ以上属老化。对老化的显像管,通过激活或改造有关电路后,还可以用相当长一段的时间。具体作法是:①激活使用。对于黑白电视机,第一步将灯丝电压加到11V(6.3V灯丝管)或20V(12V灯丝管),调制极加到+2~+5V,其它电极空着,激活10分钟;第二步再将灯丝电压降低,6.3V管降为8V,12V管降为15V。调制极加+1V,加速极加400V,其它电极空着,老炼50分钟,再测发射能力,如未恢复,可反复激活几次。对于彩色电视机,显像管阴极发射能力减弱,在通过降低阴极电压或减小视放管的负反馈电阻,加大旁路电容的方法都不奏效的情况下,可试用提高灯丝电压,但要慎重。彩管灯丝电压一般为6.3V,其极限值为5.7~6.9V,可提高到6.8V。用示波器测量(频率高,用万用表交流档测不准)灯丝的逆程脉冲电压为27V\(_{p}\)-p,折合有效电压6.3V左右,那么要获得6.8V左右的电压,则灯丝所需脉冲电压应为:V脉冲= 27Vp-p×6.8V/6.3V=30V\(_{p}\)-p。用绝缘导线在行输出变压器磁芯上绕5~7匝,用示波器测电压为30.5Vp-p,然后将显像管尾板上灯丝限流电阻左端从电路上焊开,与刚绕的绕组一端相接,绕组另一端接地。开机后,重新调整暗平衡即可。②改造电路:(a)韶山牌SF35型黑白电视机,阴极、加速极和第二阳极电压正常,而调制极对地有15V以上负压(正常时为- 0.1V)。刚开机时这负压很小,随图像内容变化,逐渐增大,直至显像管截止。关机后并有亮点。这是因为显像管老化,亮度开得大,阴极发射的大量电子积累在调制极上,由于二极管D正极接调制极;所以D截止,调制极上电子无法泄漏,产生一个很大的负压,使亮度降低,甚至无光。检修时把电源开关上的两组接点,一组用来控制电源,另一组控制一个电阻的通断,如图1中虚线所示。开机时K接通,调制板上的电子通过R得以泄漏,负压不会逐渐增大。关机时K断开R,C上的负压全部加到调制极,彻底消除了亮点。(b)金鹊牌35DH1B型黑白电视机光栅暗淡,但提高灯丝电压已不能奏效,于是将显像管6、7脚连线照图2中虚线改焊后,开机光栅恢复正常。


2.显像管烧断灯丝及栅、阴极:①灯丝断,故障现象为无光。用万用表R×1Ω档测灯丝两脚直流电阻,阻值为无穷大。其修复方法有:一是拔下管座,用外部稳压电源给灯丝加额定电压,将荧光屏朝上,管颈朝下,固定整机,然后用手指弹管颈四周,直至灯丝发亮后,老炼10分钟即可。二是拔下管座,用一根导线将电路板“地”与显像管灯丝3脚相接,用显像管高压卡簧尖端慢慢靠近灯丝4脚,直至拉弧1~2秒钟时,迅速离开。在拉弧时注意观察弧光颜色,呈蓝色表示未接通,呈黄色即为接通。反复几次,接通为止。②栅、阴极断,故障现象较为复杂。对于彩色电视机,某一枪阴极断,该枪所对应的基色就会丢失,在黑白景物时,荧光屏显示故障枪所对应的补色;接收彩色节目时,8条标准彩带也随之改变了色调。当栅极断时,束电流增加,亮度和饱和度失控。在接收黑白图像时,会显示故障枪的假彩色;接收彩色图像时,故障枪相应色调特别浓。这不论是栅极还是阴极断,均只能更换显像管。对于黑白电视机,阴极断后,故障现象为无光。栅极断后,根据电路设置的不同,故障现象或为亮度失控,或为聚焦不良,或为光栅中出现场和行的回扫线。其修复方法是:当阴极断时,可空着不用,把栅极作为阴极,加速极作为栅极,聚焦极作为加速极,管子即可正常工作。当栅极断时,也可空着不用,做类似的处理。如果亮度不够,可适当提高加速极电压解决。
3.显像管碰极:①阴极与灯丝相碰短路(分为“热态”、“冷态”两种),故障现象为无图像、有伴音,光栅上无噪声点,而有数条回扫线、且亮度失控。其判断方法是:关机后,迅速拔下管座,测得阴极与灯丝之间的电阻约20kΩ(正常应为无穷大),随着阴极和灯丝的冷却,如果电阻迅速增大,就是“热态”短路,否则为“冷态”短路。所谓“热态”短路就是灯丝冷却后与阴极又分开,“冷态”则不分开。对“热态”和“冷态”短路故障,其修复方法是不相同的。黑白电视机,“热态”短路时,可将显像管灯丝供电由主电源变压器绕组改在行输出变压器上,从而克服灯丝线圈与主电源线圈之间形成的电容所带来的高频损耗。具体作法是用0.6mm的绝缘导线在行输出变压器铁芯上绕8~10圈,做为灯丝供电电源。“冷态”短路时,按图3连好电路,接显像管管脚一端用夹子夹住。然后接通220V电源,用手轻弹显像管外壳,当听到管颈内发生一声轻微的响声,故障即告排除。当然,还可以用高压电击法,但这不安全,容易将电极烧断或极间点焊。彩色电视机,不管是“热态”还是“冷态”短路,最好不要使用高压瞬间电击法。这里介绍两种行之有效的方法:一是220V/ 6.3V小型变压器单独给灯丝供电。变压器可选用5W线圈变压器铁芯,铁芯截面积为14×20mm\(^{2}\),初级绕组用Φ0.1mm漆包线绕3520匝,次级用Φ0.6mm漆包线绕103匝。二是将显像管灯丝接地端断开,串入一只4μF~6μF的无极性电容器,阻止阴极电压(直流)通过灯丝短路到地。②阴极与栅极短路,故障现象为图像消失,有回扫线,荧光屏亮度增大,调节亮度电位器时亮度不变化。检修时关机迅速拔下管座,测得阴极对地电阻约67kΩ,随时间增长,冷却后的电阻变为无穷大,即为“热态”短路。冷却后电阻变化不大则为“冷态”短路。对于“冷态”短路,试用高压电击法,如果不奏效,则须更换显像管。黑白机则可将栅极空着不用,且与管座隔离(即绝缘),然后将加速极改为栅极,聚焦极改为加速极即可。对于“热态”短路,将显像管固定螺丝松开,取出显像管旋转180°重新固定好,然后再将偏转线圈的接线调过来,故障即可排除。这是因为电极加热膨胀,使两极相碰。将显像管旋转180°后,使原来变形电极向相反方面变化,故不会再使电极相碰而引起短路。

另外,有些显像管由于质量问题,工作一段时间后,性能发生变化,便不能正常工作。如:①东芝C— 14212型彩电,出现无绿色,图像偏紫色故障。检测为绿输出管击穿,换上新管后,工作一段时间又被击穿,故判断为显像管内部打火引起。简单的解决方法是:先将亮度和对比度旋钮调至最小位置,然后把红、绿、蓝3只输出管拆下,再将3只60kΩ电阻分别焊在输出管集电极接点与地之间,开机工作4小时以上,当电视机显像管打火时,可使管内杂质及毛刺烧干净,然后恢复电路,这样便彻底解决了无绿色故障。②汤姆逊TF5114DK型彩电,出现光栅极亮,亮度调不下去故障,查视放电路、亮度、副亮度控制电路均正常,各极供电电压也正常,在“山穷水尽疑无路”的情况下,试降低加速极电压,发现将加速极电压从4O0V降至325V时,故障消除。这是由于显像管在使用一段时间后,性能发生变化,致使电子束电流增大,造成亮度失控。(梁友奖 刘新材)