本文重点介绍达林顿管构造原理与典型应用。
结构原理
达林顿管采用复合连接方式,将两只或更多只晶体管的集电极连在一起,而将第一只晶体管的发射极直接耦合到第二只晶体管的基极,依次级连而成,最后引出E、B、C三个电极。

图1是由两只NPN或PNP型晶体管构成的达林顿管的基本电路。设每只晶体管的电流放大系数分别为h\(_{FE1}\)、hFE2,则总放大系数为
h\(_{FE}\)≈hFE1·h\(_{FE2}\)
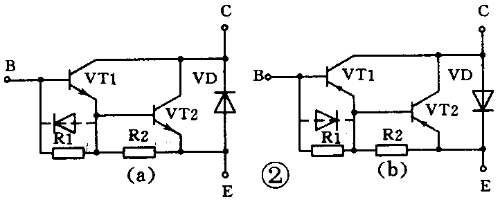
因此,达林顿管具有很高的放大系数,h\(_{FE}\)值可达几千倍,甚至几十万倍。不过,这类高放大倍数的管子只能在功率为2W以下才能正常使用,当功率增大时,管子的压降造成温度上升,前级晶体管的漏电流会被逐级放大,导致整体热稳定性差,所以,大功率达林顿管内部均设有均衡电阻,这样,除了大大提高热稳定性外,还能有效地提高末级功率管的VCE耐压。典型电路如图2所示。(a)图为NPN型,(b)图为PNP型。大部分大功率达林顿管还在C-E极之间反向并联一只阻尼二极管VD(亦称续流二极管)。当负载(例如继电器线圈)突然断电时,可通过二极管将反向电动势泄放掉,防止内部晶体管被击穿。图2中R1、R2是泄放电阻,可以为漏电流提供泄放支路。因VT1的基极漏电流较小,故R1的阻值可适当大些。由于VT1的漏电流经过放大后加至VT2的基极上,加之VT2本身也存在漏电流,使得VT2基极上的漏电流较大,因此应降低R2的阻值,以满足R2《R1的关系。通常取R1为几千欧,R2为几十欧,二者相差两个数量级。

由于达林顿管具有增益高、开关速度快、能简化设计电路等优点,颇受人们的欢迎。为了方便设计者选用,生产单位提供不同参数的大、中、小功率管。
美国莫托洛拉公司生产的MPSA622型管是低噪声PNP达林顿管,它的外形如图3(a)所示,主要技术指标为h\(_{FE}\)=5000~200000,最大允许功耗PCM=600mW,噪声系数小于2dB。德国AEG公司生产的BD681型中功率NPN达林顿管,它的特点是高β、低压降。外形见图3(b),使用时不必加散热器,它的主要参数V\(_{CEO}\)=100V,ICM=4A,P\(_{CM}\)=40W。

表1列出了几种管子的主要参数,供读者参考。

典型应用
①用于大功率开关电路、电机调速、逆变电路。本刊1992年第一期第30页介绍的简单逆变器所使用的专用管KP110A,就是一个例子。
②驱动小型继电器
利用CMOS电路经过达林顿管驱动高灵敏度继电器的电路,如图4所示。虚线框内是小功率NPN达林顿管FNO20。

③驱动LED智能显示屏
LED智能显示屏是由微型计算机控制,以LED矩阵板作显示的系统,可用来显示各种文字及图案。该系统中的行驱动器和列驱动器均可采用高β、高速低压降的达林顿管。图5是用BD681(或BD677)型中功率NPN达林顿管作为列驱动器,而用BD682(或BD678)型PNP达林顿管作行驱动器,控制8×8LED矩阵板上相应的行(或列)上的像素发光。

应注意的是,达林顿管由于内部由多只管子及电阻组成,用万用表测试时,be结的正反向阻值与普通三极管不同。对于高速达林顿管,有些管子的前级be结还反并联一只输入阻尼二极管,如图2中虚线所示,这时测出be结正反向电阻阻值很接近,容易误判断为坏管,请读者注意。(李学芝 沙占友)