本文介绍一种用四电压比较器LM339(1991年第7期介绍)制作的电子猜数玩具。该玩具由甲、乙两人分别控制自己一方的两个数字选择开关,一个是出数开关,可以出1~5之间的任意一个数。另一个是猜数开关,可以猜2~10之间的任意一个数。当某方猜的数正好是甲、乙两方出数的和时,即算猜对。游戏时甲、乙两人先分别出数并猜数,然后拔动判断开关,指示灯HL1亮,表示电路工作处于判断状态,若甲方猜对则HL2亮若乙方猜对则HL3亮,同时发出音乐信号祝贺一方赢了;若双方都猜对了,HL2,HL3都亮,但没有音乐声,表示平手;若双方都猜错,HL2,HL3都不亮,也没有音乐声。一次猜数游戏结束后,关掉判断开关,重新出数猜数。
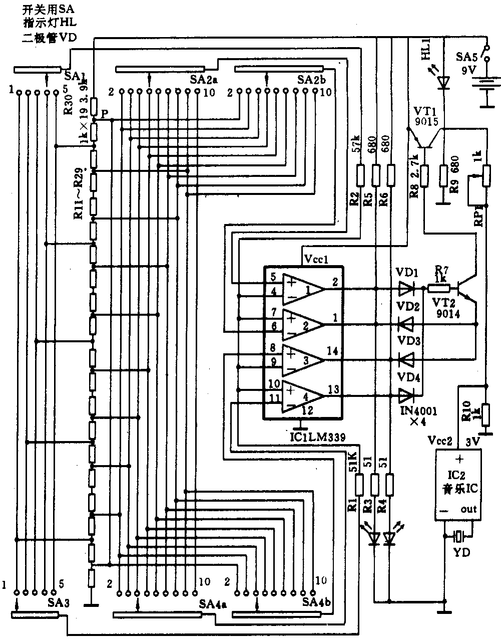
电路如附图所示。电阻R11~R30组成分压电路,其中,R11~R29 19只电阻将P点的电位V\(_{p}\)19等分,从低到高各点电位分别是1Vo,2V\(_{o}\),3Vo,……19V\(_{o}\)(Vo=V\(_{p}\)/19),P点电位比电源电压低1.5V左右。开关SA1,SA2a、b,SA3,SA4a、b组成取样电路。SA1,SA3分别是甲、乙方的出数置数开关,SA2a、b,SA4a,b分别是甲、乙方的猜数置数开关。SA1,SA3可置数1~5,对应的电位分别是2Vo,6V\(_{o}\),10Vo,14V\(_{o}\),18Vo、R1,R2起分压作用,R1、R2之间的电位是SA1、SA3所置数对应电位的中间值(平均值),可能的电位是2V\(_{o}\),4Vo,6V\(_{o}\),……16Vo,18V\(_{o}\),对应于SA1,SA3置数的和2~10,完成了SA1,SA3置数的加法计算,输入至IC1的第4、7、9、10脚。例SA1(甲方)置数“4”,对应的电位是14Vo,SA3(乙方)置数“1”,对应的电位是2V\(_{o}\),SA1、SA3置数和是“5”,对应的电位是8Vo,输入至IC1第4、7、9、10脚。SA2a、b,SA4a、b,可置数是2~10,SA2a,SA4a对应置数的电位是3V\(_{o}\),5Vo,7V\(_{o}\),…… ,19Vo,比SA1,SA3置数和对应的电位高1V\(_{o}\),SA2a取样输入至IC1的第5脚(甲方),SA4a取样输入至IC1的第11脚(乙方)。SA2b,SA4b对应置数的电位是1Vo,3V\(_{o}\),5Vo,……17V\(_{o}\),比SA1,SA3置数和对应的电位低1Vo,SA2b取样输入至IC1的第6脚(甲方),SA4b取样输入至IC1的第8脚(乙方)。例如甲方SA2a、b置数“5”,SA2a取样电位是9V。SA2b取样电位是7V\(_{o}\),乙方SA4a,b置数是“4”,SA4a取样电位是7Vo,SA4b取样电位是5V。

比较电路由LM339构成,比较器1、2和3、4分别组成二个双限(窗口)比较器。例如甲方SA2a,b置数“5”,等于SA1、SA3置数的和(猜中),这时IC1的脚电压V5=9V\(_{o}\),V4,7=8Vo,V6=7V\(_{o}\),满足V5>V4.7>V6,比较器1、2输出高电平;乙方SA4a,b置数“4”,不等于SA1、SA3置数的和(没猜中),这时IC1脚电压V11=7Vo,V9、10=8V\(_{o}\),V8=8Vo,满足V9、10>V8,但不满足V11>V9、10的条件,比较器3、4输出低电平。
当双限比较器输出高电平时,相应的指示灯亮。如比较器1、2输出高电平,指示灯HL2亮,表示甲方猜对;而比较器3、4输出低电平,HL3不亮,表示乙方猜错。R5、R6是上拉电阻,提供输出电流。当二组比较器输出电平不一样(一个高电平,一个低电平)时,通过二极管VD1~VD4使三极管VT2导通(甲猜对乙猜错时VD1、VT2、VD3导通,甲猜错乙猜对时VD4、VT2、VD2导通),同时VT1导通,提供IC2工作电压,输出音乐信号;若两组比较器输出电平一样(同为高电平或同为低电平)时,VT2截止,VT1也截止,IC2不工作,没有音乐输出。R3、R4起提高输出端高电平电位的作用,发光二极管导通压降约2.0V,工作电流约10mA,R3、R4使输出端高电平电位提高到2.5V左右,保证VD1~VD4以及VT2能导通工作。
HL1用来指示电源接通,电路工作处于判断状态,当双方都猜错时只有HL1亮表示电路已工作。
SA1、SA3用单刀5位(或6位)的波段开关,SA2a,b、SA4a,b用双刀9位(或10位)的波段开关。VD1~VD4用1N4001整流二极管,VT1用PNP型三极管9015,VT2用NPN型三极管9014。IC1用LM339集成块,IC2及压电陶瓷片均用音乐卡片中的器件,将原来电池取下,相应接上电源引线,调整电位器RP1,使IC2工作电压为3~3.5V。HL1~HL3均用普通发光二极管,还可利用音乐卡片中的二只发光二极管,HL2、HL3可选用不同颜色的。SA5用钮子拔动开关,电源电池用9V层叠电池。
所有元件可装在一只长方形塑料盒内,4只波段开关分装在盘的两侧,使对方看不到,判断开关及发光指示灯均装在盒的上面,20只分压电阻可直接焊在SA2或SA4的接片上。(傅浩)