四自动频率调整AFT接通时逃台
故障特征:AFT开关在OFF位时调谐及收看均正常。当AFT开关拨至ON位时,轻则图像扭曲伴音失真,重则会使图像伴音消失。
原因分析:在分析故障原因之前,先简单复习一下自动频率调整的原理(见图5)。若高频调谐器输出的中频信号等于标准值(新中频为38MHz、老中频为37MHz),限幅放大后的U\(_{B}\)一路送入双差分鉴相器的一个输入端,UB的另一路经LC网络(38MHz或37MHz)移相90°后(U\(_{A}\))送到双差分监相器的另一输入端。此时UB与U\(_{A}\)正好相差90°,监相器输出U0为零。此时AFT对高频调谐器的频率无调整作用。但在实际的使用过程中由于某种原因(环境温度、晶体管参数、电源电压的变化)造成高频调谐器本振电路的振荡频率发生漂移,使IF输出偏离标准值而影响彩色图像伴音的质量时,U\(_{B}\)与UA就不再是相差90°。经双差分监相器输出(与频率和相位误差成正比)的电压ΔU\(_{0}\)经放大后反馈给高频调谐器,去改变振荡级变容二极管的容量,迫使振荡频率恢复到准确值,从而使IF也恢复标准值,实现频率的自动调整。

根据上述AFT的调整原理可知,当电台调谐时,双差分鉴相器输出的误差电压应接近于零,此时接通AFT开关,屏幕上看到的应是极其微小的变化(这是由于人工调节所存在的误差所引起的),这也正说明了AFT系统的作用正常。现根据上述故障特征,说明即使在调谐准确的情况下,鉴相器输出的AFT电压已经是一个具有一定数值的ΔU\(_{0}\)了。这个ΔU0作用到高频调频器的本振级,使本振的频率偏移量超出了中放通频带的范围,导致偏离的IF无法通过SAW(因中放通频带主要由声表面滤波器决定),屏幕上的图像伴音随之消失。进一步分析,在未接通AFT时,能正常调谐收看,说明图像中放通道正常,即U\(_{B}\)也正常。问题出在UA上。而U\(_{A}\)是经LC网络得到的,因此其故障根源来自:AFT移相网络。
判断检修:由于此种故障所涉及的面很窄,所以判断比较明确,检修也很方便。比如可以在AFT移相网络并一只几十pF的小电容试试,或者将网络内的电感磁芯作适当调节,通常先作反时针调节,因机器受振动磁芯下落的可能性较大。调节时要记住调节的角度或圈数以便复原。如感到磁芯太紧,可在调节的同时用烧热的烙铁给线圈屏蔽罩加温,这样磁芯就不会因太紧而碎裂。有条件的话可换上一只好的线圈试试。
故障举例:一台上海Z237——1A型彩电,频道预选器门开着(即AFT开关断开)时调谐及收看均正常,预选器门关上(AFT开关接通)后彩色图像就要逃掉。根据以上故障原因分析可知,问题出在AFT移相网络,U\(_{A}\)对UB的相移不等于90°, LC网络的回路频率发生变化。由于网络只有2个元件,所以从简着手,先反时针调节T102(图略),磁芯退出一圈时,接通AFT,图像扭且无彩色,继续调节磁芯约90°,彩色图像稳定,AFT功能恢复正常。由于调节手感轻松,所以在调整好以后,往线圈里灌渗一些蜡,以防止日久旧病复发。
五一次性逃台
故障特征:所有的频道均能调谐、收看,节目换档、AFT功能全都正常,只是随着时间的延长在收看过程中一旦某一频道开始逃台后,其它(原已调偕储存)的频道电台也都逃掉,任你怎样再调节拨盘电位器(包括电子调谐选台)也无法将电台选取,这就是所谓的一次性逃台。
原因分析:此故障也是由3个频段的公共部分所引起。但与本文“一”介绍的有所区别。“一”介绍的逃台,只要再微调一下拨盘电位器电台节目会重新出现,而本故障只要一出现逃台任你怎样调节也无济于事,电台节目不会再重现。究其原因“一”所述故障是高频调谐器内本振频率漂移使输出的中频信号偏离了中放通频带所致,所以只要微调本振频率(改变VT)就能找回电台。而本故障是中放通道出现了问题,使中放通频带偏离了中频标准值或中放部分元器件的软损坏引起中放工作失常,因而导致高放的工作失常使信号无法通过中放。当然如果由于高频调谐器内VHF混频(UHF的中放)级元器件(主要是晶体管)软损坏的话,同样也会产生本故障。据上分析,本故障通常由下列因素造成。(1)中放中频回路失谐;(2)AGC滤波元件有问题;(3)预中放、SAW有问题;(4)中放集成块温度特性变差,(5)高频调谐器损坏。
判断检修:本故障虽然大多发生在中放通道,但高频调谐器输出端子电压的测量仍有必要,尤其是AGC电压。预中放级为图像伴音中放通道的第一关。如测得该级的直流偏置正常,一般可视为正常。检查声表面滤波器是否开路性故障可用一只几千至几万pF的电容跨接于输入、输出端试之。如跨接后电台出现图声正常,(信号可能弱些),则说明声表面滤波器损坏。判断声表面滤波器是否严重漏电,可用高阻档测量(正常应为无穷大)。对于中频回路的检查可参见第四部分介绍的方法。对于中放集成电路应测量各脚直流电压与平时积累的实测正常值作比较。一旦发现故障的疑点,便可顺藤摸瓜。在确定外围元件正常的情况下,再向集成块开刀,不要一上来就盲目轻易地调换集成块。因为缺少合适的工具和熟练的技巧,拆装集成块易对印板造成损伤。顺便指出,对于温度特性差的非极端性损坏的集成电路,各脚的对地阻值与正常值比较不会有多大差别。因此,当检查故障深入到一定程度时,才有必要用一块好的集成块试之。另外,在有AV/TV切换系统的机器上,该系统出问题(如切换开关漏电等)也会导致此种故障的发生。
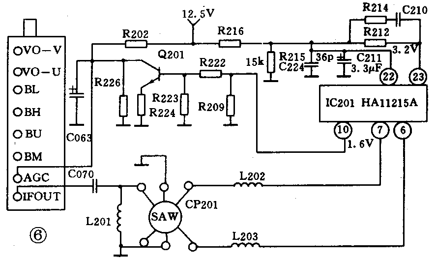
故障实例:一台金星C37——401型彩电。据用户反映,当故障出现逃台的第一天,正常收看了2个多小时,第二天以后开机正常收看的时间逐渐缩短,当机器送到修理部时开机约15分钟后图像开始扭曲直至消失,调节预选电位器电台再也找不回来。根据以上介绍的方法步骤从简到繁检测。在测量高频调谐器输出端子的有关电压时,发现AGC电压偏高。由图6可知,RF AGC是由Q201经倒相得到,它受到IC201⑩脚控制。测⑩脚电压由正常值1.6伏下降到0.9伏。从HA11215内部框图得知⑩脚电压受、脚(IFAGC 滤波)和脚(RF AGC延迟)的控制和影响。因此对这些有关脚进行检测,发现脚电压由正常值3.2伏下降到2.8伏。关机后测⑩脚和脚的对地阻值,⑩脚正常,脚比正常值降低了3.5kΩ。脚阻值下降的原因有两个:一是外接电容C211或C224漏电;二是集成电路有问题。首先检查外围元件,发现C211在用R×1kΩ档测量时充放电减小,改用R×10kΩ档测量时漏电明显,并且表针向阻值小方向漂移。换上同规格电容后,彩色图像伴音均正常。

六非规律性逃台
故障特征:电台一般均能调谐,但是在收看过程中有时会逃一逃再回来。出现逃台的时间有长有短,逃掉后图像又重现的时间也有长有短。轻者此种现象几天出现一次,严重时次数比较频繁,甚至跟伴音大小、气候燥湿也有关系,有时彩色图像时隐时现。
原因分析:导致这种故障产生的原因,往往并非元件损坏所致。因为即使是非极端性的元件损坏(如晶体管、集成电路温度特性差,电容漏电等),它也会随着工作时间的延长和机内温度的升高其损坏程度越加严重,这种元件软损坏的故障一般也有规律可循。产生这种非规律性故障的原因一般来自以下几个方面:(1)元件有虚焊;(2)元件之间碰触;(3)印板轻度断裂(似断非断);(4)机内油垢太多;(5)接插件松;(6)天线接触不良。
判断检修:俗话说,万变不离其宗。不管逃台故障的现象千变万化,它必定要在电压上反应出来,特别是要在高频调谐器的各端子电压上反应出来.因此当故障出现时,要抓紧时机将有关数据测下来。发现哪一个电压数据有问题,就要抓住线索顺藤摸瓜,查个水落石出。但在实际检修中往往故障出现的时间很短,还没等你测完数据就又恢复了正常。对于这种情况应主动出击,采取敲(敲有关部件)、拨(拨动元件、引线、插头)、扭(扭曲印制板)等多种手段让故障出现,这样才可以提高检修速度。由于气候潮湿而引起的故障,多数是发生在用久了且机内灰尘较多的机器上。因为过多的灰尘受潮后使元件间、插头座、印制板引线间的绝缘降低,导致漏电故障,因此有必要将灰尘清除,并对有油腻的印制板、开关、插头座作重点处理,可用高纯度酒精清洗后吹干。
故障实例:一台夏普C——1838DK型彩电。在收看过程中3个频段的电台均出现逃台现象。有时图扭,有时图像逃掉后需要重新调节一下,还有的时候逃台后只要拍一下机器图像就会出现。该机曾2次到修理部门检修过,均未得到根本性解决。笔者接到该机后,根据用户提供的情况,采用以上介绍“敲、拨、扭”的方法,均能使上述故障出现。先检查印制板未发现有断裂。于是只好将主机板放平,采用局部拨动的方法来压缩发现故障。当用竹镊子轻轻拨到主机板的M插头扎线时,故障出现。由图7可知,高频调谐器的绝大部分工作电压是由预选器通过M插头得到。在用万用表监测高频调谐器各端子电压的同时,再拨动M插头连接线,发现VT电压有变化。很明显这是M插头脚接触不良所致。拔下插头挑开塑料卡片将脚取出,只见脚母插口孔径过大,且能见到氧化锈蚀的斑迹。用细砂皮打净并将孔径夹子重新装入后,再作上述试验,没有产生上述故障现象。(陈雪培)
