随着广播电视及家电事业的发展,不少地区电视频道数增加以及录像机、游戏机逐渐进入家庭。本刊1991年第9期介绍的带电脑红外电视遥控器,只能预选8个电视频道而不能满足用户的要求。作者通过实验把上述电视遥控器的频道预选扩展到14个,以下作些介绍。
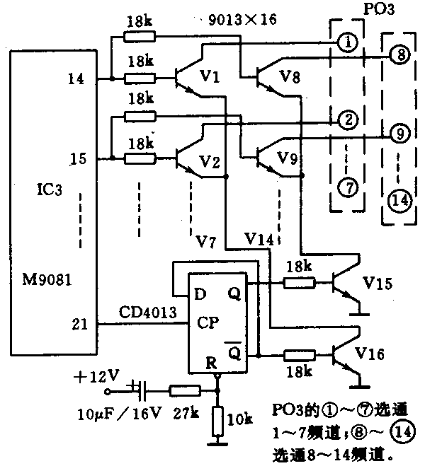
附图示出频道扩展原理图。从图看出它用一块D触发器作状态转换用,D触发器的输出状态取决于时钟脉冲CP到达时的瞬间状态。它是在CP脉冲前沿翻转,其逻辑功能为:当D=0时,则Q=0,Q-=1;当D= 1时,则Q=1,Q-=0。由三极管V1、V2……V7与V16构成一组(7个)与非门电路,V8、V9……V14与V15构成另一组(7个)与非门电路。与非门电路的电源由改装后的电视机预选板电路供给(参看1991年第9期图④和图⑨改装实例)。当电源接通时,D触发器清零(12V电源由电视机中取出),Q输出端电平为0,Q—为1,为V1~V7及V16构成的与非门选通提供条件,另一组与非门电路因Q为0而被锁住。此时若按发射器1~7号键,则选通相应的1~7频道。例如,按下2号键使IC3的15脚输出电平为1,则选中2频道,当按下8号键使IC3的21脚电平由0变为1,则D触发器翻转使Q=1,Q-=0,为V8~V14及V15构成的与非门选通作准备,另一组与非门因Q-为0而被锁住。此时若按发射器1~7号键,则选中相应的8~14 频道,即按1号键选8频道,按2号键选9频道等,依次类推。若再按发射器8号键一次,则D触发器又翻转回到原来状态,如此周而复始,即可实现14频道的遥控。对电视机频道控制的改装方法可参阅本刊1991年第9期“带电脑红外电视遥控器”一文。频道扩展个数应根据需要而定,如12频道电视机,输出接口板中、不用。(江修波)
