目前,录像机已大量进入家庭,丰富了人们的业余生活。但早期流行的一些录像机和放像机没有红外遥控功能,这就给使用者带来不便。本文介绍一种实用的红外遥控器,它可以在8~10米的距离内可靠地遥控录像机(放像机)进行放像、录像、帧进、暂停、快进、快倒、停止、出盒等操作,并且能遥控录、放像机和电视机电源的通、断。本机采用新型编、译码电路ED5026/5027制作,具有使用方便、操作灵活、性能可靠等特点。
电路工作原理
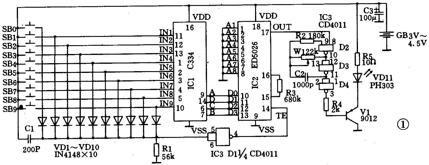
1.红外线遥控发射器。电路如图1所示。IC1(C334)为BCD码编码器,它能把输入的十进制信号转换成四位并行8421BCD码输出。因为并行码不便发射,所以将IC1的输出送入IC2(ED5026)中再次编码,从17脚送出串行二进制码,然后通过由IC3(CD4011)中的D2、D3、D4及其外围元件组成的红外调制器的调制后,变成40kHz的方波信号,由V1放大后,通过红外发射管VD11发射出去。

在发射器电路中,SB0~SB9为功能转换发射键。在接下发射键的同时,高电平信号经开关二极管VD1~VD10中的一个(由被按下的发射键决定)送到由IC3的D1构成的非门,使IC2的14脚(发射指令端)变为低电平,此时IC2的17脚就输出相应的串行码。没有按键时,17脚无信号输出,此时IC3不工作,三极管V1处于截止状态,整机电流仅5微安左右,因此可不设电源开关。
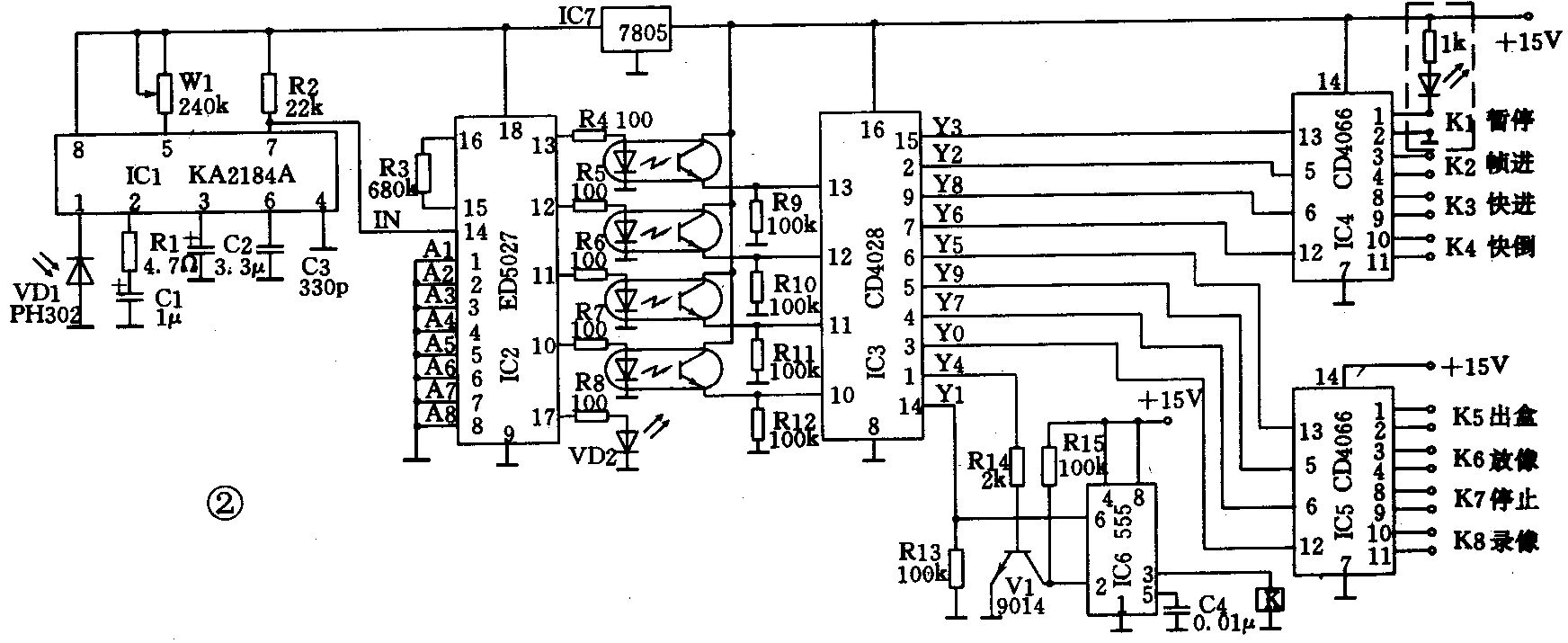
2.红外线遥控接收机:电路如图2所示。专用集成电路KA2184A(IC1)及外围元件组成红外接收、前置放大和检波整形电路。它把红外接收二极管VD1接收到的红外信号转换成电信号,再经去除噪声、检波、整形等一系列处理后,从IC1的第7脚输出经过解调处理的串行二进制码。再经IC2(ED5027)译码后,从10~13脚输出与发射器中IC2的10~13脚输入信号一致的并行二进制码,又经过IC3(CD4028)解码,在Y0~Y9端输出与发射器输入信号相对应的高低电平,去控制IC4、IC5中模拟开关的开、闭,从而实现了遥控。例如按下遥控发射键SB6,IC3(CD4028)的Y6端(7脚)变为高电平,其余均为低电平。此时只有与之相联的模拟开关K4闭合,相当于按下了录像机的快倒键,这样录像机就自动进入快倒状态。换按另一键时,模拟开关K4断开,与被按下的遥控键相对应的一个模拟开关接通,录像机就进入新的工作状态。IC6(NE555)接成双稳态工作方式,用于电源通(ON)、断(OFF)控制。当按下遥控键SB4时,接收机IC3的Y4端(1脚)为高电平,V1饱和导通,IC6的2脚为低电平,则输出端3脚就为高电平,继电器K通电,其触点K\(_{0}\)吸合,接通了录像机和电视机的电源。此后即使再换按别的键,K0仍吸合,继续给电视机、录像机供电。按下遥控键SB1时情况相反,IC6的3脚保持低电平,K\(_{0}\)断开,全部切断了电视机、录像机的电源。图3是红外遥控接收机的稳压电源电路,为接收机提供稳定的直流电源。由于模拟开关CD4066的导通电阻是随电源电压的升高而减小的,电源为5V时其导通电阻约300欧,而电源为15V时导通电阻降到60欧左右,因此本机的电源电压较高。通过IC7降到5V,供IC1和IC2使用。IC2与IC3之间的电平转换则由4个光电耦合器来完成。IC2的17脚所接的发光二极管为遥控接收指示灯,当接收机收到遥控信号后它就会点亮。


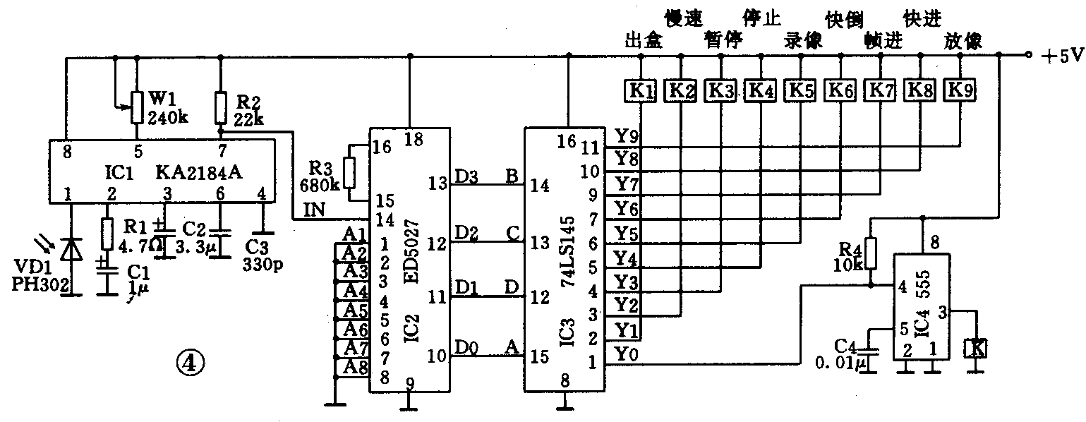
图4是另一种遥控接收器的电路图。它的工作原理与图2电路相同,只是采用继电器代替了模拟开关,同时对总电源的控制也有一点不同,即使用时按下遥控键SB0即可关掉电源,按其余遥控键即可打开电源,同时执行此键代表的功能。用这个电路时要将图3中稳压块7815换为7805。图2与图4两个电路相比各有优缺点:图2所示电路全部使用集成电路,具有耗电省、体积小、重量轻的优点;而图4电路具有结构简单、使用单一低压电源的优点,同时由于继电器的触点电阻极小,这对遥控如NV—370、NV—250等型采用电容充放电式功能键选择电路控制的录像机特别有效,图2所示电路更适于采用矩阵式功能键选择电路控制的录像机。

元器件选择
1.遥控发射器的元器件选择:IC1选用国产CMOS型集成编码电路C334,用C334C型效果更好。有些C334不能在3V电源下工作,此时应改用4.5V电源。IC2选用CMOS大规模数字电路ED5026(其工作原理可见本刊1991年第二期的介绍)。IC3选用CMOS四—二与非门CD4011,也可用MC14011、TC4011等代用。V1可用9012、9015、8550、3CX203、3CX204等中功率管代用,β要求大于150。红外发光二极管可用PH303、SE303A、CQY89A等代用,直径最好为5mm以上,以提高转换效率。SB0~SB9为导电橡胶式按键,也可用微动开关代用。VD1~VD10为开关二极管,采用小体积的1N4148玻封管。电阻电容采用超小型的,以减小体积,但R5应用1/2W电阻。根据选用元件情况自行设计印制板。
2.遥控接收机的元器件选择:IC1采用KA2184A或CX20106等专用红外预放电路。IC2选用与ED5026配套的ED5027。IC3用CD4028,也可用MC14028、TC4028及国产CC4028、C301代替。IC4、IC5可用MC14066、TC4066、国产CC4066、C544等代用。IC6为时基电路,可用NE555、LM555、CA555及国产5G1555、FX555等代用,但不能使用CMOS型的555电路。红外接收管VD1采用与红外发射管VD11配套的接收管,如PH302、LT546、SFH207等。光电耦合器可采用GD-10A~C、GD-MA、GD-MB等型号的,继电器K采用触点负载电流大于2A的中功率继电器,如HG4098等。
图4电路中IC3可用TTL型译码电路74LS145及国产T4145、T1145等代用。K1~K9为4.5V微型继电器,其余同图2电路。由于各种型号的录、放像机的内部空间大小不同,不便设计统一的印制板,故请读者根据自己机内空间的大小,自行设计。
制作与调试
红外遥控器只要所用元件质量可靠,电路安装无误,仅需简单调试即可工作。发射器中W1调到11kΩ左右,此时发射载频约为40kHz。再调红外接收机IC1的5脚所接的W1,当W1为200kΩ左右时接收中心频率约为40kHz。此时在接收机前2米处按下一个键,接收机中VD2应发光,否则即为频率未调准,应调准后再试验。然后拉开距离,仔细调整发射器中W1的阻值,使遥控距离在8米以上即可。然后如图2虚线内所示,在模拟开关处接一些发光二极管,按下不同键时对应的发光二极管发光,说明已调试好,否则还需调试。发射机和接收机中IC2所接的振荡电阻R3需配对,误差最好小于1%,调试时需注意这一点。调试好后拆去发光二极管,将模拟开关并接到录像机各操作开关的接点上。如K1并接在暂停键处,K2并接在帧进键处等。再将录像机和电视机的电源开关打开,将电源插头插入接收机的电源输出插座中,这样遥控器就和录像机联接好了。若采用图4电路则把继电器K1~K9的常开触点并接到各操作按键上,其余同图2电路。将接收机电路固定在录像机内空位处,在机壳前面板适当地方开一小孔,以安装红外接收管,将电源输出插座置于机外。红外预放电路KA2184A各引脚静态电压分别为:①脚2.5V;②脚2.5V;③脚1.5V;④脚0V;⑤脚1.4V;⑥脚1V;⑦脚5V;⑧脚5V。
使用时不能将遥控盘上几个键一起按下,否则遥控器不能正常工作。由于接收器IC2(ED5027)具有数据锁存功能,因此按了暂停键后再按一次暂停键是不能解除暂停状态的。此时,可先按一下ON键,再按一次暂停键即可解除。不想使用遥控器时可先按一下ON键,然后就可手动操作了。对于图4电路,则可用关掉遥控器电源的方法解除遥控功能。(王毓云)