本文介绍的这种多功能自动温控电路(H902)是利用NTC(负温度系数)热敏电阻作为温度传感器实现多种调控功能的新型器件,它可以广泛应用在电熨斗、恒温电烙铁、烧烤炉、电热水瓶、电子火锅、电热水器(淋浴器)等众多电热产品或其它温控环境。采用这种新型器件,能够提高现有产品的档次,实现产品增值,甚至能达到更新换代的目的。
用H902设计的产品具有以下特点:①实现多段式温度控制(最多可选择6段);②用发光管作为温度及加热状态指示,可以同时显示“预设温度”和“当前温度”;③可用蜂鸣器音响作为监控信号,实现提示功能;④允许使用各种型号的NTC作为温度传感器(当NTC的型号改变时,只需改变电路图上的电阻数值)。另外,由于电路本身的功耗很小(CMOS电路,最大静态工作电流2mA,工作电压4-6V),可用阻容降压方式直接接入交流电源以节省空间降低成本。H902的控制功能是按应用种类来区分的,下面分别作具体说明。
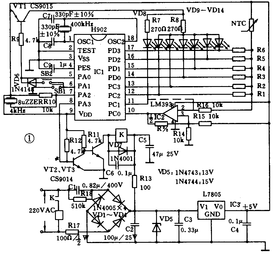
1.电熨斗类:具体电路如图1所示。设计者可将不同织物所需熨烫的温度分设几段(最多6段)定温调整,该定值电阻由R1-R6确定定温点,R1-R6数值的选择原则是与NTC的温度—电阻值一一对应的。当某一设定温度下NTC的电阻值(R\(_{NTC}\)),即为R1-R6在取值上有离散性或存在偏差时,可以适当调整图中电阻R%。当温度设定值不变,R%=510kΩ时,R1-R6的阻值与RNTC非常接近1:1。当R%减小,R1-R6>R\(_{NTC}\)时,其增大的百分比随R%阻值的减小而增大。例如,当R%=100k时,R1—R6的取值要比NTC在此温度点的RNTC大约10%。IC2是双比较器,本电路用一个“+”输入端为参考电位,在R1—R6确定后(选定某档位时,对应的R1-R6被IC1内部接低电位),当温度升高,R\(_{NTC}\)减小,“-”端电位超过“+”端参考电位时,IC2输出控制信号至IC1。温度预置采用循环方式(其它两类应用相同)当接入电源时,电源指示灯VD8亮,继电器不吸合(也可采用可控硅控制负载),按动“温度设定”键SB1,蜂鸣器响0.1秒的提示声,VD9亮。如果SB1按着不放,则蝉鸣器每隔0.5秒响0.1秒,且下一个温度指示灯亮,即VD8→VD9……VD14→VD8……,如此循环,如果设定在VD8位置,仅表示电路工作,加热器未通电,无温控功能相当于关断。当温度设定完成后放开SB1。在工作过程中,如果NTC所测温度低于设定温度,则IC1的8脚输出低电平,继电器吸合,开始加温。反之,NTC温度高于设定值时,负载断电。在加热过程中,恒亮的发光管代表设定温度,闪烁的LED表示NTC温度(当前温度)。当NTC温度达到设定值时,只剩下一个恒亮的发光管。例如,预设温度点的指示为VD12,则VD12恒亮,加热开始由VD8→VD11逐一闪亮,在达到预定值时熄灭。加热过程开始后,首次到达预定温度时,蜂鸣器发出4秒间歇的音响指示。以上是H902通电使用及工作过程。

作为电熨斗的应用,要配合水银开关SB2提供自动断电定时功能:①电熨斗平放时(图1中SB2闭合),当加热至设定温度时,若平放30秒不动,蜂鸣器响10秒后负载自动断电。②电熨斗立放时(SB2断开),加热至设定温度时,如保持立放不动8分钟,蜂鸣器响50秒钟后自动断电。③当蜂鸣器讯响时,SB2的状态被改变(即由“开”变“关”或由“关”变“开”),则定时器被复位,重新开始实现①、②所述功能。④当自动断电后(蜂鸣结束),改变了SB2的状态,加热器会被加热至原设定的温度。
2.恒温烙铁、烧烤炉类:参见图1,将SB2及所串联的二极管VD6取消,并将图中的虚线连上(熨斗类应用时,此线不连接)。这类应用也适用于电热水器。
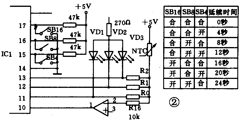
3.电热水瓶、电子火锅类:图2所示是其应用电路,其余未画出部分与图1完全相同。它的温控范围分为三档,即高温段(R2),保温段(R1),低温段(RO)。温控过程为:有冷水加入容器时,NTC传感温度低于低温段(电阻RO的取值原理同R1—R6,电路自动加热至高温段。当温度达到高温段时,蜂鸣器响4秒钟,然后再延续加热一段时间(该时间设定的方法见图2中附表所示)后,自动转为保温段并维持被加热体在设定的保温点上。

对于一些温控范围要求少于6段的应用场合,可按图3所示方法设定。(周伟都)
