本文介绍的二十米业余频段收信机是为初次接触业余电台收听活动的无线电爱好者参加今年的制作收听入门赛而设计的,也适用于平时收听。二十米业余波段是指波长为二十米左右即频率为14.000兆赫至14.350兆赫间的短波频段。电波传播的特点决定了这个波段是远距离通信的“黄金”频段。一般来说,在此频段从早到晚都可能收到远地业余电台信号。每星期二上午北京时间10:00在14.330兆赫可以听到我国业余电台的“BY”网络通信;每晚10:00可能在14.320兆赫收到东南亚的网络通信;每星期天上午10:00可能在14.284兆赫听到远东业余网络通信;每星期三晚上的10:30可在14.345兆赫收到我国台湾地区的“BV”业余网络通信。
为了保证一定的实用效果,本次竞赛选用了外差式收信电路。该电路灵敏度较高,供电方便(两节5号电池),属于较简单的业余短波通信机。本电路的示意框图见图1,具体的电路见图2。


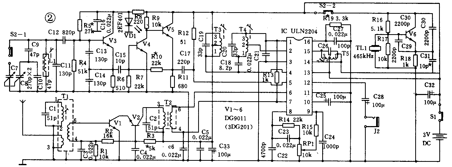
该收信机以单片收音机集成电路ULN-2204为核心。ULN-2204具备调幅调频广播收音机的全部功能,尽管它的噪音较大,但功能较全、灵敏度较高,可用于制作初级收信机。ULN-2204有多种可直接代换的型号,如TDA1083、TA7613P、HA12402和国产7S2204、FS2204、BH2204、SL2204等。业余电台通信一般不使用调幅方式,而使用键控等幅方式进行电报通信,使用单边带方式进行通话。
键控等幅方式的电波是断续的等幅波,经过一般检波电路只能得到与键控相对应的直流包络,不能推动电声器件而听到音频信号。为了能听清电码,通常采用差拍检波解调方式,就是增设一个本机振荡器,其振荡频率与检波前所要收听的信号频率相差几百至几千赫兹。将本振信号加到检波级,当有外来信号时,由于检波级的非线性,产生频率等于上述两信号频率之差的音频信号。外来信号断续变化,所产生的差拍音频也随之断续。这样,经音频放大推动电声器件,我们就可以听到“滴嘀嗒嗒”的电码信号了。
单边带调制就是使用平衡抑制和滤波等手段把调幅信号中的载波和一组边带抑制掉,只发射剩下的一组边带信号,即上边带或者下边带信号。单边带比调幅方式节约频谱和功率,因此,在通信中得到广泛应用。在业余短波通信中,9兆赫以上各频段多使用上边带,9兆赫以下各频段多使用下边带。虽然单边带信号的幅度也随所发送的音频信号而变化,但它的包络线与原音频信号波形差别极大,如果用普通检波电路去解调,得到的声音是极其干涩的、难以分辨的噪音。夜间和清晨,你可从广播收音机41米波段附近7.000兆赫至7.100兆赫之间听到业余电台发出的这种信号。为了能不失真地恢复原来的音频信号,也需要采用差拍检波器,将本振频率严格地调整到外来信号中被抑制掉的载波所应有的频率上,这样单边带信号与本振荡信号差频正好得到和原信号一样的音频信号。
为了接收等幅键控电报和单边带电话信号,竞赛用收信机电路中设有由V6组成的本机振荡器,当调谐到所接收信号的载频变频后与该差拍本振的四次谐波频率一致时,就可以听到单边带电台所发的话音了;当调谐使所接收信号的载频变频后与这个差拍本振的频率相差几百至几千赫时,我们就可以听到键控等幅电台所发的电码了。
虽然ULN-2204内部已具有集成的供变频用的本机振荡器,但它的频率稳定度只能满足调幅和调频收音机使用,收信时易产生失真。为克服这个缺点,电路中单独设置了由V3组成的本机振荡器,产生变频所需的本振信号。V3的供电由发光二极管VD1兼作稳压管,可明显地改善收听强信号时的瞬间频率飘移。为减轻电路其它部分对V3的影响,本振信号用小容量的C15经耦合输出,再由V4、V5组成的缓冲放大器放大到足够的幅度,送至ULN-2204内部的平衡混频器进行变频。L1、C8~C14共同决定了振荡频率,经过串并联组合,配合270pF可变电容器形成比14~14.35兆赫略宽的覆盖范围。
因为接收频率范围为14兆赫左右,如果采用465千赫作为中频,其像频干扰频率会落在固定业务段或广播业务段,所以本电路采用l.86兆赫中频,使像频干扰频率离信号频率远一些,但代价是邻近频道选择性变差。因为业余频段的信号一般都很弱,像频干扰比临近频道干扰严重的多,所以,全面权衡利多弊少。
为便于调整,差拍本振使用了465千赫的陶瓷滤波器作为振荡回路,其4次谐波正好是1.86兆赫,调试时可利用差拍本振作为调整中频变压器的信号源。
ULN-2204对于收听广播信号已有足够的灵敏度,但对于收听业余电台信号,最好还要加前置高频放大。V1、V2组成的共射—共基放大器很容易在短波范围内稳定工作。由天线进来的高频信号先经T1C1调谐回路的选择,然后经V1、V2放大,再经T2C2谐振回路再次选择后,耦合到ULN-2204的混频级。
二十米业余频段收信机的安装要领与一般广播收音机相同。按照竞赛套件所附的图纸,仔细地将各元件正确地焊在印制电路板的相应位置。全机装好后,一定要仔细检查有无错焊或短路。对于没有仪器设备,也不熟悉业余电台信号的无线电爱好者来说,调试时会遇到困难。所以,在竞赛前,我国一些业余电台将特别为广大爱好者二十米频段发射比较易于辨别的调试用信标信号(详细格式和时间表随竞赛套件发放),请爱好者充分利用这个机会进行调试。
装焊结束检查无误后,接上电池,按下电源开关S1,将音量电位器RP1旋到最大位置,耳机中应有“沙沙”的背景噪声。然后按下差拍开关S2,使其处于接收电报和单边带的位置。用无感螺丝刀微调T5磁芯,至噪声最大点,说明T5已谐振于1.86兆赫。用同样方法再调整T4、T3磁芯至噪声最大点。
现以用竞赛调试信标信号为例,说明一下调试方法。接一条3~5米的塑料导线作为收信机的天线,最好将天线从室外较高处悬下。非常缓慢地旋动双连可变电容器C7/C8,应能从耳机中听到一些信号。仔细寻找,看是否有所要找的调试信标信号。如没有,稍微调整一下L1的磁芯,再重复寻找。开始时,由于对各种信号不熟悉,搜索一定要慢,调L1磁芯也要很慢,找到调试信号后,再微调L1磁芯,使听到调试信号时,可变电容器处于离逆时针方向极端位置约20度处。
完成上述步骤后,再反复微调T1和T2的磁芯,使信号最强,这样,一台简单的通信收信机就完成了。松开S2,差拍振荡器停振,第一本机振荡回路多并联一组电容C7,使接收频率向下延伸到十九米广播频段,因而S2的这个位置可以用于收听调幅广播。本机静态总电流为15毫安左右。
注意:业余电台功率远比广播电台弱,信号受电波传播影响很大,并非每天都能收到很多电台,一天中收听效果也相差悬殊。另外,单边带信号只有差拍和外来信号关系正确时,才能解调出不失真的音频信号。所以调谐时必须十分小心。(业余无线电通信入门赛办公室)