本文介绍的多功能电路测试笔,结构简单、安装调试容易,体积小巧,携带方便,功能强、用途广泛。既可测量数字电路的逻辑状态,又可作为一种多用途的信号源,广泛用于数字电路的测试、微机系统的维修及模拟电路的调试中。
电路工作原理
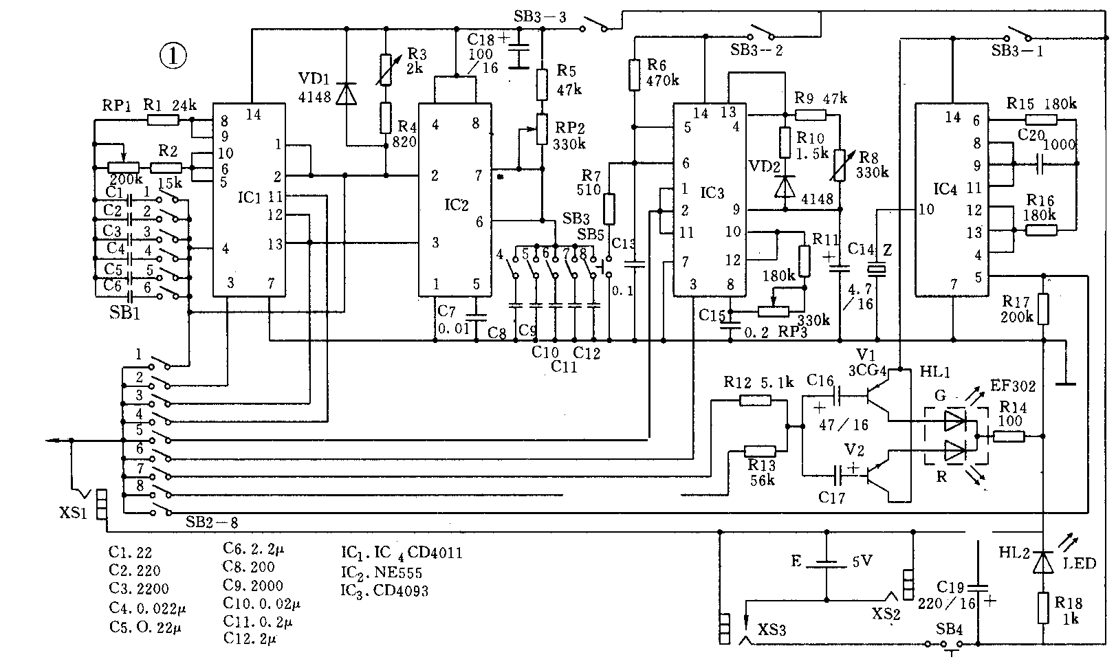
整机电路见图1。以IC1为主组成基准方波信号发生器。通过转换开关SB2来改变接入电路的电容器C1~C6,对振荡频率分六档进行粗调,电位器RP1对频率进行细调。由4脚输出正向方波,由3脚输出负向方波。其输出方波的后沿同时用来触发IC2组成的单稳态电路。该电路借助于开关SB3来选择电容器,使脉冲宽度在10μs到100ms之间变化。其最大输出电流为100mA。由3脚输出占空比可调的正脉冲,并通过IC1中的一个反相器,同时输出占空比可调的负脉冲。第一级的方波频率和第二级的占空比均可分别调节互相不受影响。

以IC3为主构成单脉冲/脉冲串发生器,用来产生单脉冲或脉冲串。此电路由R6、C13构成抗抖动电路,以消除由于开关SB5按下时可能产生的抖动,以便产生一个“干净”的单脉冲,当SB5一直按下时,经过一段延时,电路将产生一串脉冲。这段延迟时间由R8来调整。由R10和VD2构成放电回路。以适应SB5的快速和重复按下。脉冲串的频率由RP3调节。
由V1和V2为主构成逻辑状态测试电路。当输入为低电平时,V1导通,V2截止,双色发光二极管VD3发绿光;当输入为高电平时,V1截止,V2导通,VD3发红光;当输入脉冲时V1、V2轮流导通,频率较低时,VD3红、绿交替闪动,频率较高时,VD3发橙光;当输入端悬空时,V1、V2均截止,VD3不发光。由SB1—7输入为TLL电平,CMOS电平时由SB1—8输入。从而,采用两只晶体管构成简单的电路。实现四种逻辑状态、两种电路电平的测量。
由IC4构成音响发生器电路。这是一个典型的键控振荡器电路,由R15、R16、C20产生约1.5kHz的音频信号。通常,IC4的5脚通过电阻R17接地,电路停振。当5脚为高电平时,电路起振。可根据需要,通过SB2—8接通音响电路。
XS1为输出插孔,通过屏蔽电缆,可代替探头作固定输出。XS2为5V蓄电池E的充电插孔。XS3为CMOS电源插孔,当需要输出CMOS电平时,可由此插口送入合适的电压,以得到需要的CMOS电平输出。
元器件的选用与制作
IC1、IC4选用CMOS四与非门CD4011。IC2选用NE555。IC3用CD4093。V1可选用3DG类管子,V2可选用3DG类管子。两管β>60即可,这两管子的反向穿透电流要小。SB1、SB2、SB3均采用双列直插式8位微型拨动开关。VD3选用双色发光二极管2EF302。电容C1~C6、C8~C12最好选用涤纶或云母电容,质量要可靠。其它元件无特殊要求。电阻均可采用1/8W以下的。电池采用小型5V镍—镉蓄电池,可反复充电使用。当然也可采用市售层迭6V电池,但要增加一个简单的5V稳压电路。
安装与调试
该机安装与调试都很简单,一般焊接无误即可工作。如有条件,可借助示波器或频率计来调整C1(然后微调BP1),使f\(_{1}\)在1Hz~10Hz之间变化。同理调整C2使f2在10Hz~100Hz之间变化。依此类推,调C3使f\(_{3}\)满足100Hz~1kHz,f4满足1kHz~10kHz,f\(_{5}\)满足10kHz~100kHz,f6满足100kHz~1MHz。与上面类同,借助示波器,调整电容器C8~C12(微调RP2),使方波的宽度分别满足10μs、100μs、1ms、100ms即可。由于电容器C1~C6、C8~C12决定了振荡频率的精度和工作的稳定性,应注意挑选。
脉冲串的频率由RP3调节,可根据实际需要使其工作在相应的频率上。
Z为压电陶瓷,其大小为Φ27mm。该机的面板安装,可参考图2。

使用
打开电源开关SB4指示灯VD4亮,电路处于工作等待状态。
逻辑电平的测试
将SB3—1拨向ON,逻辑状态测试电路即工作。如待测电平为TTL电平,则将SB1—7拨向ON(如待测为CMOS电平,将SB1—8拨向ON),连测试笔与被测电路的接地线,探头触及被测点,即由VD3显示电路的逻辑状态。VD3红为逻辑1,VD3绿为逻辑0,VD3橙为脉冲,若要用声响表示状态,只须将SB2—8拨向ON。此时,高电平发声。在环境光线较强的地方,也可关闭SB1—7(或SB1—8),而单由声响表示所测逻辑状态。
单脉冲/脉冲串的输出
将SB3—2拨向ON,该部分电路即工作。每按一下SB5,就可输出一单个脉冲。如SB5一直按下,经过一段延时,将输出一脉冲串,调节RP3(△T),可改变该脉冲串的频率。接通SB1—15可输出正向脉冲,接通SB1—16输出负向脉冲。由探头(或XS1)均可输出。该功能可用于单步计数,步进电机的单步运转或多步运转。
将SB3—3拨向ON,并将SB1—1(或SB1—2)拨向ON,即可由探头(或XS1)输出—TTL电平的正向(或负向)方波。方波频率的粗调由SB2—1~SR2—6分六档(1Hz、10Hz、100Hz、1kHz、10kHz、100kHz)选择,细调由RP1(△f)担任。
输出占空比可调的脉冲波
在以上的基础上,断开SB1—1(或SB1—2),而将SB1—3(或SB1—4)拨向ON,即可输出—TTL电平的正向(或负向)占空比可调的脉冲波,脉冲宽度由SB3—4~SB3—8分五档(10μs、100μs、1ms、10ms、100ms)粗调,细调为RP2(△Q)。
如要输出CMOS电平的单脉冲/脉冲串,方波/占空比可调脉冲波时,只须将被送信号电路的电源由RP3送入测试笔,笔内电池即自行断开(注意电源极性,电压范围为+5V~+18V)。此时即可输出与被连接电路相匹配的CMOS信号。
自检
利用机内的逻辑电平测试电路,即可完成对要输出的单脉冲/脉冲串、方波/占空比可调脉冲波等的自检。使用时,只需在合上SB1—1(或SB1—2、SB1—3、SBR1—4、SB1—5、SB1—6)的同时,合上SB1—7(TTL电平)或SB1—8(CMOS电平),再接通SB3—1,即可由VD3显示上述相应电路的工作状态是否正常。也可合上SB2—8,用音响来表示上述电路的工作状态。在某些情况下,对于一些频率稍高的信号(例如f>100Hz以上),使用相当方便。由XS1输出时各档波形见图3。(毛楠)
