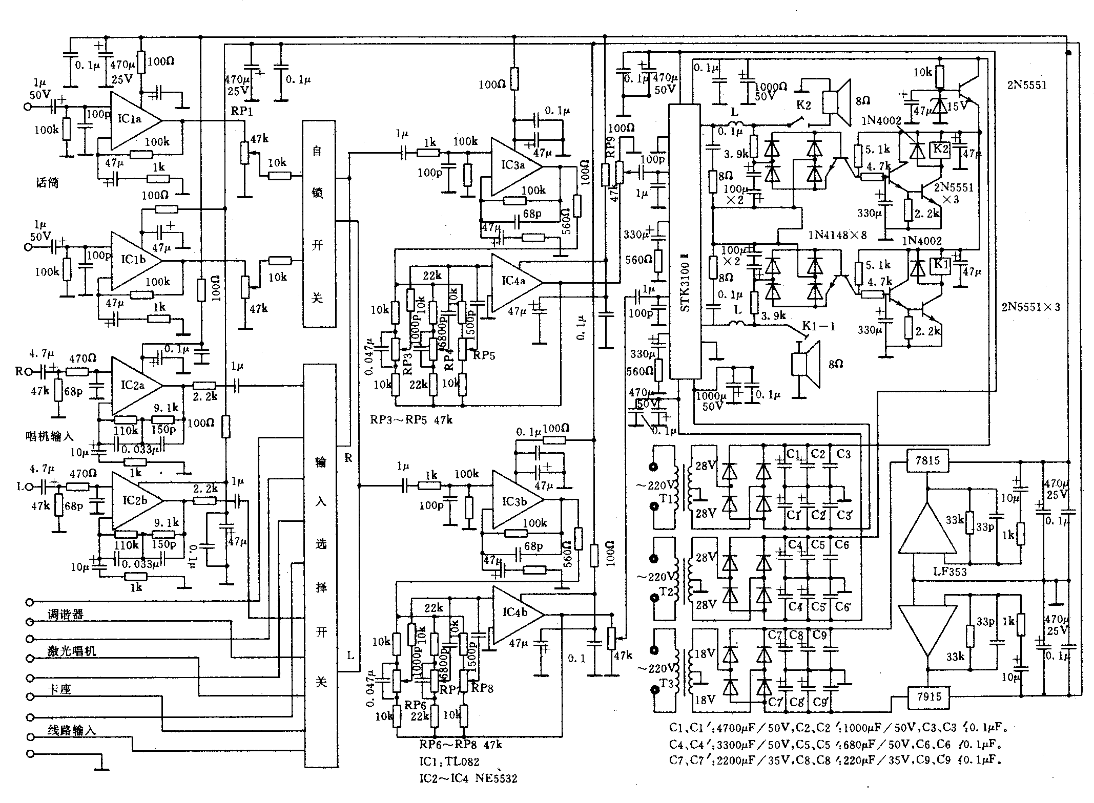
本文介绍一个360W音频放大器,大家只要按图选件装配无误即可达到原设计指标,整机电路如附图所示。

本放大器前级采用NE5532作前置放大及音调控制,功率输出级采用STK3100ⅡIC,电源部分采用三组互相独立的电源。下面逐一介绍。
一、前级放大器
一套完整的高保真重放系统,要求能把各种各样的信号源(唱机、调谐器、激光唱机、线路输入、卡座、话筒)的输入信号完美准确地传输、控制和放大,并且输出足够的信号电压去推动功率放大器工作。前级放大器属小信号放大器,对各项性能指标要求很严格,因此要综合考虑各种因素,用运算放大器集成电路装制前级放大器最为简便实用,电声性能指标也容易得到保证。
本机前级设计共分:话筒放大器、唱片RIAA均衡放大器,平直线路十倍放大器及音调放大器。除话筒放大器使用TL082外,其余放大任务由NE5532完成。
在前置放大器中,唱片RIAA均衡形式应确保唱片高质量重放,即保证信噪比高,互调与谐波失真低,转换速度高,动态范围足够大,均衡特性偏差小等传输放大特性。尽管用“运放之皇”装制负反馈(NF)型唱片均衡放大器的速率高达9V/μS以上,但还是会有较严重的瞬态失真,尤其是高频段,听感不甚理想。而本电路采用的负反馈与阻容衰减混合式(NF-CR式)均衡放大器是将20~1000Hz频段用负反馈(NF)方式进行低频段均衡处理(由IC2担任),充分发挥负反馈型均衡放大器谐波失真低和信嗓比高的优良特性。用阻容衰减方式处理1~20kHz高频段,高频段取消了负反馈网络,对瞬态响应及提高转换速率非常有利。
平直十倍线路放大器也由NE5532担任,线路放大器不需要考虑各种频率均衡措施,只要将电平提高到足够幅度去推动功率放大器即可,但要求频响范围足够宽且平直,不含各种人为因素,确保信号源的原汁原味。
话筒放大器由IC1(TL082)完成,音调放大处理电路原理简单,在此不作介绍。
二、功率放大器部分
本功率放大器采用了最新设计的绅泰康牌混合集成电路—STK3100Ⅱ,其输出功率为100W+100W。本电路已设计有BTL电路配接端,组成BTL电路非常方便。当组成BTL电路时输出功率可达:360W,频响:10Hz~200kHz,失真度:0.01%,电压极限:最低±12V,最高±50V,推荐工作电压±35V,功率输出级为具有电子管特性的场效应管。
STK3100Ⅱ采用两组各自独立的电源供电,从而避免因电源的关系使放大器的功率输出级及驱动级互相影响。
在电源系统中电源滤波电容器上会有充放电电流的起伏变化(大功率输出时变化更大),由于此充放电电流会随着音乐信号的低频成份而变,从而使音乐信号及其相移不断地变动,会使人感到音质有混浊感,原因之一就在于系统中产生了多种多样的稳态失真和瞬态失真。其中的“哼”声失真和互调失真是引起音质不纯净的主要原因之一,采用两组互相独立的电源可以彻底消除这种影响,从而使放大器在实际聆听时感觉高音清晰,中音明亮透彻,低音刚劲浑厚,丰满圆润,丝毫不拖泥带水。
三、电源系统的综合设计
以往,人们热衷于讨论各类放大器的电路,希望以此来提高放大器的音质,忽略了电源的作用和影响,尤其对于较成熟的电路,电源的重要性更为突出。一般用的硅整流二极管的内阻和压降大,不管使用多大容量的电解电容器(在电源变压器有足够低的内阻情况下)也无法使电源部分的内阻进一步降低,势必会影响放大器的听感。目前快速恢复型的整流二极管给降低电源内阻提供条件,使放大器的动态特性和瞬态失真进一步改善,也给后面使用高质量的稳压器打下了良好的基础。
本放大器使用三组互相独立的电源,目的在于减小相互影响提高音质。三组电源均采用快速恢复整流管整流。为了改善电源的高、中、低频特性,消除大电容的卷积电感影响,本电路滤波网络采用多组电容并联使用,从而使电路滤波网络采用多组电容并联使用,从而使放大器的瞬态响应更佳。并且,为了进一步提高本放大器的指标,前级供电系统采用有源伺服稳压器。
四、元件的选择及制作
即使是最好的电路如果元件选用不当,其各项指标也不会达到要求。放大器的重要部分如:输入、输出、反馈及其信号流通部分,其电阻应选用精度高的金属膜电阻。电路中电容采用无极性电容和电解电容两大类,旁路电解电容宜选用漏电流小,介质损耗小,热稳定性高的钽质电解电容,使局部反馈性能稳定,有利于改善和提高音质。无极性电容在音频放大器中主要以聚苯乙烯电容为主,聚苯乙烯电容的物理性能好,介质损耗小,线性好。它可使音色自然,无渲染。
在设计印制板时要注意线路的合理性,否则轻则产生自激,重则不能工作。STK3100Ⅱ在实际使用时需在散热器上涂上导热硅脂,然后将其紧压在外散热器上。同时散热器的体积需足够大、否则STK3100Ⅱ会因过热而影响各项指标。
按要求选好元件后,主要安装无误后即可正常工作。功率放大级如组成BTL电路输出时,输出功率可达360W,此时电源变压器的功率及滤波电容的容量均需加倍。(钟伟波)